GM Service Manual Online
For 1990-2009 cars only
Makes
🢒
Chevrolet
🢒
2000
🢒
Cavalier
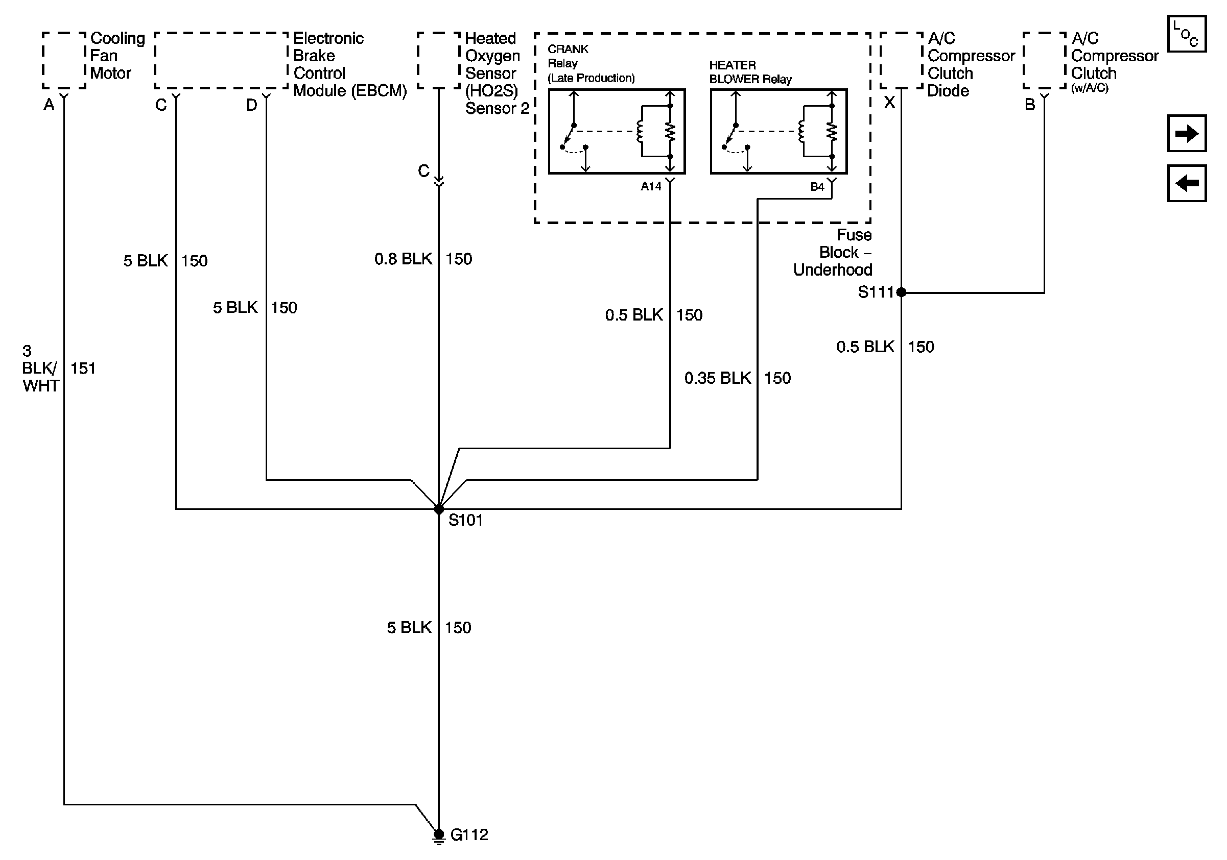
🢒 G112 and G106
G112 and G106
G112 and G106
Power and Grounding Components
G204 (1 of 2)
G110