GM Service Manual Online
For 1990-2009 cars only
Makes
🢒
Chevrolet
🢒
2000
🢒
Cavalier
🢒 Power, Ground, Cruise, Brake and Transmission
Power, Ground, Cruise, Brake and Transmission
Power, Ground, Cruise, Brake and Transmission
Engine Controls Components
Powertrain Control Module Description
Power, Ground, EBCM and Cooling Fan Motor
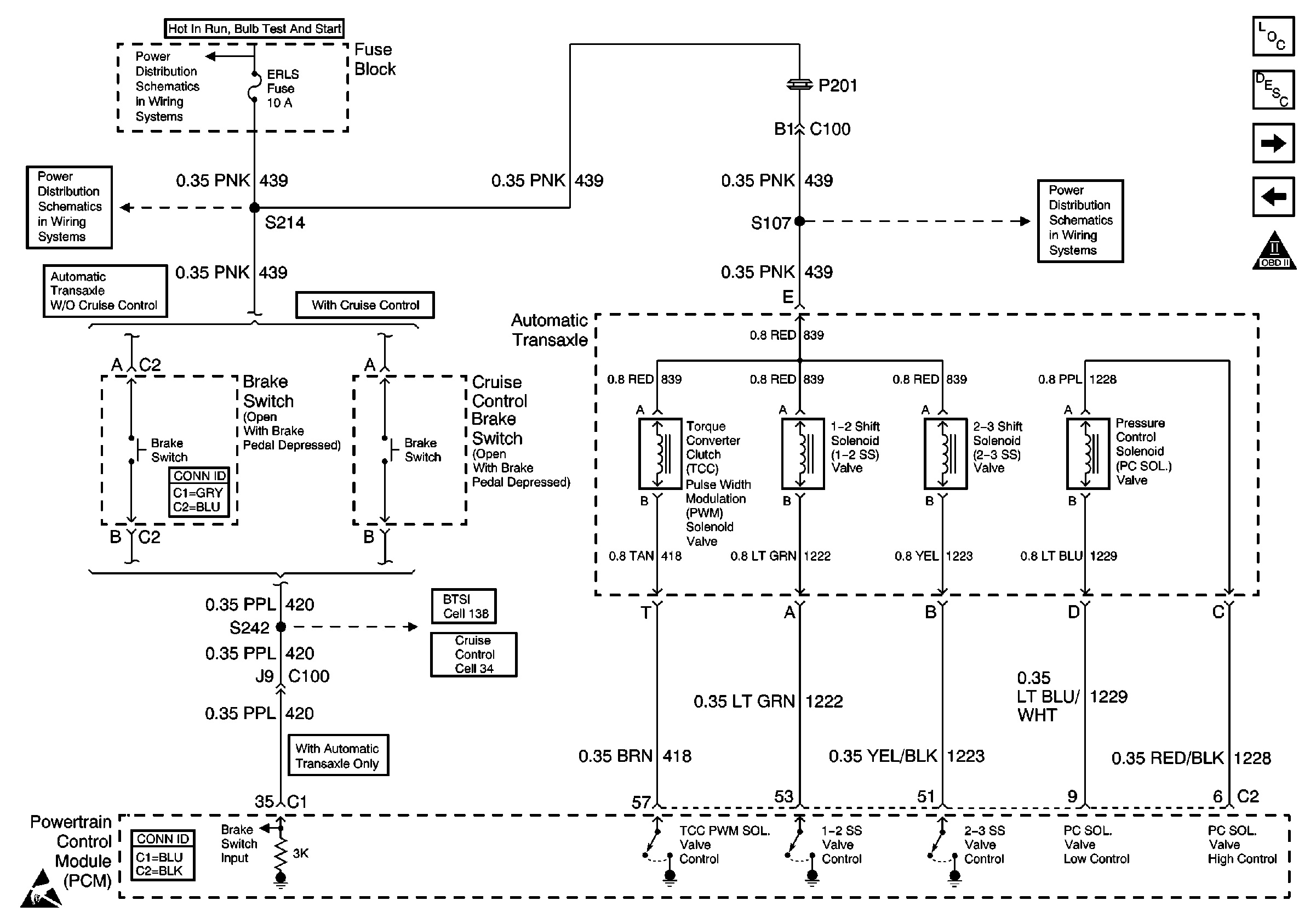
Automatic Transaxle
OBD II Symbol Description Notice
ALARM, and ERLS Fuses
ALARM, and ERLS Fuses
Cruise Control Schematics
Handling ESD Sensitive Parts Notice
ALARM, and ERLS Fuses