GM Service Manual Online
For 1990-2009 cars only
Makes
🢒
Chevrolet
🢒
2000
🢒
Cavalier
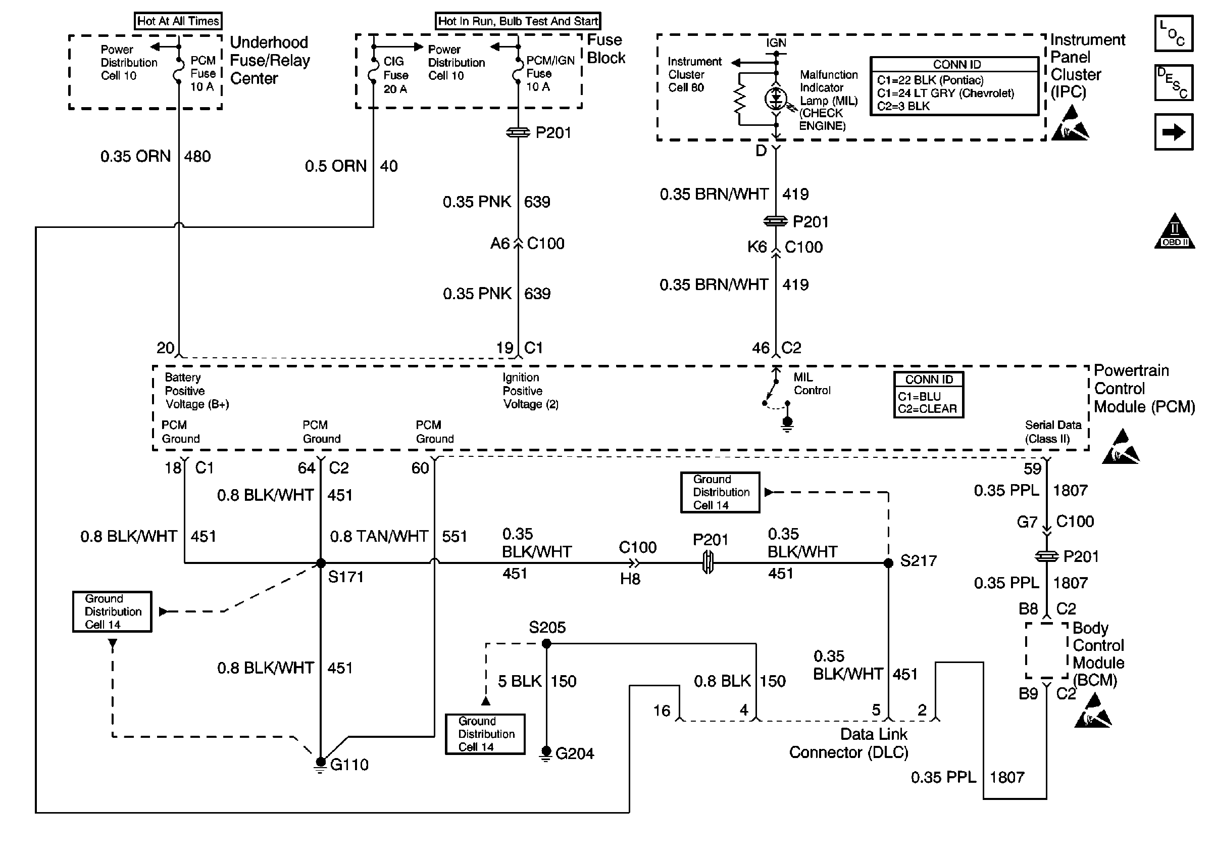
🢒 Power, Ground, BCM, and DLC
Power, Ground, BCM, and DLC
Power, Ground, BCM, and DLC
Engine Controls Components
Powertrain Control Module Description
Power, Ground, CMP, KS, and CKP
OBD II Symbol Description Notice
PCM, BLO, and A/C Fuses
TURN-B/U, IGN, PCM IGN, and BCM/CLSTR Fuses
Instrument Cluster: Analog Schematics
G110
G204 (1 of 2)
G204 (1 of 2)
Engine Controls Connector End Views
Handling ESD Sensitive Parts Notice
Handling ESD Sensitive Parts Notice