GM Service Manual Online
For 1990-2009 cars only
Makes
🢒
Chevrolet
🢒
2000
🢒
Cavalier
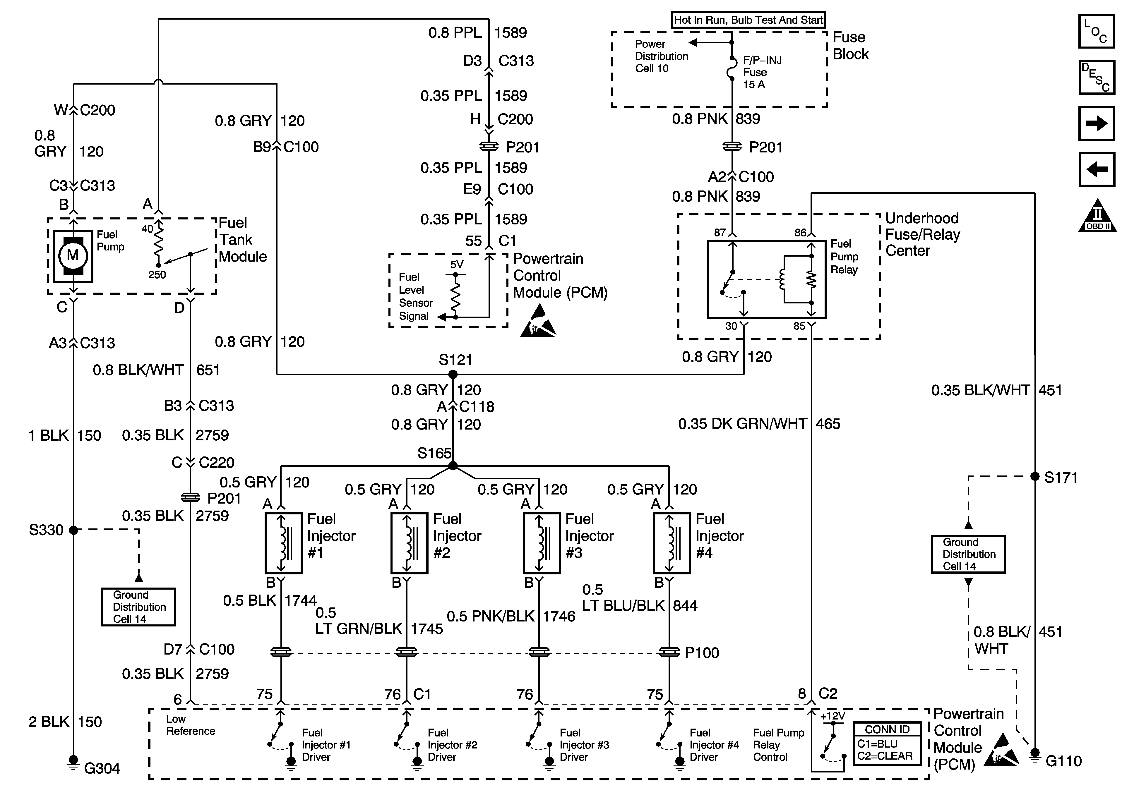
🢒 Power, Ground, Fuel Tank Module, and Injectors
Power, Ground, Fuel Tank Module, and Injectors
Power, Ground, Fuel Tank Module, and Injectors
Engine Controls Components
Powertrain Control Module Description
Engine Data Sensors
Power, Ground, CMP, KS, and CKP
OBD II Symbol Description Notice
Ignition Switch, F/P -INJ, SIR, CRUISE, and ABS Fuses
Engine Data Sensors
Handling ESD Sensitive Parts Notice
G304 (1 of 2)
G110
Handling ESD Sensitive Parts Notice