GM Service Manual Online
For 1990-2009 cars only

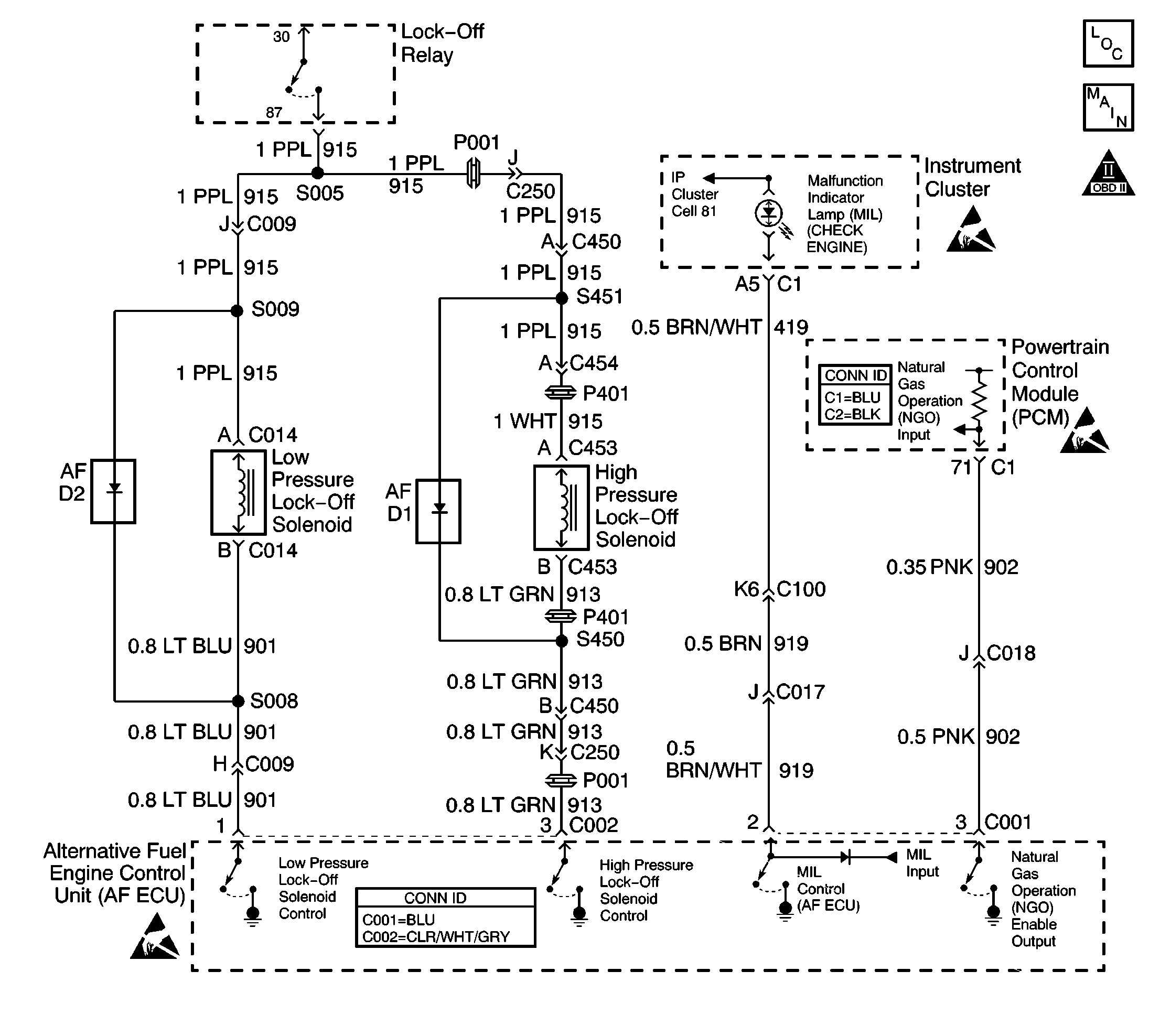
Object Number: 488524  Size: LF
Engine Controls Components
Engine Controls Schematics
OBD II Symbol Description Notice
Handling ESD Sensitive Parts Notice
Handling ESD Sensitive Parts Notice
Handling ESD Sensitive Parts Notice

Circuit Description

The AF ECU contains electronic devices called output driver modules. The output driver modules provide switchable outputs (control circuits) for operating solenoids, relays, telltales and other devices. Each of the outputs has an internal fault line that the AF ECU can monitor for faulted circuit conditions.

Two types of outputs can be utilized. HIGH SIDE DRIVERS supply voltage on the control ciruit. LOW SIDE DRIVERS supply a ground on the control circuit. Currently all monitored outputs are low side drivers. In order for the fault line to detect a failure the state of the control circuit must be opposite of the expected state. If the AF ECU is commanding an output ON, then 0  volts should be monitored by the fault line. If the AF ECU is commanding an output OFF then the voltage supplied to the controlled device should be monitored by the fault line.

This DTC is used to indicate that the AF ECU fault line has monitored a control circuit fault.

Monitored control circuits include the following:

    • the MIL Control (AF ECU) control circuit
    • the NGO Enable Output control circuit
    • the High Pressure Lock-Off solenoid control circuit
    • the Low Pressure Lock-Off solenoid control circuit

Conditions for Running the DTC

The ignition is ON.

Conditions for Setting the DTC

The AF ECU monitors a control circuit fault for at least 1 second continuously.

Action Taken When the DTC Sets

    • The AF ECU will illuminate the MIL and store the DTC as History during ONE drive trip in which the diagnostic runs and fails.
    • The AF ECU will record operating conditions at the time the DTC sets. This information will be stored as Freeze Frame data.

Conditions for Clearing the MIL/DTC

    • The Last Test Failed status will clear when the DTC runs and passes.
    • The AF ECU will turn OFF the MIL after 3 consecutive drive trips that the DTC runs and passes.
    • The History status will clear after 40 consecutive WARM-UP cycles with NO failures of ANY DTC.
    • All DTC Information can be cleared using a scan tool.
    • Interruption of Control Module (AF ECU / VCM / PCM or ECM) power or ground MAY clear DTC Information. Clearing DTC Information with this method is inconsistent and should not be performed.

Diagnostic Aids

Fault Not Present

Fault Not Present indicates the condition that caused the DTC to set is intermittent and not currently present. Refer to Intermittent Conditions Symptom diagnosis for additional information. If any additional DTCs were stored proceed to the applicable DTC table in the order stated in the OBD System Check.

Test Description

The number(s) below refer to the step number(s) on the diagnostic table.

  1. The MIL should illuminate with the ignition ON and the engine OFF.

  2. This step determines if the MIL control circuit is the cause of the fault condition.

Step

Action

Value(s)

Yes

No

1

Were you sent here from the AF Powertrain On-Board Diagnostic (OBD) System Check?

--

Go to Step 2

Go to Alternative Fuels (AF) Powertrain On Board (OBD) System Check

2

  1. Turn the ignition ON leaving the engine OFF.
  2. Observe the Service Engine Soon Malfunction Indicator Lamp (MIL).

Is the MIL illuminated?

--

Go to Step 3

Go to Malfunction Indicator Lamp Circuit Check

3

Using the Special Function (Alt. Fuel) display Command the AF ECU to turn OFF the MIL.

Is the MIL illuminated when commanded OFF?

--

Go to Malfunction Indicator Lamp Circuit Check

Go to Step 4

4

  1. Turn the ignition On leaving the engine OFF.
  2. Using the Engine Data (Alt. Fuel) data display observe the NGO Enable Input and the NGO Enable Output displays.

Do both displays indicate the same information?

--

Go to Step 5

Go to Step 8

5

  1. Turn the ignition ON leaving the engine OFF.
  2. Capture the DTC Information (stored when this DTC set) from the AF ECU into the scan tool.
  3. Clear the DTC Information from the AF ECU.
  4. Using the Special Function (Alt. Fuel) display command the NGO Enable back and forth between gasoline and Alt. Fuel.
  5. Observe the NGO Enable Input and the NGO Enable Output displays while commanding.

Do both displays indicate the same information?

--

Go to Step 6

Go to Step 8

6

  1. Exit the Special Function area of the scan tool.
  2. Start and idle the engine.
  3. Observe the NGO Enable Input and the NGO Enable Output displays.

Is the engine operating on Alternative Fuel?

--

Go to Step 7

Go to Step 11

7

The fault is not present. Refer to Diagnostic Aids.

Are any DTC's stored that have not been diagnosed?

--

Go to the Diagnostic Trouble Code (DTC) List

Go to Intermittent Conditions

8

Observe the NGO Enable Input.

Does the NGO Enable Input display indicate gasoline?

--

Go to Step 9

Go to Step 10

9

  1. Turn the ignition OFF.
  2. Disconnect the AF ECU connectors.
  3. Using a fused jumper connect the AF ECU connector NGO Enable circuit terminal to a known good ground.
  4. If the jumper fuse blows the NGO Enable circuit is shorted to voltage.

  5. Turn the ignition ON leaving the engine OFF.
  6. Using the scan tool observe the NGO Enable Input data display located in the Engine Data (Gasoline) list.

Does the NGO Enable Input display indicate Alternative Fuel is enabled?

--

Go to Step 20

Go to Step 15

10

  1. Turn the ignition OFF.
  2. Disconnect the AF ECU connectors.
  3. Turn the ignition ON leaving the engine OFF.
  4. Using the scan tool observe the NGO Enable Input data display located in the Engine Data (Gasoline) list.

Does the NGO Enable Input display indicate Gasoline is enabled?

--

Go to Step 21

Go to Step 16

11

  1. Backprobe the Lock-Off Relay switch load terminal (87) with the J 35616-200 Un-powered Test Lamp connected to a known good ground.
  2. Start and idle the engine.

Is the test lamp illuminated while the engine is running?

--

Go to Step 12

Go to Lock-Off Relay Diagnosis

12

  1. Turn the ignition OFF.
  2. Disconnect the AF ECU connectors.
  3. Disconnect the Lock-Off Relay connector.
  4. Connect the positive test lead of the J 39200 DMM to the Lock-Off Relay switch load terminal (87) at the harness connector.
  5. Connect the negative test lead to the Low Pressure Lock-Off Solenoid Control circuit terminal of the AF ECU connector (C002).
  6. Measure the resistance of the LPL circuit.

Is the resistance within the specified value range?

6.2-10 ohms

Go to Step 13

Go to Step 17

13

  1. Retain the positive test lead of the J 39200 DMM connected to the Lock-Off Relay switch load terminal (87) at the harness connector.
  2. Connect the negative test lead to the High Pressure Lock-Off Solenoid Control circuit terminal (3) of the AF ECU connector (C002).
  3. Measure the resistance of the HPL circuit.

Is the resistance within the specified value range?

16.3-20.6 ohms

Go to Step 14

Go to Step 17

14

  1. Measure and record the resistance between the LPL solenoid control circuit terminal (1) and a known good ground.
  2. Measure and record the resistance between the HPL solenoid control circuit terminal (3) and a known good ground.

Does either circuit measure less than the specified value

Go to Step 19

Go to Step 21

15

  1. Inspect the NGO Enable circuit for an open or high resistance condition.
  2. Inspect the gasoline control module connector for proper terminal contact.
  3. Repair wiring or terminals as necessary.

Was a wiring or terminal repair necessary?

--

Go to Step 23

Go to Step 22

16

  1. Inspect the NGO Enable circuit for a shorted to ground condition.
  2. Repair wiring as necessary.

Was a wiring repair necessary?

--

Go to Step 23

Go to Step 22

17

  1. If the resistance measured greater than the specified value range test for the following:
  2. 1.1. Disconnect the solenoid connector.
    1.2. Test for control circuit continuity between the solenoid connector terminal (B) and the AF ECU connector terminal.
    1.3. Test for power feed circuit continuity between the Lock-Off Relay connector terminal and the solenoid connector terminal.
  3. If the resistance measured less than the specified value range test for the following:
  4. 2.1. Disconnect the solenoid connector.
    2.2. Test for a shorted AF diode.
    2.3. Test for a short between the solenoid control circuit and the solenoid power feed circuit.
  5. Repair wiring as necessary.

Was a wiring repair or AF Diode replacement necessary?

--

Go to Step 23

Go to Step 18

18

Replace the required Lock-Off Solenoid. Refer to Low Pressure Lock-Off Solenoid Replacement or High Pressure Lock-Off Solenoid Replacement in the Bi-fuel supplement.

Is the replacement complete?

--

Go to Step 23

--

19

Repair the shorted to ground solenoid control circuit.

Is the repair complete?

--

Go to Step 23

--

20

  1. Inspect the AF ECU connectors for proper terminal contact.
  2. Repair terminal contact as necessary.

Was a repair necessary?

--

Go to Step 23

Go to Step 21

21

  1. Replace the AF ECU. Refer to Engine Control Unit Replacement .
  2. Program (flash) the replacement control module with the correct vehicle software and calibration.

Is the replacement complete?

--

Go to Step 23

--

22

Important: The following control module replacement procedures must all be completed before attempting to operate the vehicle.

  1. Replace the gasoline control module (VCM/PCM or ECM). Refer to PCM Replacement in the Engine Controls section.
  2. Program (flash) the replacement control module with the correct vehicle software and calibration.
  3. Important: In order to perform the variation learn procedure a switch-over to gasoline operation is necessary. Remove the CNG 20 amp fuse in order to perform the switch-over.

  4. Perform the CKP System Variation Learn Procedure in the Engine Controls section.
  5. All of the above procedures are located in the gasoline service manual.

Is the replacement complete?

--

Go to Step 23

--

23

  1. Using a scan tool clear the DTC information from BOTH Control Modules.
  2. Operate the vehicle under the Conditions for Running the DTC.
  3. Using the scan tool parameter DTC STATUS, ensure that this DTC runs.

Did this DTC RUN and PASS?

--

System OK

Go to Step 2