GM Service Manual Online
For 1990-2009 cars only

Object Number: 488518  Size: MF
Engine Controls Components
Engine Controls Schematics
OBD II Symbol Description Notice
Handling ESD Sensitive Parts Notice
Handling ESD Sensitive Parts Notice
Handling ESD Sensitive Parts Notice

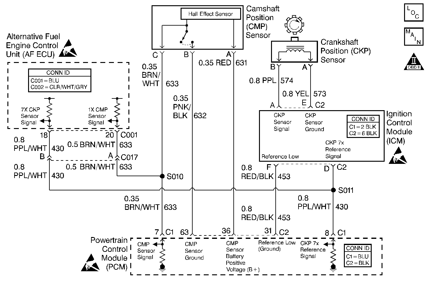
Circuit Description

The Crankshaft Position (CKP) sensor is connected to the Ignition Control (IC) module. The CKP sensor is mounted near the crankshaft and monitors a toothed crankshaft reluctor wheel. When the toothed reluctor wheel (and the crankshaft) spins, a signal is induced into the CKP sensor. Based upon the signal that is received from the CKP sensor the IC module supplies a CKP signal on the CKP 7X reference circuit. For each one engine revolution the IC module pulses the CKP 7X reference circuit 7 times. The gasoline control module (VCM/PCM or ECM) and the AF ECU use the CKP 7X signal to determine engine speed, crankshaft position and if a cylinder misfire is present.

This DTC is used to indicate no CKP reference signal is being monitored by the AF ECU while engine sensor conditions indicate the crankshaft is rotating.

Conditions for Running the DTC

    • The engine is operating on alternative fuel for an initial failure. The AF ECU will run this DTC in gasoline mode after an initial alternative fuel mode failure.
    • MAP sensor signal indicates 105.23 kPa (31.07 in Hg) or less.
    • A cam signal is monitored indicating the engine is cranking or running.

Conditions for Setting the DTC

The AF ECU monitors no CKP reference signal when a cam sensor signal is monitored.

Action Taken When the DTC Sets

The AF ECU will switch-over to gasoline fuel operation. The AF ECU will not attempt alternative fuel operation until the next ignition key cycle.

    • The AF ECU will illuminate the MIL and store the DTC as History during ONE drive trip in which the diagnostic runs and fails.
    • The AF ECU will record operating conditions at the time the DTC sets. This information will be stored as Freeze Frame data.

Conditions for Clearing the MIL/DTC

    • The Last Test Failed status will clear when the DTC runs and passes.
    • The AF ECU will turn OFF the MIL after 3 consecutive drive trips that the DTC runs and passes.
    • The History status will clear after 40 consecutive WARM-UP cycles with NO failures of ANY DTC.
    • All DTC Information can be cleared using a scan tool.
    • Interruption of Control Module (AF ECU / VCM / PCM or ECM) power or ground MAY clear DTC Information. Clearing DTC Information with this method is inconsistent and should not be performed.

Diagnostic Aids

Fault Not Present

Fault Not Present indicates the condition that caused the DTC to set is intermittent and not currently present. Refer to Intermittent Conditions Symptom diagnosis for additional information. If any additional DTCs were stored proceed to the applicable DTC table in the order stated in the OBD System Check.

Test Description

The number(s) below refer to the step number(s) on the diagnostic table.

  1. This step determines if the condition affects the gasoline control module.

Step

Action

Value(s)

Yes

No

1

Did you perform the AF Powertrain On-Board Diagnostic (OBD) System Check?

--

Go to Step 2

Go to Alternative Fuels (AF) Powertrain On Board (OBD) System Check

2

Crank and attempt to start the engine.

Does the engine start and run?

--

Go to Step 3

Go to Engine Cranks but Does Not Run in the gasoline service information

3

  1. Using the scan tool establish communication with the gasoline control module (VCM/PCM or ECM).
  2. Inspect for stored powertrain DTC's.

Are any gasoline powertrain control module DTC's set?

--

Go to Diagnostic Trouble Code (DTC) List/Type in the gasoline service information

Go to Step 4

4

  1. Using the scan tool establish communication with the AF ECU.
  2. Clear DTC Information from the AF ECU.
  3. Turn the ignition OFF and wait 10 seconds.
  4. Start and idle the engine.

Did this DTC set?

--

Go to Step 6

Go to Step 5

5

The fault is not present. Refer to Diagnostic Aids.

Are any DTC's stored that have not been diagnosed?

--

Go to Diagnostic Trouble Code (DTC) List

Go to Intermittent Conditions

6

  1. Inspect the 7X CKP sensor signal circuit for an open or high resistance between the circuit splice and the AF ECU connector terminal.
  2. Inspect for poor terminal contact at the AF ECU connector.
  3. Repair the wiring or terminal contact as necessary.

Was a repair necessary?

--

Go to Step 8

Go to Step 7

7

  1. Replace the AF ECU. Refer to Engine Control Unit Replacement .
  2. Program (flash) the replacement control module with the correct vehicle software and calibration.

Is the replacement complete?

--

Go to Step 8

--

8

  1. Using a scan tool clear the DTC information from BOTH Control Modules.
  2. Operate the vehicle under the Conditions for Running the DTC.
  3. Using the scan tool parameter DTC STATUS, ensure that this DTC runs.

Did this DTC RUN and PASS?

--

System OK

Go to Step 2