GM Service Manual Online
For 1990-2009 cars only

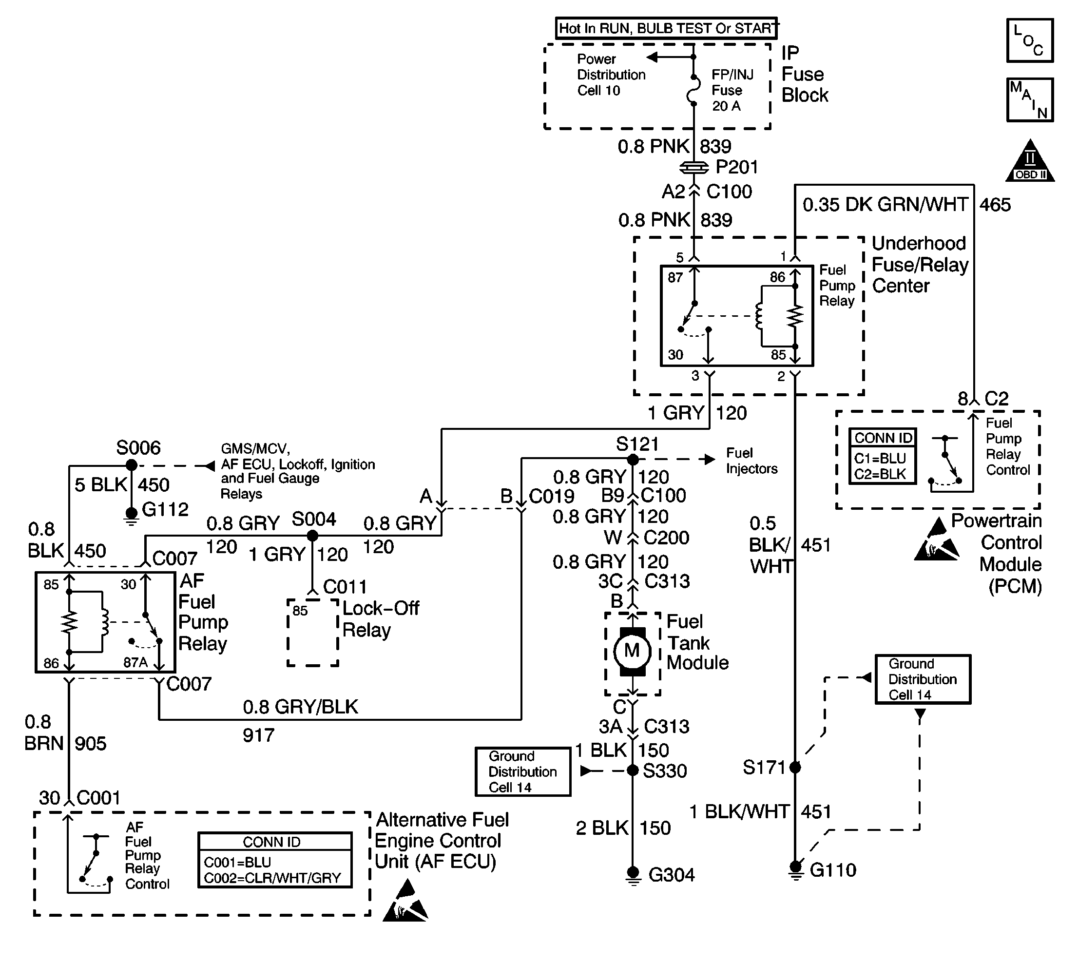
Object Number: 621495  Size: LF
Engine Controls Components
Engine Controls Schematics
OBD II Symbol Description Notice
Handling ESD Sensitive Parts Notice
Handling ESD Sensitive Parts Notice

Circuit Description

The AF fuel pump relay coil is supplied a ground path all the time. The AF ECU supplies the power to the AF fuel pump relay coil when the engine starts and runs on CNG.

The purpose of the AF fuel pump relay circuitry is to allow the AF ECU the ability to turn OFF the gasoline fuel pump and to supply a voltage source for the lock-off relay.

At initial ignition ON the AF fuel pump relay is NOT energized by the AF ECU. The gasoline control module energizes the GASOLINE fuel pump relay supplying power to the Fuel Pump Power circuit for a two second prime pulse. When the prime pulse is supplied to the Fuel Pump Power circuit the lock-off relay is energized AND the gasoline fuel pump receives the two second prime pulse power. The two second prime pulse is allowed to operate the gasoline fuel pump for durability purposes.

When the engine is started the GASOLINE control module energizes the GASOLINE fuel pump relay supplying power to the Fuel Pump Power circuit. When the engine is operating on CNG the AF ECU energizes the AF fuel pump relay turning OFF the gasoline fuel pump. The lock-off relay continues to be energized by the GASOLINE fuel pump relay.

Test Description

The numbers below refer to the step numbers on the diagnostic table.

  1. The OBD System Check MUST be performed before proceeding with this diagnostic table. Failure to perform the OBD System Check will result in mis-diagnosis.

  2. This step tests if the engine will start and run. A failure that causes the engine to not start on either fuel can be isolated to the CNG harness or a base vehicle problem such as a malfunctioning GASOLINE fuel pump relay.

  3. This step tests the gasoline control modules ability to supply power to the gasoline fuel pump circuit.

  4. This step tests for voltage THROUGH the AF fuel pump relay. With the ignition ON and the engine OFF the AF ECU does not energize the AF fuel pump relay allowing voltage to flow through the relay and energize the gasoline fuel pump.

  5. This step tests the AF ECUs ability to energize the AF fuel pump relay and disable the gasoline fuel pump during CNG operation.

  6. This step tests for stuck AF fuel pump relay contacts or a shorted AF Fuel Pump Relay control circuit.

  7. If the engine did not operate on gasoline during the OBD System Check but now operates on gasoline inspect for intermittent terminal contact or a AF fuel pump relay with sticking contacts that may have been disturbed during testing.

  8. This step tests if the CNG harness is the cause of the no start on gasoline.

  9. If the Fuel Pump Power circuit tests OK there is a base vehicle problem that is causing the no-start condition.

Step

Action

Yes

No

1

Did you perform the Diagnostic System Check?

Go to Step 2

Go to Diagnostic System Check - Alternative Fuels (Engine Controls)

2

  1. Physically ensure BOTH fuel systems each have at least ¼ tank of fuel.
  2. Install the CNG 20 amp fuse if previously removed.
  3. Crank and attempt to start the engine.

Does the engine start and run at all?

Go to Step 4

Go to Step 3

3

  1. Turn the ignition OFF and wait 30 seconds.
  2. Disconnect the fuel pump harness connector (C019).
  3. Connect the J 35616-200 Unpowered Test Light between the Fuel Pump Power circuit terminal (A) and a known good ground. Connect to the engine harness side of the connector in order to monitor for power from the GASOLINE fuel pump relay.
  4. Observe the test lamp as you turn the ignition ON leaving the engine OFF.

Did the test lamp illuminate for about two seconds?

Go to Step 14

Go to Step 13

4

Does the vehicle operate on CNG but not on gasoline?

Go to Step 5

Go to Diagnostic System Check - Alternative Fuels (Engine Controls)

5

  1. Turn the ignition OFF and wait 30 seconds.
  2. Backprobe the AF Fuel Pump Relay switch power supply terminal (30) with the J 35616-200 Unpowered Test Light connected to a known good ground.
  3. Observe the test lamp as you turn the ignition ON leaving the engine OFF.

Did the test lamp illuminate for about two seconds?

Go to Step 6

Go to Step 16

6

  1. Start and idle the engine. Ensure the engine is operating on CNG.
  2. Backprobe the AF Fuel Pump Relay switch load terminal (87A) with the J 35616-200 Unpowered Test Light connected to a known good ground.

Is the test lamp illuminated?

Go to Step 8

Go to Step 7

7

  1. Using the scan tool establish communications with the AF ECU.
  2. Command the Fuel Pump Relay (Alternative Fuels) OFF.

Does the test lamp illuminate when the AF Fuel Pump Relay is commanded OFF?

Go to Step 10

Go to Step 17

8

Ensure the engine is idling.

Backprobe the AF Fuel Pump Relay coil ground supply terminal (85) with the J 35616-200 Unpowered Test Light connected to BATTERY POSITIVE.

Is the test lamp illuminated?

Go to Step 9

Go to Step 18

9

Ensure the engine is idling.

Backprobe the AF Fuel Pump Relay coil power supply (control) terminal (86) with the J 35616-200 Unpowered Test Light connected to a known good ground.

Is the test lamp illuminated?

Go to Step 21

Go to Step 19

10

  1. With the ignition OFF remove the CNG 20 amp fuse in order to force a switch-over to gasoline.
  2. Crank the engine.

Does the engine start and run on gasoline?

Go to Step 23

Go to Step 11

11

  1. Turn the ignition OFF and wait 30 seconds.
  2. Disconnect the fuel pump harness connector (C019).
  3. Jumper the Fuel Pump Power circuit terminal (A) and the Fuel Pump circuit terminal (B) together. Jumper at the engine harness side of the connector in order to bypass the CNG harness.
  4. Crank the engine.

Does the engine start and run on gasoline?

Go to Step 20

Go to Step 12

12

  1. A failure exists in the one of the following:
  2. • The gasoline fuel pump
    • The fuel pump power circuit between the fuel pump harness connector (C019) and the fuel pump connector
    • The fuel pump ground circuit
  3. Refer to the gasoline service information in order to diagnose and repair the concern.

Are repairs complete?

Go to Step 23

--

13

  1. A failure exists in the GASOLINE fuel pump relay circuitry.
  2. Refer to the gasoline service information in order to diagnose and repair the concern.
  3. If a blown fuel pump fuse is indicated by the gasoline service information ensure that the related CNG harness circuits are inspected for shorts.

Are repairs complete?

Go to Step 23

--

14

Observe the test lamp as you crank the engine.

Is the test lamp illuminated while the engine is cranking?

Go to Step 15

Go to Engine Cranks but Does Not Run in Engine Controls-2.2L (LN2) in the J Platform Service Manual.

15

  1. Check the Fuel Pump Power circuit between the fuel pump harness connector (C019) terminal (A) and the splice (CNG harness side) for an open or poor terminal contact.
  2. Repair wiring or terminal contact as necessary.

Was a wiring or terminal repair made?

Go to Step 23

Go to Diagnostic System Check - Engine Controls in Engine Controls-2.2L (LN2) in the J Platform Service Manual.

16

Repair the open Fuel Pump Power circuit between the AF fuel pump relay terminal (30) and the splice.

Is the repair complete?

Go to Step 23

--

17

  1. Check AF fuel pump relay terminal contact.
  2. Check the AF fuel pump relay control circuit for a short to battery positive.
  3. Repair terminals or wiring as necessary.

Was a terminal or wiring repair made?

Go to Step 23

Go to Step 21

18

Repair the open AF fuel pump relay coil ground circuit between the AF fuel pump relay terminal (85) and the splice.

Is the repair complete?

Go to Step 23

--

19

  1. Check the AF ECU Fuel Pump Relay Control circuit terminal contact .
  2. Check for AF Fuel Pump Relay Control circuit continuity.
  3. Check the AF Fuel Pump Relay Control circuit for a short to ground.
  4. Repair terminals or wiring as necessary.

Was a terminal or wiring repair made?

Go to Step 23

Go to Step 22

20

Repair the open Fuel Pump circuit between the fuel pump harness connector (C019) terminal (B) and the AF fuel pump relay terminal (87A).

Is the repair complete?

Go to Step 23

--

21

Replace the AF fuel pump relay.

Is the replacement complete?

Go to Step 23

--

22

  1. Replace the AF ECU. Refer to Engine Control Unit Replacement .
  2. Program (flash) the replacement control module with the correct vehicle software and calibration.

Is the replacement complete?

Go to Step 23

--

23

  1. Remove all test equipment except the scan tool.
  2. Connect any disconnected components, fuses, etc.
  3. Using a scan tool clear DTC Information from the AF ECU and the gasoline control module (VCM/PCM or ECM).
  4. Turn the ignition OFF and wait 30 seconds.
  5. Start the engine and operate the vehicle.
  6. Observe the fuel indicator lamp and the MIL.
  7. Observe vehicle performance and driveability.
  8. After operating the vehicle inspect BOTH control modules for stored DTCs.

Does the vehicle operate on CNG with normal driveability, no FIL/MIL illumination and no stored DTCs?

System OK

Go to Diagnostic System Check - Alternative Fuels (Engine Controls)