GM Service Manual Online
For 1990-2009 cars only

Removal Procedure

  1. Drain the engine coolant. Refer to Cooling System Draining and Filling in Engine Cooling in the J Platform Service Manual.
  2. Raise the vehicle. Refer to Lifting and Jacking the Vehicle in General Information in the J Platform Service Manual.

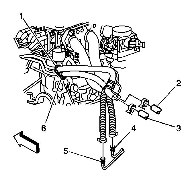
  3. Object Number: 798432  Size: SH
  4. Disconnect the clamps and remove the supply hose assembly (5) or the return hose assembly (6) from the high pressure regulator (HPR) underbody coolant lines.
  5. Disconnect the clamps and remove the supply hose (1) or the return hose assembly (6) from the heater core pipe (2,3).
  6. Lower the vehicle.
  7. Disconnect the clamp and remove the supply hose assembly (1) or the return hose assembly (6) from the engine pipe.

Disassembly Procedure


    Object Number: 762369  Size: SH
  1. Disconnect the clamp and remove the HPR hoses (7,8) from the coolant tee connector (3,4).
  2. Disconnect the clamp and remove the heater hoses (1,2) from the coolant tee connector (3,4).
  3. Disconnect the clamp and remove the engine coolant hoses (5,6) from the coolant tee connector (3,4).

Assembly Procedure


    Object Number: 762369  Size: SH
  1. Cut the engine pipe to heater core hose (5,6) as required in order to position the coolant tee (3,4).
  2. Place the remaining section of heater hose (1,2) on the opposite end of the coolant tee (3,4)
  3. Install the engine and heater hose clamps at the coolant tee connector (3,4).
  4. Install the proper cut length of coolant hose (6,7) at the coolant tee connector (3,4) HPR fitting.
  5. Install the HPR coolant hose clamps at the coolant tee connector.

Installation Procedure


    Object Number: 798432  Size: SH
  1. Connect the supply hose assembly (1) or the return hose assembly (6) to the engine pipe fitting and install the clamp.
  2. Raise the vehicle. Refer to Lifting and Jacking the Vehicle in General Information in the J Platform Service Manual.
  3. Important: Connect the supply hose assembly to the proper heater core pipe. Ensure enough clearance exists between the heater hose assemblies and the throttle body cam in order to prevent interference with throttle cam movement.

  4. Connect the supply hose assembly (1) to the heater core pipe (3) or connect the return hose assembly (6) to the heater core pipe (2). Install the clamps.
  5. Connect the supply hose assembly (5) or the return hose assembly (4) to the HPR underbody coolant lines. Install the clamps.
  6. Lower the vehicle.
  7. Refill the engine coolant. Refer to Cooling System Draining and Filling in Engine Cooling in the J Platform Service Manual.