GM Service Manual Online
For 1990-2009 cars only

Generator Replacement L18

Removal Procedure

Caution: Unless directed otherwise, the ignition and start switch must be in the OFF or LOCK position, and all electrical loads must be OFF before servicing any electrical component. Disconnect the negative battery cable to prevent an electrical spark should a tool or equipment come in contact with an exposed electrical terminal. Failure to follow these precautions may result in personal injury and/or damage to the vehicle or its components.


    Object Number: 747122  Size: SH
  1. Disconnect the negative battery cable. Refer to Battery Negative Cable Disconnection and Connection .
  2. Remove the drive belt. Refer to Drive Belt Replacement in Engine Mechanical 8.1L.
  3. Disconnect the generator electrical connector (1).

  4. Object Number: 747121  Size: SH
  5. Reposition the positive battery cable boot.
  6. Remove the positive battery cable nut.
  7. Remove the positive battery cable from the stud.

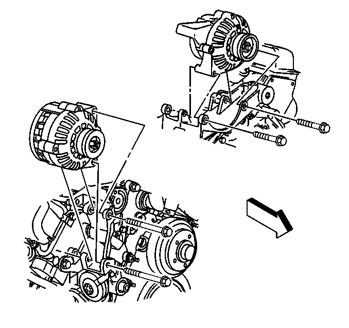
  8. Object Number: 747120  Size: SH
  9. Remove the generator bolts (1).
  10. Remove the generator.

Installation Procedure


    Object Number: 747120  Size: SH
  1. Install the generator.
  2. Notice: Use the correct fastener in the correct location. Replacement fasteners must be the correct part number for that application. Fasteners requiring replacement or fasteners requiring the use of thread locking compound or sealant are identified in the service procedure. Do not use paints, lubricants, or corrosion inhibitors on fasteners or fastener joint surfaces unless specified. These coatings affect fastener torque and joint clamping force and may damage the fastener. Use the correct tightening sequence and specifications when installing fasteners in order to avoid damage to parts and systems.

  3. Install the generator bolts (1).
  4. Tighten
    Tighten the generator bolts to 50 N·m (37 lb ft).


    Object Number: 747121  Size: SH
  5. Install the positive battery cable from the stud.
  6. Install the positive battery cable nut.
  7. Tighten
    Tighten the positive battery cable nut to 9 N·m (80 lb in).

  8. Position the positive battery cable boot.

  9. Object Number: 747122  Size: SH
  10. Connect the generator electrical connector (1).
  11. Install the drive belt. Refer to Drive Belt Replacement in Engine Mechanical - 8.1L.
  12. Connect the negative battery cable. Refer to Battery Negative Cable Disconnection and Connection .

Generator Replacement L65

Removal Procedure


    Object Number: 184024  Size: SH
  1. Disconnect the batteries negative cable. Refer to Battery Negative Cable Disconnection and Connection .
  2. Disconnect the terminal plug from the back of the generator.
  3. Disconnect the battery lead from the back of the generator.
  4. Remove the drive belt from the generator. Refer to Drive Belt Replacement in Engine Mechanical - 6.5L.

  5. Object Number: 388424  Size: SH
  6. Remove the generator mounting bolts holding the generator to the bracket.
  7. Remove the generator.

Installation Procedure


    Object Number: 388424  Size: SH
  1. Install the generator.
  2. Notice: Use the correct fastener in the correct location. Replacement fasteners must be the correct part number for that application. Fasteners requiring replacement or fasteners requiring the use of thread locking compound or sealant are identified in the service procedure. Do not use paints, lubricants, or corrosion inhibitors on fasteners or fastener joint surfaces unless specified. These coatings affect fastener torque and joint clamping force and may damage the fastener. Use the correct tightening sequence and specifications when installing fasteners in order to avoid damage to parts and systems.

  3. Install the generator mounting bolts.
  4. Tighten
    Tighten the generator mounting bolts to 50 N·m (37 lb ft).

  5. Install the drive belt to the generator. Refer to Drive Belt Replacement in Engine Mechanical - 6.5L.

  6. Object Number: 184024  Size: SH
  7. Connect the battery lead to the back of the generator.
  8. Tighten
    Tighten the battery terminal nut to 8 N·m (71 lb in).

  9. Connect the terminal plug to the back of the generator.
  10. Connect the battery negative cable. Refer to Battery Negative Cable Disconnection and Connection .