GM Service Manual Online
For 1990-2009 cars only

Removal Procedure


    Object Number: 358421  Size: SH
  1. Remove the engine cover from the upper intake manifold.

  2. Object Number: 533446  Size: SH
  3. Remove the crankcase depression regulator (CDR) valve from the right valve rocker arm cover.

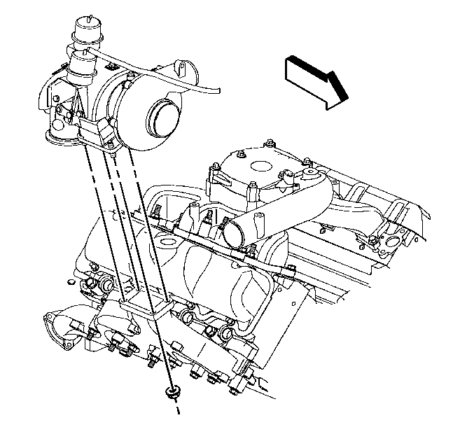
  4. Object Number: 177115  Size: SH
  5. Remove the braces from the turbocharger and the upper and lower intake manifold.
  6. Important: Some quantity of oil will exist inside the vent system. The crankcase vapor consist of vaporized oil that condenses within the vent and intake system. The inside of the air duct and compressor wheel housing will have some oil due to the venting of the crankcase vapors.

  7. Loosen the clamps on the hose between the air cleaner assembly and the turbocharger.

  8. Object Number: 520276  Size: SH

    Important: Silicone sealant is used on the hose between the upper intake manifold and the turbocharger.

  9. Remove the hose between the upper intake manifold and the turbocharger assembly.
  10. 5.1. Use a small flat bladed screwdriver to break the seal on the hose between the upper intake manifold and the turbocharger.
    5.2. Slide the hose and the clamps toward the upper intake manifold.

    Object Number: 177108  Size: SH
  11. Remove the oil feed line from the turbocharger and position to the side.
  12. Partially raise the vehicle. Refer to Lifting and Jacking the Vehicle in General Information.
  13. Remove the right front tire from the vehicle. Refer to Tire and Wheel Removal and Installation in Tires and Wheels.

  14. Object Number: 551000  Size: SH
  15. Remove the splash guard between the wheelhouse and the frame.

  16. Object Number: 177088  Size: SH
  17. Remove the exhaust pipe from the turbocharger.

  18. Object Number: 177097  Size: SH
  19. Remove the oil return line from the turbocharger.

  20. Object Number: 520279  Size: SH
  21. Remove the turbocharger from the right exhaust manifold.
  22. Clean the all mounting bolts for the turbocharger.
  23. Clean and inspect the sealing surface of the exhaust manifold.
  24. Clean the intake hoses for the turbocharger.
  25. Inspect the turbocharger sealing surfaces and intake hoses for damage.
  26. Replace the parts that have damaged sealing surfaces.

Installation Procedure


    Object Number: 520279  Size: SH

    Important: Inspect for foreign material in the intake and exhaust systems leading to and from the turbocharger.

  1. Clean the inside of the intake and exhaust system for the turbocharger.
  2. Install the turbocharger on the right exhaust manifold.
  3. Apply a small amount of high temperature anti seize compound, GM P/N 1052771 on all the threaded fasteners for the turbocharger.
  4. Notice: Use the correct fastener in the correct location. Replacement fasteners must be the correct part number for that application. Fasteners requiring replacement or fasteners requiring the use of thread locking compound or sealant are identified in the service procedure. Do not use paints, lubricants, or corrosion inhibitors on fasteners or fastener joint surfaces unless specified. These coatings affect fastener torque and joint clamping force and may damage the fastener. Use the correct tightening sequence and specifications when installing fasteners in order to avoid damage to parts and systems.

  5. Install the turbocharger bolts in the right exhaust manifold.
  6. Tighten
    Tighten the bolts to 58 N·m (43 lb ft).


    Object Number: 177097  Size: SH
  7. Install the oil return line and gasket to the turbocharger and engine block.
  8. Tighten
    Tighten all the bolts to 26 N·m (19 lb ft).


    Object Number: 177088  Size: SH
  9. Install the exhaust pipe to the turbocharger.
  10. Install the exhaust clamp.
  11. Tighten
    Tighten the exhaust clamp to 12 N·m (106 lb in).


    Object Number: 551000  Size: SH
  12. Install the splash guard between the wheel housing and the frame.
  13. Install the right front tire on the vehicle. Refer to Tire and Wheel Removal and Installation in Tires and Wheels.
  14. Lower the vehicle.

  15. Object Number: 177108  Size: SH

    Important: Lubricate the turbocharger with clean engine oil before installing.

  16. Pour a small amount of clean engine oil (3-6 cc (0.1-0.2 oz)) into the oil feed hole before installing the oil feed line on the turbocharger.
  17. Turn the compressor wheel by hand to lubricate the bearings in the turbocharger.
  18. Install the oil supply hose to the turbocharger.
  19. Tighten
    Tighten the fitting to 28 N·m (21 lb ft).


    Object Number: 520276  Size: SH

    Important: Sealing the turbocharger inlet to intake manifold connection is to prevent oil leakage.

  20. Apply a small amount of RTV silicone sealant, GM P/N 12346240 or equivalent, to a clean turbocharger compressor inlet and the upper intake manifold connection.
  21. Install the hose (with clamps) between the turbocharger and the upper intake manifold:
  22. 15.1. Slide the hose over the upper intake manifold.
    15.2. Slide the hose back toward the turbocharger compressor inlet.
  23. Center the hose and tighten the clamps.
  24. Tighten
    Tighten the hose clamps to 6 N·m (50 lb in).


    Object Number: 177115  Size: SH
  25. Install the bolt for long brace from the turbocharger to the upper intake manifold.
  26. Tighten
    Tighten the bolt to 50 N·m (37 lb ft).

  27. Install the nut for the long brace on the lower intake manifold.
  28. Tighten
    Tighten the nut to 40 N·m (30 lb ft).

  29. Install the short brace from the turbocharger to the upper intake manifold.
  30. Install the bolts for the short brace in the turbocharger and the upper intake manifold.
  31. Tighten
    Tighten the bolts to 25 N·m (19 lb ft).

  32. Install the vacuum line to the wastegate actuator.

  33. Object Number: 533446  Size: SH
  34. Install the CDR valve to the right vale rocker arm cover.
  35. Install the air intake duct to the turbocharger assembly.

  36. Object Number: 358421  Size: SH
  37. Install the engine cover to the upper intake manifold.
  38. Start and run the engine at an idle for at least 2 minutes after completing the installation of the turbocharger. While running the engine, check for any oil leaks at the oil feed or return line and repair as necessary.