GM Service Manual Online
For 1990-2009 cars only

Removal Procedure

  1. Disconnect the electrical connector from the exhaust gas recirculation (EGR) valve.

  2. Object Number: 717186  Size: SH
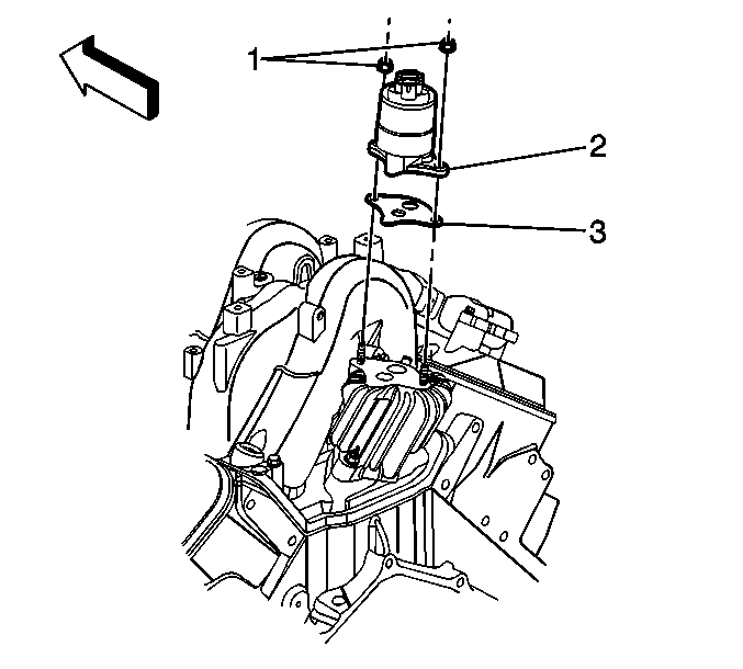
  3. Remove the two EGR valve retaining nuts (1).
  4. Remove the EGR valve (2).
  5. Remove the gasket (3) from the EGR valve adapter bracket.
  6. Clean the EGR valve adapter bracket from dirt and debris.

Installation Procedure

  1. Install a new gasket (3) on the EGR adapter bracket.

  2. Object Number: 717186  Size: SH

    Notice: Use the correct fastener in the correct location. Replacement fasteners must be the correct part number for that application. Fasteners requiring replacement or fasteners requiring the use of thread locking compound or sealant are identified in the service procedure. Do not use paints, lubricants, or corrosion inhibitors on fasteners or fastener joint surfaces unless specified. These coatings affect fastener torque and joint clamping force and may damage the fastener. Use the correct tightening sequence and specifications when installing fasteners in order to avoid damage to parts and systems.

  3. Install the EGR (2) valve and two nuts (1).
  4. Tighten
    Tighten the nuts to 22 N·m (16 lb ft).

  5. Connect the EGR valve electrical connector.