GM Service Manual Online
For 1990-2009 cars only

Power Steering Pump Replacement 8.1L

Tools Required

    • J 25033-C Power Steering Pump Pulley Installer
    • J 25034-C Power Steering Pump Pulley Remover

Removal Procedure


    Object Number: 649303  Size: SH
  1. Remove the radiator fan shroud. Refer to Fan Shroud Replacement in Engine Cooling.
  2. Remove the drive belt. Refer to Drive Belt Replacement in Engine Mechanical - 8.1L.
  3. Remove the power steering pump pulley. Refer to Power Steering Pump Pulley Replacement .

  4. Object Number: 656333  Size: SH
  5. Place a drain pan under the pump (1).
  6. Remove the hoses from the pump.
  7. Remove the bolts from the front of the pump.

  8. Object Number: 644347  Size: SH
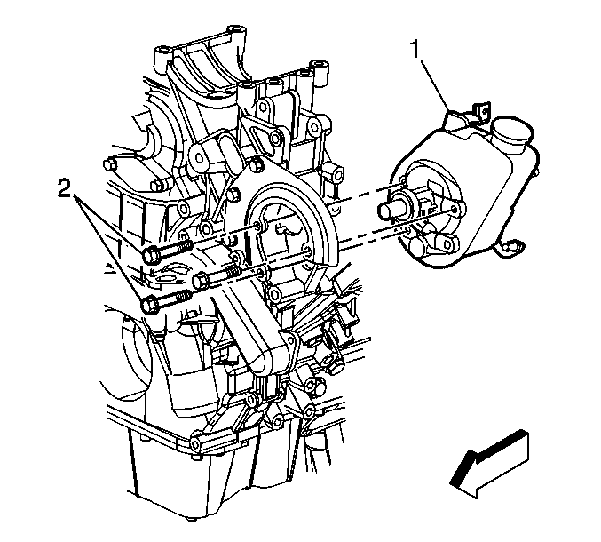
  9. Remove the nuts (4) from the rear of the pump.
  10. Remove the pump (1) from the vehicle.

Installation Procedure


    Object Number: 656333  Size: SH
  1. Install the pump (1).
  2. Notice: Use the correct fastener in the correct location. Replacement fasteners must be the correct part number for that application. Fasteners requiring replacement or fasteners requiring the use of thread locking compound or sealant are identified in the service procedure. Do not use paints, lubricants, or corrosion inhibitors on fasteners or fastener joint surfaces unless specified. These coatings affect fastener torque and joint clamping force and may damage the fastener. Use the correct tightening sequence and specifications when installing fasteners in order to avoid damage to parts and systems.

  3. Install the bolts to the front of the pump.
  4. Tighten
    Tighten the bolts to 50 N·m (37 lb ft).


    Object Number: 644347  Size: SH
  5. Install the nuts (4) to the rear of the pump (1).
  6. Tighten
    Tighten the bolts to 50 N·m (37 lb ft).

  7. Install the hoses to the pump.
  8. Tighten
    Tighten the nut to 28 N·m (20 lb ft).


    Object Number: 643361  Size: SH
  9. Install the power steering pump pulley. Refer to Power Steering Pump Pulley Replacement .
  10. Install the drive belt. Refer to Drive Belt Replacement in Engine Mechanical - 8.1L.
  11. Install the radiator shroud. Refer to Fan Shroud Replacement in Engine Cooling.
  12. Fill and bleed the power steering system. Refer to Power Steering System Bleeding .

Power Steering Pump Replacement 6.5L Diesel

Tools Required

    • J 25034-C Power Steering Pump Pulley Remover
    • J 25033-C Power Steering Pump Pulley Installer

Removal Procedure

  1. Remove the upper fan shroud. Refer to Fan Shroud Replacement in Engine Cooling.
  2. Remove the drive belt. Refer to Drive Belt Replacement in Diesel Engine Mechanical 6.5L.

  3. Object Number: 649303  Size: SH
  4. Remove the power steering pump pulley. Refer to Power Steering Pump Pulley Replacement .
  5. Place a drain pan below the pump.

  6. Object Number: 245023  Size: SH
  7. Remove the front mounting bolts.
  8. Remove the rear mounting nut from the stud.
  9. Remove the power steering pressure and return hoses.
  10. Cap the power steering hoses.
  11. Remove the pump.

  12. Object Number: 644347  Size: SH
  13. Remove the rear mounting bracket (3) from the pump.

Installation Procedure


    Object Number: 644347  Size: SH

    Notice: Use the correct fastener in the correct location. Replacement fasteners must be the correct part number for that application. Fasteners requiring replacement or fasteners requiring the use of thread locking compound or sealant are identified in the service procedure. Do not use paints, lubricants, or corrosion inhibitors on fasteners or fastener joint surfaces unless specified. These coatings affect fastener torque and joint clamping force and may damage the fastener. Use the correct tightening sequence and specifications when installing fasteners in order to avoid damage to parts and systems.

  1. Install the rear mounting bracket (3).
  2. Tighten
    Tighten the rear bracket nuts to 50 N·m (37 lb ft).

  3. Install the power steering pressure and return hoses.
  4. Tighten
    Tighten the hose fittings to 28 N·m (20 lb ft).

  5. Install the power steering pump.

  6. Object Number: 245023  Size: SH
  7. Install the front mounting bolts.
  8. Tighten
    Tighten the bolts to 50 N·m (37 lb ft).


    Object Number: 643361  Size: SH
  9. Install the power steering pump pulley. Refer to Power Steering Pump Pulley Replacement .
  10. Install the drive belt. Refer to Drive Belt Replacement in 6.5L Diesel Engine Mechanical.
  11. Install the upper fan shroud. Refer to Fan Shroud Replacement in Engine Cooling.
  12. Fill and bleed the system. Refer to Checking and Adding Power Steering Fluid and Power Steering System Bleeding .