GM Service Manual Online
For 1990-2009 cars only

Power Brake Booster Inlet Hose Replacement Gas

Removal Procedure


    Object Number: 650858  Size: SH

    Notice: Do not start the vehicle with any power steering gear inlet or outlet hoses disconnected. When disconnected, plug or cap all openings of components. Failure to do so could result in contamination or loss of power steering fluid and damage to the system.

  1. Raise the vehicle. Refer to Lifting and Jacking the Vehicle .
  2. Remove the engine protection shield. Refer to Engine Protection Shield Replacement .
  3. Install a drain pan under the vehicle.
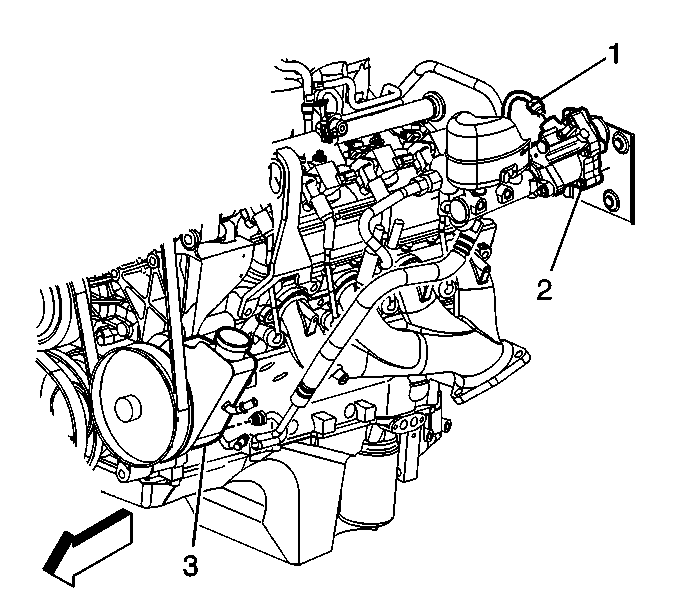
  4. Remove the brake booster inlet hose (1) from the brake booster (2).
  5. Lower the vehicle.
  6. Remove the brake booster inlet hose from the power steering pump.
  7. Remove the brake booster inlet hose from the vehicle.

Installation Procedure


    Object Number: 650858  Size: SH

    Notice: The inlet and outlet hoses must not be twisted during installation. Do not bend or distort the inlet or outlet hoses to make installation easier. Failure to follow these procedures could result in component damage.

  1. Route the hose in the same position the hose occupied prior to removal.
  2. Install the brake booster inlet hose (1) to the brake booster (2). Hand tighten only.
  3. Raise the vehicle.
  4. Notice: Refer to Fastener Notice in the Preface section.

  5. Install the brake booster inlet hose to the power steering pump.
  6. Tighten
    Tighten the brake booster inlet hose fittings to 28 N·m (21 lb ft).

  7. Install the engine protection shield. Refer to Engine Protection Shield Replacement .
  8. Lower the vehicle.
  9. Tighten the brake booster inlet hose to brake booster.
  10. Tighten
    Tighten the brake booster inlet hose fitting to 28 N·m (21 lb ft).

  11. Remove the drain pan from under the vehicle.
  12. Bleed the power steering system. Refer to Power Steering System Bleeding .