GM Service Manual Online
For 1990-2009 cars only
Figure 1:

Throttle Actuator Control (TAC) Module


Object Number: 696063  Size: MF
(1)Cowl
(2)TAC Module Connector C2
(3)Throttle Actuator Control (TAC) Module
(4)TAC Connector C1
(5)Left Side Inner Fender
(6)Fuse Block - Underhood
(7)Passthrough P100
(8)Engine Harness
Figure 2:

Fuse Block - Underhood, PCM, EBCM, and Aux Battery


Object Number: 696066  Size: MF
(1)Fuse Block - Underhood
(2)Connectors to PCM
(3)Powertrain Control Module (PCM)
(4)Left Side Fender
(5)EBCM Connector C1
(6)Auxiliary Battery, if equipped
(7)EBCM Connector C3
(8)Electronic Brake Control Module (EBCM)
(9)Engine Harness
Figure 3:

A/C Compressor Connectors, C105, and C148


Object Number: 716309  Size: MF
(1)A/C High Pressure Recirculation Switch
(2)A/C High Pressure Recirculation Switch Connector
(3)Engine Harness
(4)Connector C105 to Fuel Injector Harness
(5)Connector C148 to Ignition Coil Harness - Left Side
(6)A/C High Pressure Switch
(7)A/C Compressor Clutch Connector
Figure 4:

Throttle Body and EVAP Control


Object Number: 696068  Size: MF
(1)Engine Harness
(2)Intake Manifold
(3)Evaporative Emission (EVAP) Canister Purge Solenoid
(4)Throttle Position (TP) Sensor
(5)Throttle Position (TP) Sensor Connector
(6)Throttle Actuator Control Motor
(7)Throttle Actuator Control Motor Connector
(8)Evaporative Emission (EVAP) Canister Purge Solenoid Connector
Figure 5:

Camshaft Position (CMP) Sensor and Knock Sensor (KS) - Left Side


Object Number: 696070  Size: MF
(1)Camshaft Position (CMP) Sensor
(2)Knock Sensor (KS) - Left Side
Figure 6:

MAP Sensor, ECT Sensor, and Ignition Coils - Right Side


Object Number: 696072  Size: MF
(1)Manifold Absolute Pressure (MAP) Sensor
(2)Engine Harness
(3)Ignition Coil (IC) - Right Side - Typical
(4)Connector C149 - Engine Harness
(5)Engine Coolant Temperature (ECT) Sensor Connector
(6)ECT Sensor - Engine Harness
(7)C149 - Right Side Ignition Coil Harness
Figure 7:

Starter and Knock Sensor - Bank 2


Object Number: 712941  Size: MF
(1)Starter Solenoid Terminal
(2)Battery Positive Wire for Starter
(3)Knock Sensor - Bank 2
(4)Engine Harness
Figure 8:

MAF and IAT Sensor


Object Number: 696074  Size: MF
(1)Engine Coolant Reservoir
(2)Engine Harness
(3)Air Cleaner
(4)MAF and IAT Sensor Connector
(5)Battery
Figure 9:

P101, A/C Low Pressure Switch and G108


Object Number: 696075  Size: MF
(1)Right Fender
(2)Engine Coolant Reservoir
(3)A/C Low Pressure Switch
(4)A/C Refrigerant Accumulator
(5)Ground G108
(6)Connector for Underhood Lamp
(7)Refrigerant Suction Line
(8)Engine Harness
(9)Radiator Overflow Hose
(10)Passthrough P101
Figure 10:

EGR Valve, Engine Oil Pressure (EOP) Sensor, G104, and G105


Object Number: 696079  Size: MF
(1)Exhaust Gas Recirculation (EGR) Valve
(2)Engine Oil Pressure (EOP) Sensor
(3)Engine Oil Pressure (EOP) Sensor Connector
(4)Ground G104
(5)Ground G105
(6)Engine Harness
Figure 11:

Crankshaft Position (CKP) Sensor and Engine Oil Pressure (EOP) Sensor


Object Number: 696081  Size: MF
(1)Engine Oil Pressure (EOP) Sensor
(2)Crankshaft Position (CKP) Sensor
Figure 12:

Manual Transmission


Object Number: 675761  Size: MF
(1)Engine Wiring Harness
(2)Breakout to Heated Oxygen Sensor - Bank 2
(3)Vehicle Speed Sensor
(4)Backup Lamps Switch
(5)Heated Oxygen Sensor - Bank 1
Figure 13:

Automatic Transmission


Object Number: 675762  Size: MF
(1)Breakout to Heated Oxygen Sensor - Bank 2
(2)Vehicle Speed Sensor/Transmission Output Shaft Speed Sensor
(3)Connector C122
(4)Park/Neutral Position Switch C2
(5)Park/Neutral Position Switch C1
(6)Park/Neutral Position (PNP) Switch
(7)Transmission Input Shaft Speed Sensor
(8)Heated Oxygen Sensor - Bank 1
(9)Engine Wiring Harness
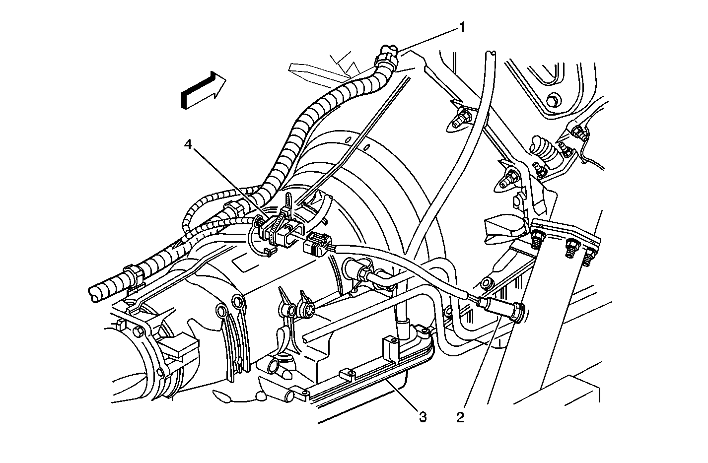
Figure 14:

Heated Oxygen Sensor (H02S) - Bank 2


Object Number: 696086  Size: MF
(1)Engine Harness
(2)Heated Oxygen Sensor - Bank 2
(3)Transmission - A/T shown, M/T similar
(4)Heated Oxygen Sensor Connector
Figure 15:

Fuel Tank and G404


Object Number: 705230  Size: MF
(1)Fuel Pump and Sender Assembly
(2)Ground G404
(3)Fuel Tank
(4)Fuel Pump and Sender Assembly Connector
(5)Tail Lamps Extension Harness
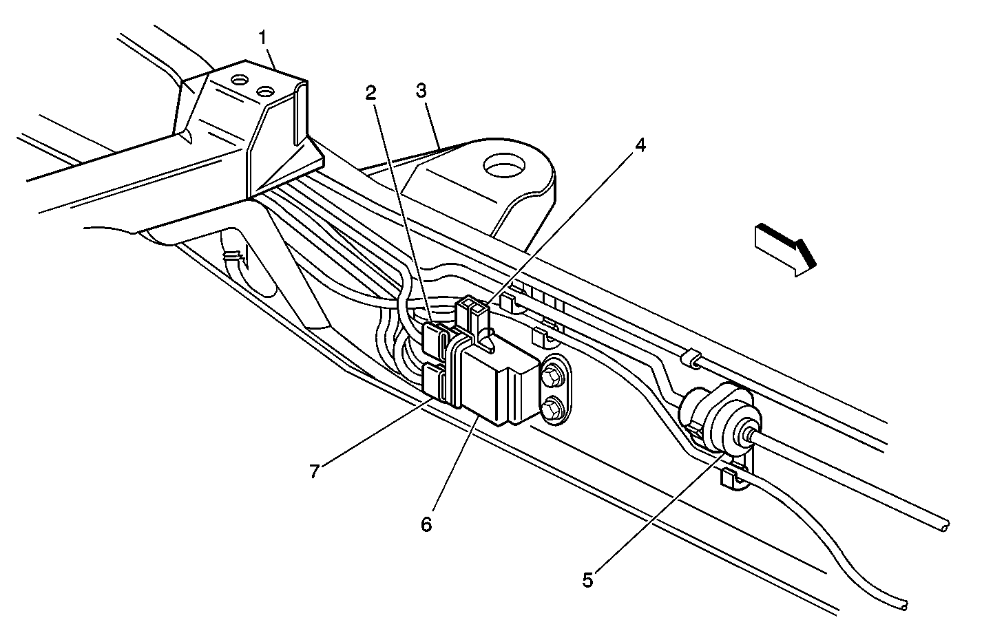
Figure 16:

Fuel Balance Module - Dual Tanks, and Fuel Filter


Object Number: 705233  Size: MF
(1)Frame Cross Member
(2)Fuel Balance Module Connector C1
(3)Left Rear Cab Mount
(4)Fuel Balance Pump Relay
(5)Fuel Filter
(6)Fuel Balance Module
(7)Fuel Balance Module Connector C2
Figure 17:

Auxiliary Fuel Tank and Fuel Pump - Secondary - Dual Tank Option


Object Number: 705239  Size: MF
(1)Left Tail Lamp Assembly
(2)Tail Lamp Extension Harness
(3)Fuel Pump - Secondary
(4)Fuel Pump - Secondary Connector
(5)Fuel Level Sensor - Secondary Assembly
(6)Fuel Level Sensor - Secondary Connector
(7)Auxiliary Fuel Tank
Figure 18:

Accelerator Pedal Position (APP) Sensor


Object Number: 696088  Size: MF
(1)IP Harness
(2)Accelerator Pedal Position (APP) Sensor
Figure 19:

Data Link Connector (DLC)


Object Number: 542437  Size: MF
(1)Data Link Connector (DLC)
Figure 20:

Theft Deterrent Control Module and DRL Diode


Object Number: 372215  Size: MF
(1)IP Harness
(2)Daytime Running Lamps (DRL) Diode Connector
(3)DRL Diode
(4)Theft Deterrent Control Module Connector
(5)Theft Deterrent Control Module