GM Service Manual Online
For 1990-2009 cars only

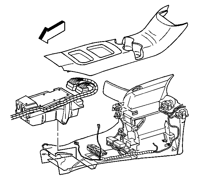
Removal Procedure

  1. Remove the floor console from the vehicle. Refer to Front Floor Console Replacement in Instrument Panel, Gages and Console.

  2. Object Number: 288161  Size: SH
  3. Remove the console to speaker bolts.
  4. Disconnect the electrical connector from the front floor console speaker, this is a small 2 pin connector located on the end of the speaker.
  5. Remove the speaker from the console.

Installation Procedure


    Object Number: 288161  Size: SH
  1. Install the front floor console speaker to the console.
  2. Notice: Use the correct fastener in the correct location. Replacement fasteners must be the correct part number for that application. Fasteners requiring replacement or fasteners requiring the use of thread locking compound or sealant are identified in the service procedure. Do not use paints, lubricants, or corrosion inhibitors on fasteners or fastener joint surfaces unless specified. These coatings affect fastener torque and joint clamping force and may damage the fastener. Use the correct tightening sequence and specifications when installing fasteners in order to avoid damage to parts and systems.

  3. Install the console to speaker bolts.
  4. Tighten
    Tighten the console to speaker bolts to 6 N·m (53 lb in).

  5. Install the electrical connector to the console speaker.
  6. Install the floor console to the vehicle. Refer to Front Floor Console Replacement in Instrument Panel, Gages and Console.