GM Service Manual Online
For 1990-2009 cars only

Removal Procedure A

    Caution: Unless directed otherwise, the ignition and start switch must be in the OFF or LOCK position, and all electrical loads must be OFF before servicing any electrical component. Disconnect the negative battery cable to prevent an electrical spark should a tool or equipment come in contact with an exposed electrical terminal. Failure to follow these precautions may result in personal injury and/or damage to the vehicle or its components.

  1. Disconnect the negative battery cable(s).
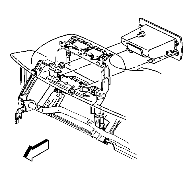
  2. Remove the three relay center bolts from the underside of the wheel opening.
  3. Remove the bulkhead connector.
  4. Remove the following components from the bulkhead connector:
  5. • The screws from the convenience center to the cowl
    • The cruise control harness (if equipped)
    • The forward lamp harness
  6. Remove the coolant reservoir. Refer Coolant Recovery Reservoir Replacement in Engine Cooling.
  7. Disconnect the antenna lead-in and the grommet.
  8. Remove the knee bolster. Refer to Knee Bolster Replacement .
  9. Remove the steering shaft pinch bolt.
  10. Remove the left and the right sill plate front screw.
  11. Remove the left and the right hinge pillar trim panels. Refer to Body Hinge Pillar Trim Panel Replacement in Interior Trim.
  12. Remove the brake release handle from the cable. Refer to Parking Brake Release Handle Assembly Replacement .
  13. The clip releases the handle from the cable.

  14. Remove the reaction plate assembly.
  15. Remove the tie bar.
  16. Remove the knee deflector bracket.
  17. Disconnect the 8-way column connector.
  18. Disconnect the 48-way connector retainer in order to access the 2 lower column nuts.
  19. Disconnect the shift cable (automatic transmission). Refer to Shift Cable Replacement in Automatic Transmission.
  20. Remove the steering column from the vehicle. Refer to Steering Column Replacement in Steering Wheel and Column - Standard or Steering Column Replacement in Steering Wheel and Column - Tilt.
  21. Remove the manual transmission shift lever.
  22. Remove the front floor console, if necessary. Refer to Front Floor Console Replacement in Interior Trim.

  23. Object Number: 277086  Size: SH
  24. Remove the left and the right lower IP pivot bolts.

  25. Object Number: 277093  Size: SH
  26. Remove the IP storage compartment door.
  27. Remove the IP storage compartment. Refer to Instrument Panel Storage Compartment Replacement .
  28. Squeeze the compartment in order to release the compartment.

  29. Remove the 2 IP attaching bolts through the storage compartment door.

  30. Object Number: 277087  Size: SH
  31. Remove the center support screw.
  32. Remove the three IP upper support screws.
  33. Remove the IP from the front of the dash.
  34. Disconnect the park brake release handle. Refer to Parking Brake Release Handle Assembly Replacement in Park Brake.
  35. Disconnect the following electrical connectors as necessary:
  36. • The Heating, Ventilation and Air Conditioning Module (HVACM)
    • The 22-way engine harness
    • The stoplamp switch. Refer to Stop Lamp Switch Replacement in Brakes.
    • The vehicle speed sensor (VSS) calibrator module. Refer to Vehicle Speed Sensor Module Replacement .
    • The clutch or brake release switches
    • The electronic accelerator (Diesel)
    • The HVAC control cables (if equipped). Refer to Temperature Control Cable Replacement or Mode Control Cable Replacement in HVAC.
  37. Remove the IP from the vehicle.

Removal Procedure B (Continued)

To this point, the IP removal is complete. If the IP is being replaced or refinished, then use the following procedure in order to transfer parts that are not furnished with the new IP.


    Object Number: 277106  Size: SH
  1. Remove the accessory switch(es) as necessary.
  2. Remove the instrument cluster bezel. Refer to Instrument Panel Cluster Trim Plate Bezel Replacement .
  3. Remove the headlamp switch.
  4. Remove the HVAC control assembly.
  5. 4.1. Disconnect the electrical connectors.
    4.2. Disconnect the cables (if equipped). Refer to Temperature Control Cable Replacement or Mode Control Cable Replacement in HVAC.
  6. Remove the instrument cluster screws and the cluster. Refer to Instrument Cluster Replacement .

  7. Object Number: 277092  Size: SH
  8. Remove the IP auxiliary storage compartment (if equipped).
  9. Remove the IP cupholder. Refer to Cupholder Replacement .
  10. Remove the ashtray assembly. Refer to Ashtray Replacement .
  11. Remove the radio from the carrier. Refer to Radio Replacement in Entertainment.
  12. Remove the 2 air distribution duct screws.
  13. Remove the air distributor duct from the IP.
  14. Squeeze the clips from the front of the IP in order to release the duct.

  15. Disconnect the antenna lead-in.
  16. Remove the retaining clips from the IP compartment assembly.

  17. Object Number: 277089  Size: SH
  18. Remove the four nuts that retain the IP compartment assembly to the carrier (vehicles over 8,600 GVWR).
  19. Remove the rosebud retainers on the right side of the IP forward harness.

  20. Object Number: 277093  Size: SH
  21. Remove the IP storage compartment.
  22. Squeeze the compartment in order to release the compartment.

  23. Remove the IP storage compartment lamp.
  24. Slide the compartment in order to release the compartment.

  25. Remove the low coolant module (Diesel only).
  26. Remove the data link connector (DLC).
  27. 19.1. Remove the one screw.
    19.2. Slide the DLC out.
  28. Remove the harness retainer to accessory switches.
  29. Remove the fuse panel and the courtesy lamp switch.
  30. Remove the ground screw.
  31. Remove the harness from the IP.
  32. Remove the jumper harness to the remote playback device (if equipped).
  33. Remove the courtesy lamp switches.
  34. Remove the side window defogger outlets.
  35. Remove the park brake cable clips.
  36. Remove both of the air outlet deflectors.
  37. Remove the IP storage compartment door check strap.
  38. Remove the IP storage compartment door striker.

Installation Procedure B

Important: If you only used Removal Procedure A, skip Installation Procedure B and proceed directly to Installation Procedure A.

  1. Install the IP storage compartment door striker.
  2. Install the IP storage compartment door check strap to the tubular steel tie bar.
  3. Install both of the air outlet deflectors.
  4. Connect the parking brake release handle. Refer to Parking Brake Release Handle Assembly Replacement in Park Brake.
  5. Install the side window defogger outlets.
  6. Install the courtesy lamp switch.
  7. Connect the electrical connector.

  8. Install the jumper harness to the remote playback device (if equipped).
  9. Install the harness to the IP.
  10. Install the ground screw.
  11. Install the fuse panel and the courtesy lamp switch.
  12. Install the harness retainer to accessory switches.
  13. Install the data link connector (DLC).
  14. 12.1. Slide in the DLC.
    12.2. Install the one screw.
  15. Install the low coolant module (Diesel only).
  16. Install the IP storage compartment lamp.
  17. Install the rosebud retainers for the harness on the right side of the IP.

  18. Object Number: 277089  Size: SH
  19. Install the retaining clips to the IP compartment assembly.
  20. Connect the antenna lead-in.
  21. Install the air distributor duct to the IP.
  22. Notice: Use the correct fastener in the correct location. Replacement fasteners must be the correct part number for that application. Fasteners requiring replacement or fasteners requiring the use of thread locking compound or sealant are identified in the service procedure. Do not use paints, lubricants, or corrosion inhibitors on fasteners or fastener joint surfaces unless specified. These coatings affect fastener torque and joint clamping force and may damage the fastener. Use the correct tightening sequence and specifications when installing fasteners in order to avoid damage to parts and systems.

  23. Install the 2 air distributor duct screws.
  24. Tighten
    Tighten the 2 air distributor duct screws to 2 N·m (18 lb in).

  25. Install the radio into the carrier. Refer to Radio Replacement in Entertainment.
  26. Install the ashtray assembly. Refer to Ashtray Replacement .
  27. Install the IP cupholder. Refer to Cupholder Replacement .

  28. Object Number: 277092  Size: SH
  29. Install the IP auxiliary storage compartment (if equipped).
  30. Install the instrument cluster. Refer to Instrument Cluster Replacement .
  31. Install the HVAC control assembly.
  32. Install the headlamp switch.
  33. Install the instrument cluster bezel. Refer to Instrument Panel Cluster Trim Plate Bezel Replacement .

  34. Object Number: 277106  Size: SH
  35. Install the accessory switch(es) as necessary.

Installation Procedure A (Continued)

  1. Install the IP to the vehicle.
  2. Rest the IP on the lower pivot studs.

  3. Connect the following electrical connectors as necessary.
  4. • The Heating, Ventilation and Air Conditioning module (HVACM)
    • The 22-way engine harness
    • The stoplamp switch. Refer to Stop Lamp Switch Replacement in Brakes.
    • The vehicle speed sensor (VSS) calibrator module. Refer to Vehicle Speed Sensor Module Replacement .
    • The clutch or brake release switches
    • The electronic accelerator (Diesel)
    • The HVAC control cables (if equipped). Refer to Temperature Control Cable Replacement or Mode Control Cable Replacement in HVAC.
  5. Connect the park brake release handle. Refer to Parking Brake Release Handle Assembly Replacement in Park Brake.
  6. Install the IP to the cowl.
  7. Notice: Use the correct fastener in the correct location. Replacement fasteners must be the correct part number for that application. Fasteners requiring replacement or fasteners requiring the use of thread locking compound or sealant are identified in the service procedure. Do not use paints, lubricants, or corrosion inhibitors on fasteners or fastener joint surfaces unless specified. These coatings affect fastener torque and joint clamping force and may damage the fastener. Use the correct tightening sequence and specifications when installing fasteners in order to avoid damage to parts and systems.

  8. Install the three IP upper support screws.
  9. Tighten
    Tighten the three IP upper support screws to 2 N·m (18 lb in).


    Object Number: 277087  Size: SH
  10. Install the center support screw.
  11. Install the IP attaching bolts through the storage compartment door.
  12. Install the IP storage compartment. Refer to Instrument Panel Storage Compartment Replacement .

  13. Object Number: 277086  Size: SH
  14. Install the left and the right IP pivot bolts.
  15. Install the front floor console if removed. Refer to Front Floor Console Replacement in Interior Trim.
  16. Install the manual transmission shift lever.
  17. Install the steering column to the vehicle. Refer to Steering Column Replacement in Steering Wheel and Column - Standard or Steering Column Replacement in Steering Wheel and Column - Tilt.
  18. Connect the shift cable (automatic transmission). Refer to Shift Cable Replacement in Automatic Transmission.
  19. Install the 48-way connector and screw built into the steering column.
  20. Install the 8-way column connector.
  21. Install the tie bar and the 4 nuts.
  22. Install the knee deflector bracket.
  23. Install the reaction plate assembly.
  24. Connect the brake release handle to the cable. Refer to Parking Brake Release Handle Assembly Replacement in Brakes.
  25. Install the left and the right hinge pillar trim panels. Refer to Body Hinge Pillar Trim Panel Replacement in Interior Trim.
  26. Install the left and the right sill plate front screws.
  27. Tighten
    Tighten the sill plate front screws to 2 N·m (18 lb in).

  28. Install the steering shaft and the bolt.
  29. Install the knee bolster. Refer to Knee Bolster Replacement .
  30. Install the coolant reservoir tank. Refer Coolant Recovery Reservoir Replacement in Engine Cooling.
  31. Install the bulkhead connector.
  32. Install the 3 relay center bolts to the underside of the wheel opening.
  33. Connect the negative battery cable.