GM Service Manual Online
For 1990-2009 cars only
Makes
🢒
Chevrolet
🢒
2001
🢒
Chevy C Cab/Chassis HD (GMT 400)
🢒
Body and Accessories
🢒
Doors
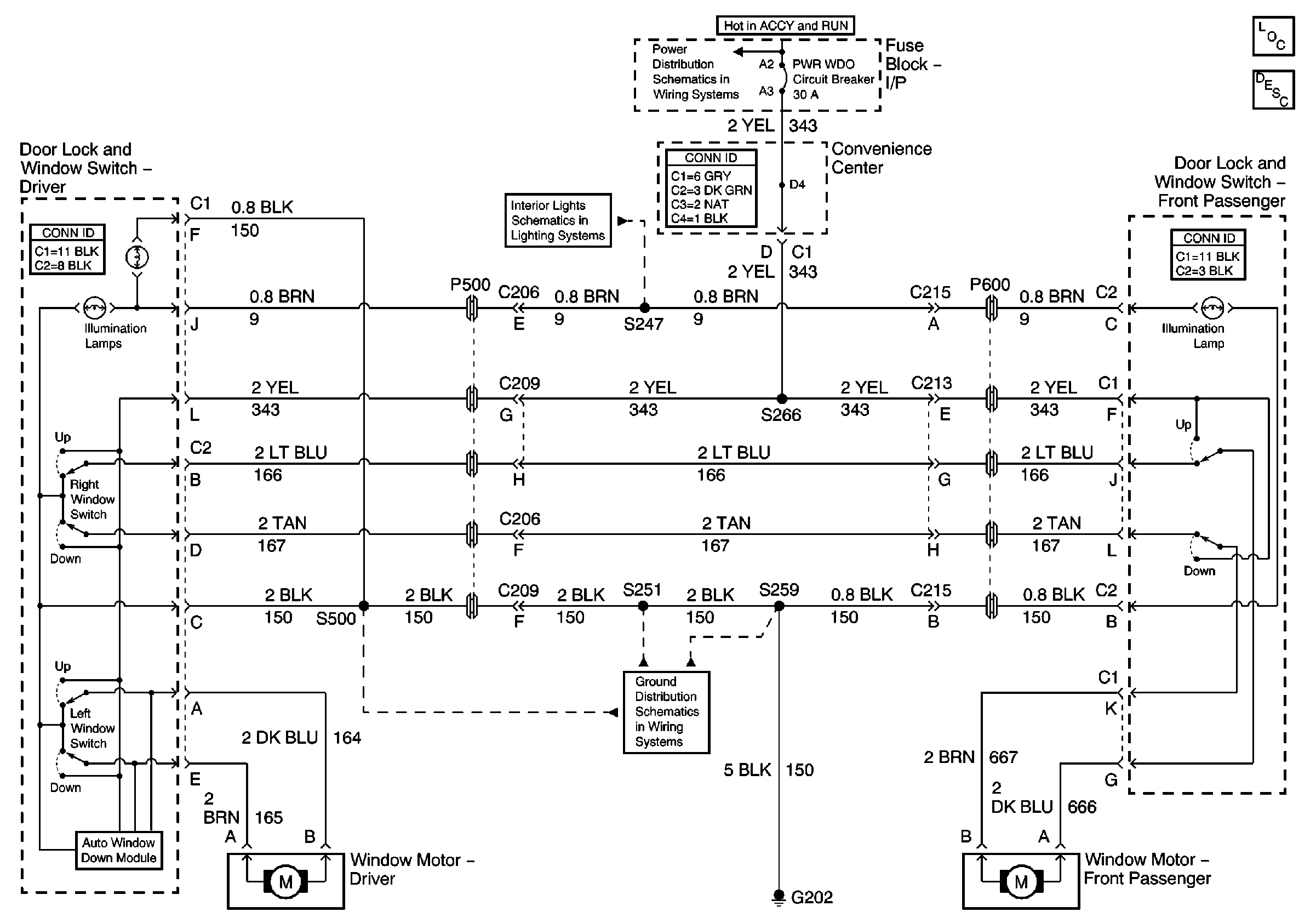
🢒 Power Window Schematics
Master Electrical Component List
Power Windows Description and Operation
Ashtray Lamp, Power Window and Door Lock Controls Illumination
ABS, Blower, Stop-Haz, and IGN B Fuses, and Ignition Switch
G202