GM Service Manual Online
For 1990-2009 cars only
Makes
🢒
Chevrolet
🢒
2001
🢒
Chevy C Cab/Chassis HD (GMT 400)
🢒
Engine
🢒
Engine Mechanical - 8.1L
🢒 Oil Pan Removal
Oil Pan Removal C/K/G/C3500HD
Remove the oil level switch from the oil pan, if equipped.
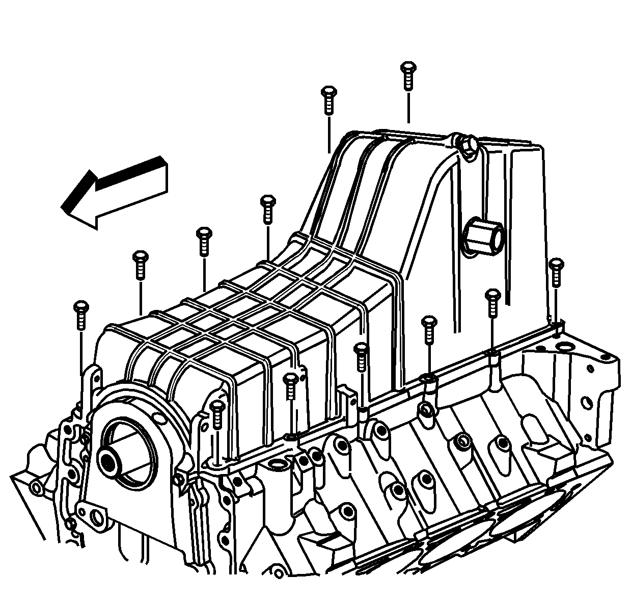
Remove the oil pan bolts.
Important:
The oil pan gasket is reusable if not cut or damaged.
Remove the oil pan (1) and the captured oil pan gasket (2).
Oil Pan Removal Medium Duty
Remove the oil level switch from the oil pan.
Remove the oil pan bolts.
Important:
The oil pan gasket is reusable if not cut or damaged.
Remove the oil pan (1) and the captured oil pan gasket (2).