GM Service Manual Online
For 1990-2009 cars only
Makes
🢒
Chevrolet
🢒
2001
🢒
Chevy C Cab/Chassis HD (GMT 400)
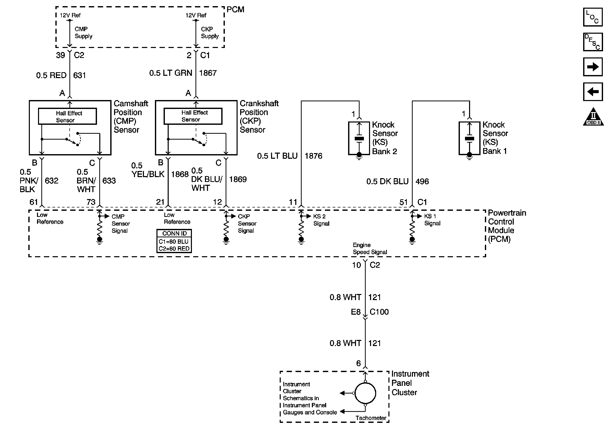
🢒 CMP, CKP, and KS
CMP, CKP, and KS
CMP, CKP, and KS
Master Electrical Component List
Knock Sensor (KS) System Description
Ignition Control, Bank 1 (Left Side)
PCM Power, Grounding, DLC, and MIL
OBD II Symbol Description Notice
Speedometer, Tachometer, and Fuel Gauge