GM Service Manual Online
For 1990-2009 cars only
Makes
🢒
Chevrolet
🢒
2001
🢒
Chevy C Cab/Chassis HD (GMT 400)
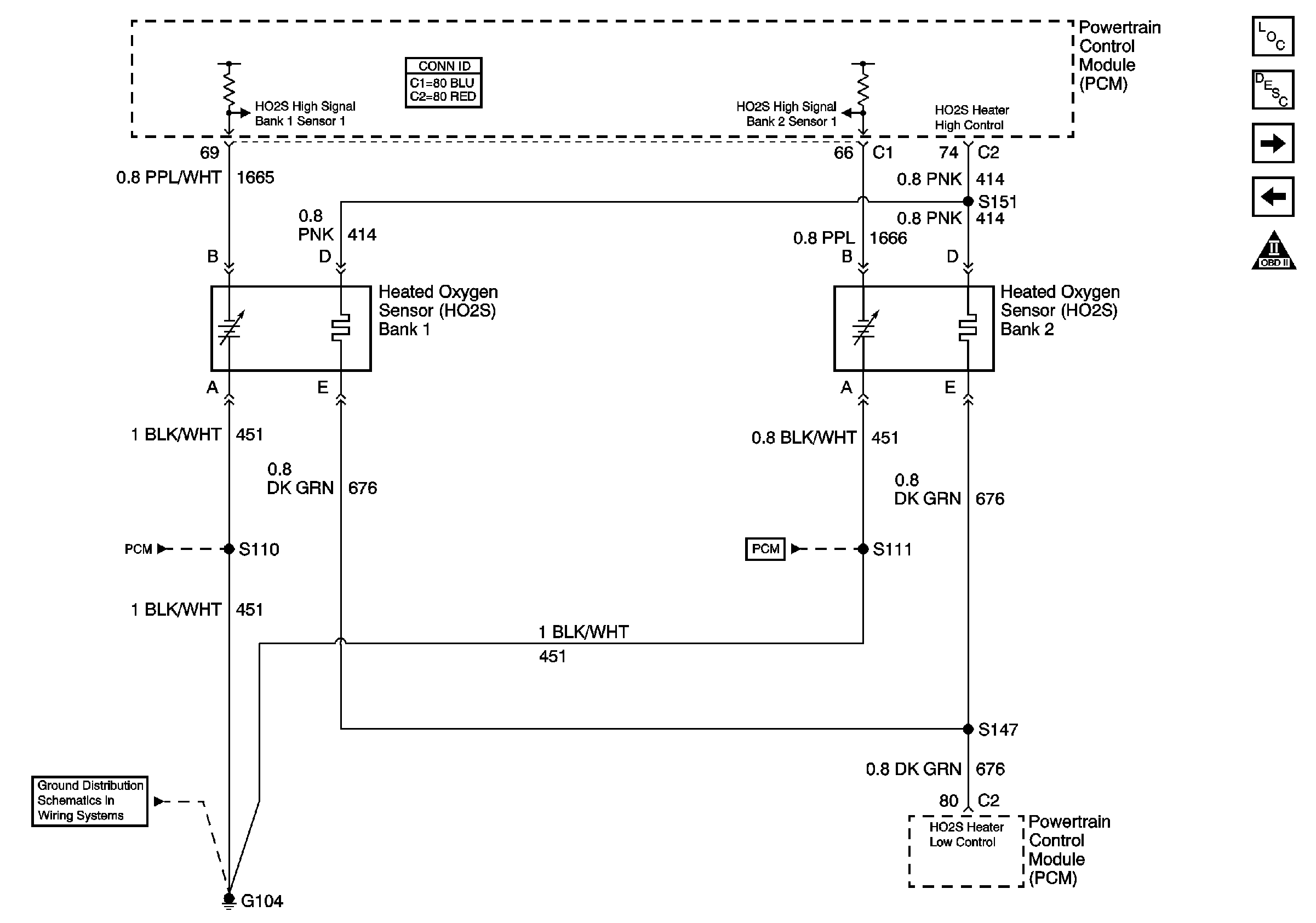
🢒 HO2S Circuit
HO2S Circuit
HO2S Circuit
Master Electrical Component List
Powertrain Control Module Description
VSS Circuit
MAP, ECT, and Air Meter (IAC&MAF)
OBD II Symbol Description Notice
PCM Power, Grounding, DLC, and MIL
G104, L18, 1 of 2, All Except HO2S Circuit
PCM Power, Grounding, DLC, and MIL