GM Service Manual Online
For 1990-2009 cars only
Makes
🢒
Chevrolet
🢒
2001
🢒
Chevy C Cab/Chassis HD (GMT 400)
🢒 Fuel Pump Controls, Single Tank
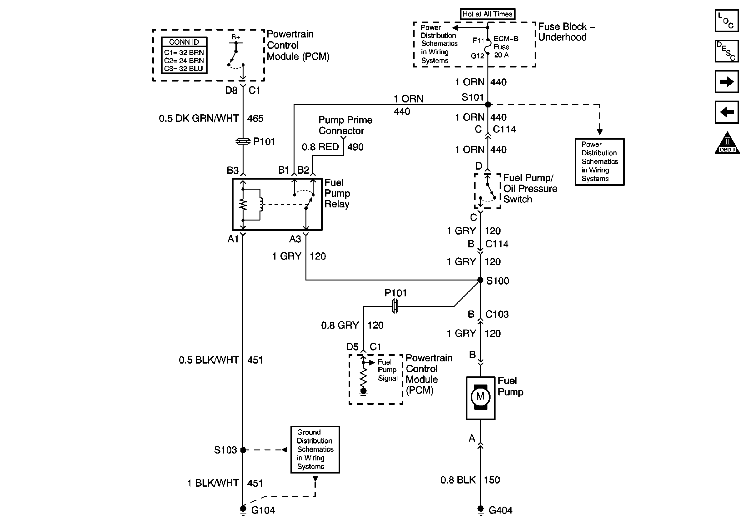
Fuel Pump Controls, Single Tank
Fuel Pump Controls, Single Tank
Master Electrical Component List
Fuel Pump Controls, Dual Tanks
CKP and Injection Timing Stepper Motor
OBD II Symbol Description Notice
Battery and Underhood Fuse Block
ECM-B, Horn, and A/C Fuses
G104, L65