GM Service Manual Online
For 1990-2009 cars only
Makes
🢒
Chevrolet
🢒
2001
🢒
Chevy C Cab/Chassis HD (GMT 400)
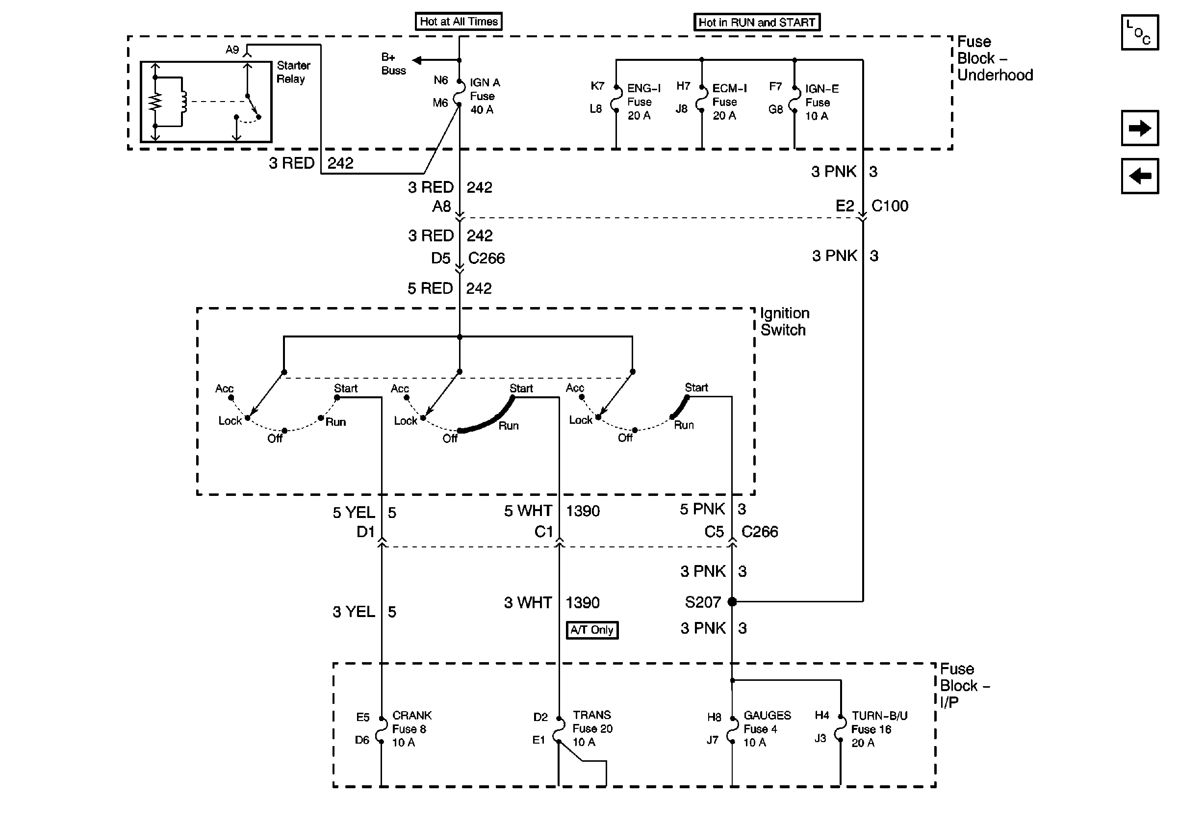
🢒 IGN A Fuse and Ignition Switch
IGN A Fuse and Ignition Switch
IGN A Fuse and Ignition Switch
Battery and Underhood Fuse Block
Master Electrical Component List
ABS, Blower, Stop-Haz, and IGN B Fuses, and Ignition Switch
Lighting and Battery Fuses