GM Service Manual Online
For 1990-2009 cars only
Makes
🢒
Chevrolet
🢒
2002
🢒
Chevy C Cab/Chassis HD (GMT 400)
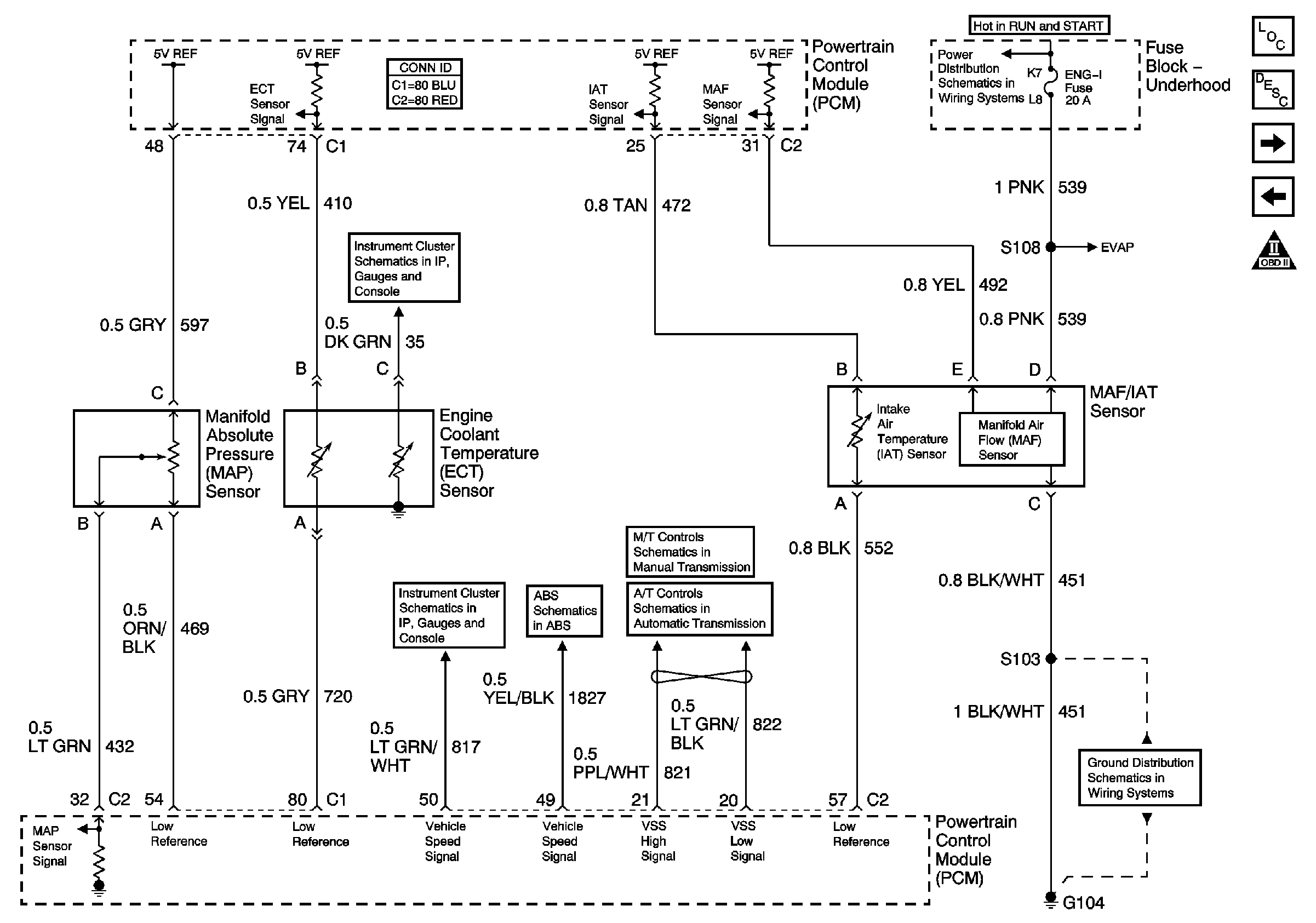
🢒 L18 MAP, ECT, and IAT/MAF Sensor
L18 MAP, ECT, and IAT/MAF Sensor
MAP, ECT, VSS Circuit, and IAT/MAF
Master Electrical Component List
Powertrain Control Module Description
L18 HO2S Circuit
5 Volt and Low Reference Busses
OBD II Symbol Description Notice
IGN A Fuse and Ignition Switch
L18 EVAP and EGR Circuits
G104 (L18)
PNP Switch, Pressure Switch, TFT Sensor, PC Sol Valve, Shaft Speed Sensors
CPP Switch and VSS - L18
EBCM Stoplamp switch and Wheel Speed Inputs
Fuel Gauge, Tachometer, and Speedometer
Oil Pres, Coolant Temp, and Volt Gauges, Check Gauges and Batt Lamp