GM Service Manual Online
For 1990-2009 cars only
Makes
🢒
Chevrolet
🢒
2002
🢒
Chevy C Cab/Chassis HD (GMT 400)
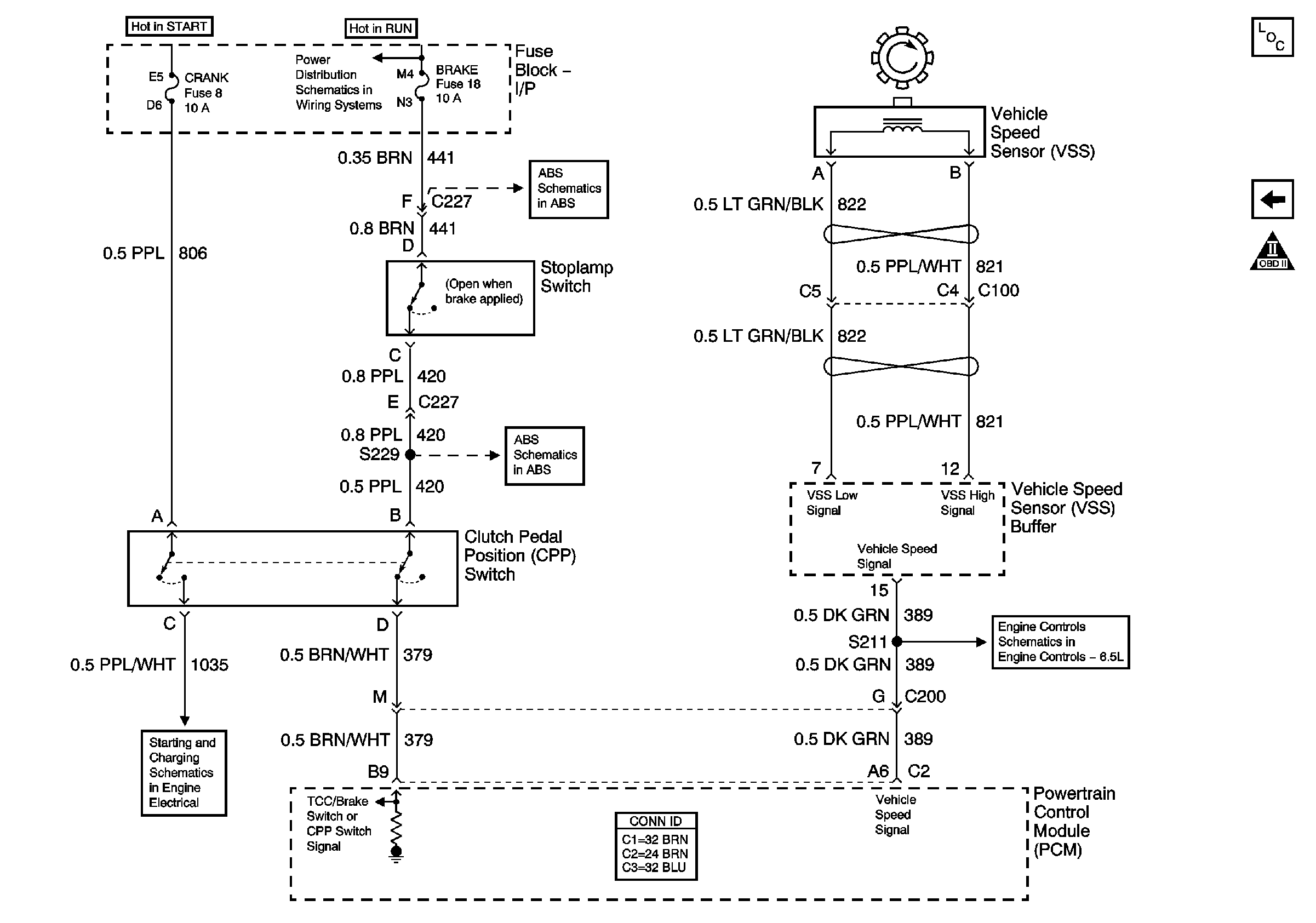
🢒 CPP Switch and VSS - L65
CPP Switch and VSS - L65
Vehicle Speed Sensor (VSS) and Clutch Pedal Position Switch (CPP) - L65
Master Electrical Component List
CPP Switch and VSS - L18
OBD II Symbol Description Notice
L65 Starting (Single Generator)
ABS, Blower, Stop-Haz, and IGN B Fuses and Ignition Switch
EBCM Power, Grounding, DLC, and Indicator Lamps
L65 Vehicle Speed Sensor Circuit
EBCM Stoplamp switch and Wheel Speed Inputs
L65 Starting (Single Generator)