GM Service Manual Online
For 1990-2009 cars only
Makes
🢒
Chevrolet
🢒
2005
🢒
Chevy C Cab/Chassis HD (GMT 400)
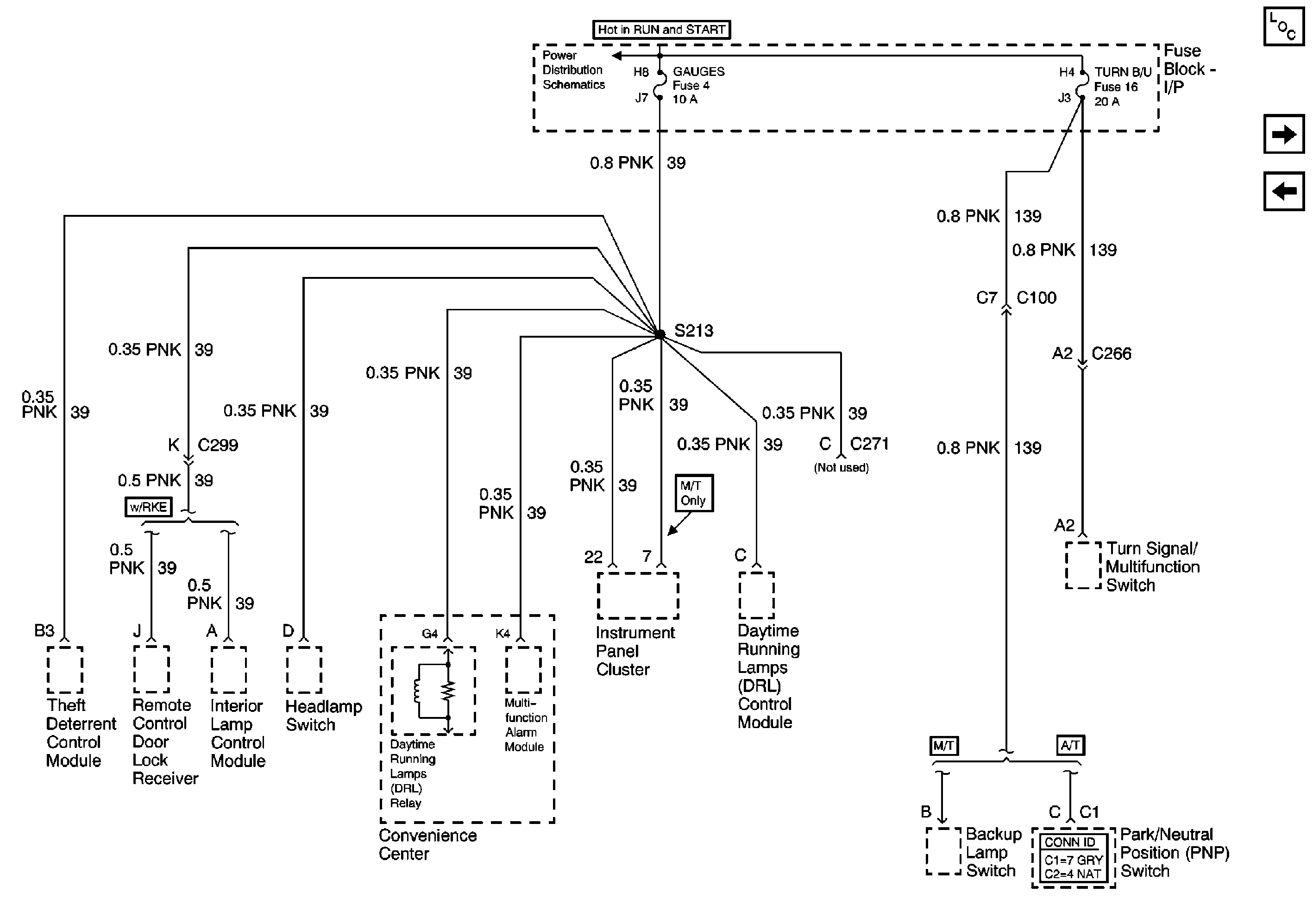
🢒 Gages Fuse and Turn-B/U Fuse
Gages Fuse and Turn-B/U Fuse
Gages Fuse and Turn-B/U Fuse
IGN A Fuse and Ignition Switch
Master Electrical Component List
Pwr Wdos Circuit Breaker, Wiper, Radio, Clock, and Trans Fuses
ECM-I Fuse, 2 of 2 Ignition Coils