GM Service Manual Online
For 1990-2009 cars only

ENGINE OIL COOLER LINE LEAKS (REPLACE HOSE)

VEHICLES AFFECTED: 1988-89 C/K WITH 4.3L, 5.0L, 5.7L, AND 7.4L ENGINES (VIN CODES H,K,N,Z)

Some 1988 and 1989 C/K Trucks with 4.3L, 5.0L, 5.7L, and 7.4L engines and engine oil coolers (KC4) may experience a leaking oil cooler line. This leak condition may be caused by the line contacting the power steering gear box (located in the left front of the vehicle alongside the frame rail) and chafing a hole in the line.

If this condition is encountered, it can be repaired by installing the new design lines, which provide additional clearance to the gear box. On all affected vehicles, it will also be necessary to add a primary or secondary hose protector or both to the cooler lines. These protectors provide additional protection from the steering gear box for the cooler line.

On trucks equipped with internal oil coolers (cooler inside radiator side tank) it will be necessary to install a primary protector around both cooler lines where the lines run across the front of the steering gear box (See Figure 1). The protector is made of a 19mm (3/4") x 8cm (3") long piece of heater hose, P/N 9438842 3m (15ft) roll. To install protector, split hose down the centre lengthwise, place it around both lines and adjacent to the front of the steering gear box and attach it with two (2) plastic tie straps, P/N 3816659.

On trucks with external oil coolers (cooler mounts in front of radiator) or trucks with internal oil coolers that have a line coupler directly adjacent to the steering gear box, it will be necessary to install a secondary oil cooler line protector in addition to the primary protector. On these vehicles, a condition may exist where the hose coupler (where the steel pipe and rubber hose connect) contacts the side of the steering gear box (See Figure 2).

In order to address this condition, a secondary protector can be made out of a 254mm (I") I.D. x 500mm (2") piece of heater hose, P/N 8885575 7.5mm (25ft) roll. To install protector, split hose lengthwise down centre and place it around the cooler hose next to the gear box and attach it with two (2) plastic tie straps, P/N 3816659.

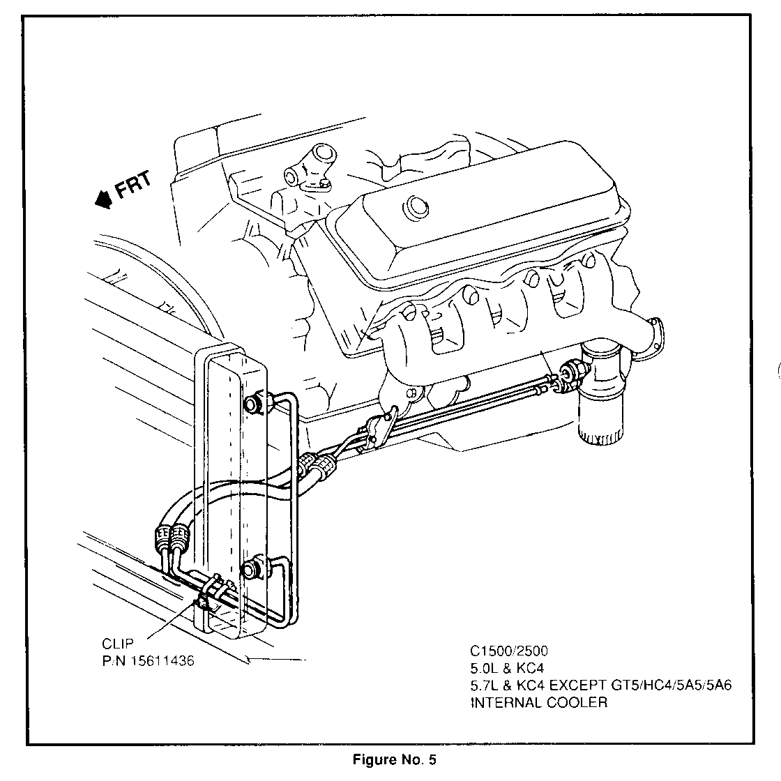
On certain trucks identified in Figures 4, 5, 7, and 8, it will be necessary to add an oil line clip, P/N 15611436 to support the cooler lines adjacent to the core support. The clip goes around both lines and fastens to the core support using the same bolt that attaches the left hand lower fan shroud tab (See Figure 10).

Use the attached chart to identify the correct part number for the new design oil cooler lines. Also included are graphics for the correct oil cooler line routings by engine and type of cooler (internal or external). See Figures 3-9. OIL COOLER LINE APPLICATIONS CHART -----------------------------------

MODEL P/N DESCRIPTION YEAR APPLICATION QTY --- ----------- ---- ----------- ---- 15604104 HOSE-INLET 88/89 C/K 1,2 4.3L(Z) W/KC4 1 15604105 HOSE-OUTLET 88/89 C/K 1,2 4.3L(Z) W/KC4 1 *15611481 HOSE-INLET 88/89 C1,2 5.0L(H) W/KC4 C1,2,3 5.7L(K) W/GT4/GU2/GU4 1 /GU6 &KC4 *15611482 HOSE-OUTLET 88/89 C1,2 5.0L(H) W/KC4 C1,2,3 5.7L(K) W/GT4/GU2/GU4 1 /GU6 &KC4 *15611483 HOSE-INLET 88/89 K1,2 5.0L(H) W/KC4 K1,2,3 5.7L(K) W/GT4/GU6 &KC4 1 *15611484 HOSE-OUTLET 88/89 K1,2 5.0L(H) W/KC4 K1,2,3 5.7L(K) W/GT4/GU6 &KC4 1 15611412 HOSE-INLET 88 C1,2,3 5.7L(K) W/SEO 5A5 &KC4 (2ND DESIGN) C2,3 5.7L(K) W/GT5/HC4 & KC4 1 (2ND DESIGN) 89 C1,2,3 5.7L(K) W/SEO 5A5/5A6 C2,3 5.7L(K) W/GT5/HC4 1 15611413 HOSE-OUTLET 88 K1(03-53),K2,3 5.7L(K) W/SEO 1 5A5 & KC4 (2ND DESIGN) K1(53),K2,3 5.7L(K) W/GT5/HC4 & KC4 (2ND DESIGN) 1 89 K1,2,3 5.7L(K) W/SEO 5A5/5A6 & KC4 K1,2,3 5.7L(K) W/GT5/HC4 1

15611422 HOSE-OUTLET 88 C1,2,3 5.7L(K) W/SEO 5A5 & KC4 (2ND DESIGN) C2,3 5.7L(K) W/GT5/HC4 & KC4 1 (2ND DESIGN) 89 C1,2,3 5.7L(K) W/SEO 5A5/5A6 1 C2,3 5.7L(K) W/GT5/HC4 & KC4 1 15611423 HOSE-INLET 88 K1(03-53),K2,3 5.7L(K) W/SEO 5A5 & KC4 (2ND DESIGN) K1(53),K2,3 5.7L(K) W/GT5/HC4 1 & KC4 (2ND DESIGN) 89 K1,2,3 5.7L(K) W/SEO 5A5/5A6 & KC4 K1,2,3 5.7L(K) W/GT5/HC4 & KC4 1 15611414 HOSE-OUTLET 88 C3 7.4L(N) W/SEO 5A5 & KC4 (2ND DESIGN) 89 C3 7.4L(N) W/SEO 5A5/5A6 & KC4 1 15611425 HOSE-INLET 88 K3 7.4L(N) W/SEO 5A5 & KC4 (2ND DESIGN) K3 7.4L(N) W/SEO 5A5/5A6 & KC4 1 15611424 HOSE-INLET 88 C3 7.4L(N) W/SEO 5A5 & KC4 (2ND DESIGN) 89 C3 7.4L(N) W/SEO 5A5/5A6 & KC4 1 15611415 HOSE-OUTLET 88 K3 7.4L(N) W/SEO 5A5 & KC4 1 (2ND DESIGN) 89 K3 7.4L(N) W/SEO 5A5/5A6 & KC4 1 *15604122 HOSE-INLET 88/89 C3 7.4L(N) W/KC4 1 15604124 HOSE-OUTLET 88/89 C3 7.4L(N) W/KC4 1 *15604123 HOSE-INLET 88/89 K3 7.4L(N) W/KC4 1 15604125 HOSE-OUTLET 88/89 K3 7.4L(N) W/KC4 1 *15611436 CLIP-COOLER 88/89 C,K 1,2,3 W/4.3L(Z) 5.OL(H) 1 LINE 5.7L(K) 7.4L(N) 8885575 HOSE 1" I.D. 3816659 PLASTIC TIE STRAPS

LEGEND

* - Clip must be added for proper hose installation KC4 - Engine oil cooler GU2 - 2.73 Axle ratio GU4 - 3.08 Axle ratio GU6 - 3.42 Axle ratio GT4 - 3.73 Axle ratio GT5 - 4.10 Axle ratio HC4 - 4.56 Axle ratio SEO 5A5 - Radiator HDC man/trans SEO 5A6 - Radiator HDC auto/trans


Object Number: 80284  Size: FS


Object Number: 81570  Size: FS


Object Number: 83451  Size: FS


Object Number: 83450  Size: FS


Object Number: 83449  Size: FS


Object Number: 81569  Size: FS


Object Number: 83448  Size: FS


Object Number: 81568  Size: FS


Object Number: 83447  Size: FS


Object Number: 83446  Size: FS

General Motors bulletins are intended for use by professional technicians, not a "do-it-yourselfer". They are written to inform those technicians of conditions that may occur on some vehicles, or to provide information that could assist in the proper service of a vehicle. Properly trained technicians have the equipment, tools, safety instructions and know-how to do a job properly and safely. If a condition is described, do not assume that the bulletin applies to your vehicle, or that your vehicle will have that condition. See a General Motors dealer servicing your brand of General Motors vehicle for information on whether your vehicle may benefit from the information.