GM Service Manual Online
For 1990-2009 cars only
Makes
🢒
Chevrolet
🢒
1996
🢒
Chevy C Pickup - 2WD
🢒
Engine
🢒
Engine Cooling
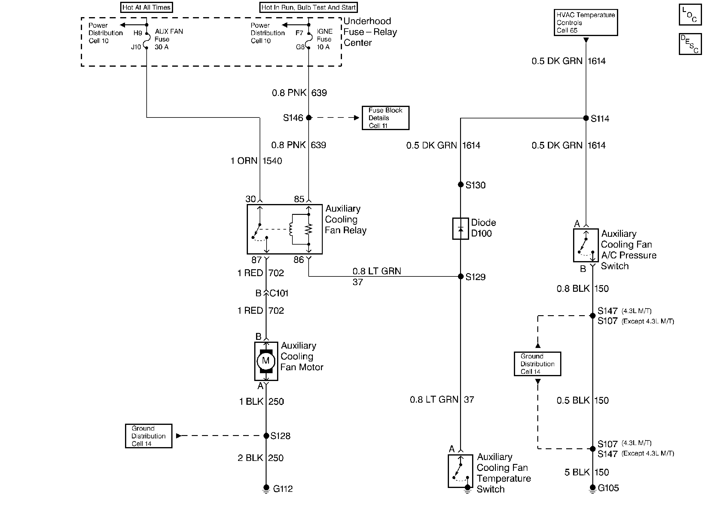
🢒 Coolant Fans Schematics
Cooling System Components