GM Service Manual Online
For 1990-2009 cars only
Makes
🢒
Chevrolet
🢒
1996
🢒
Chevy C Pickup - 2WD
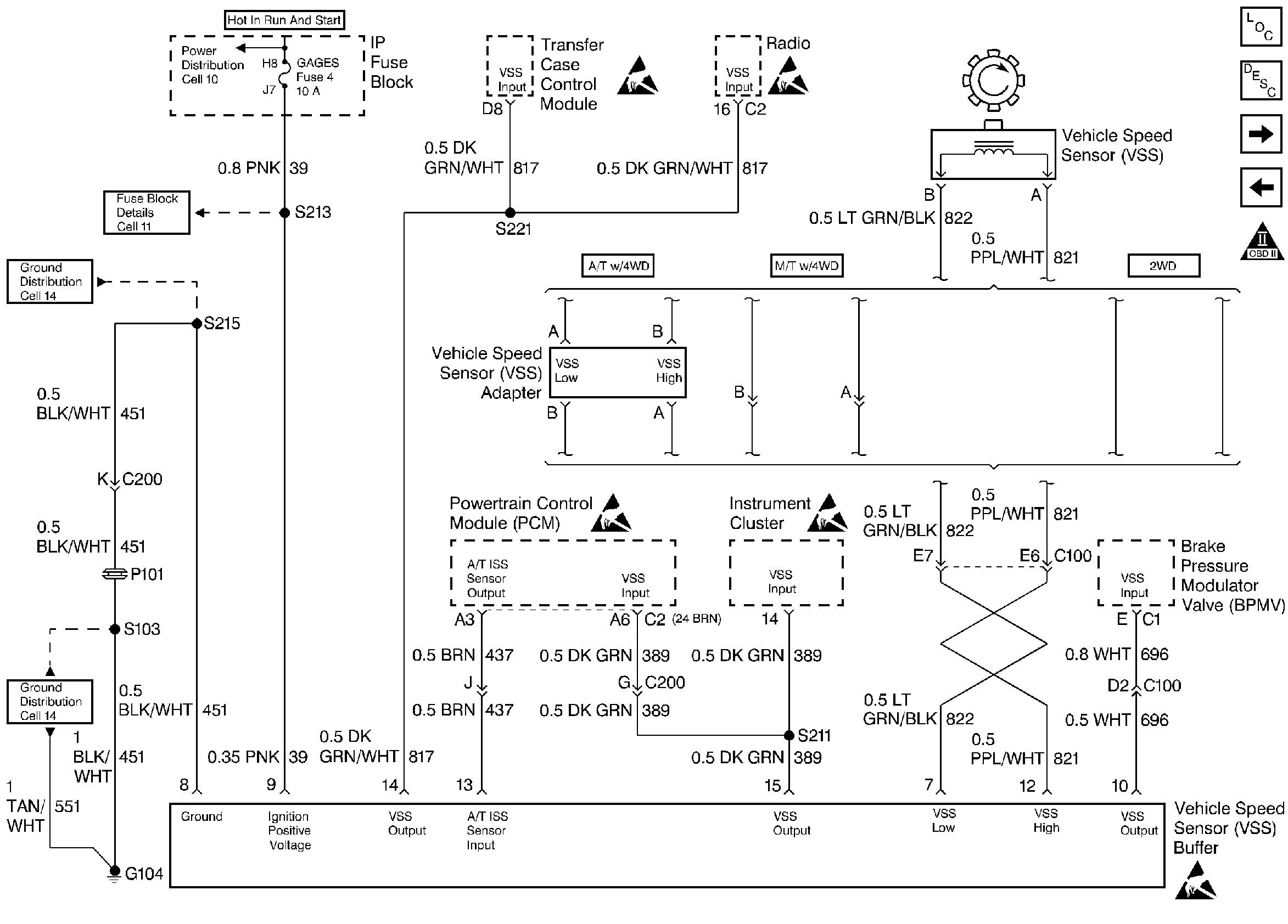
🢒 Transmission Vehicle Speed Sensor and Buffer
Transmission Vehicle Speed Sensor and Buffer
Transmission Vehicle Speed Sensor and Buffer
Handling ESD Sensitive Parts Notice
Handling ESD Sensitive Parts Notice
Handling ESD Sensitive Parts Notice
Handling ESD Sensitive Parts Notice
Handling ESD Sensitive Parts Notice
Engine Controls Components
Information Sensors
Transmission Shift Solenoids, Brake, and Clutch Switch
Cruise Control and 4-Wheel Drive
OBD II Symbol Description Notice