GM Service Manual Online
For 1990-2009 cars only
Makes
🢒
Chevrolet
🢒
1996
🢒
Chevy C Pickup - 2WD
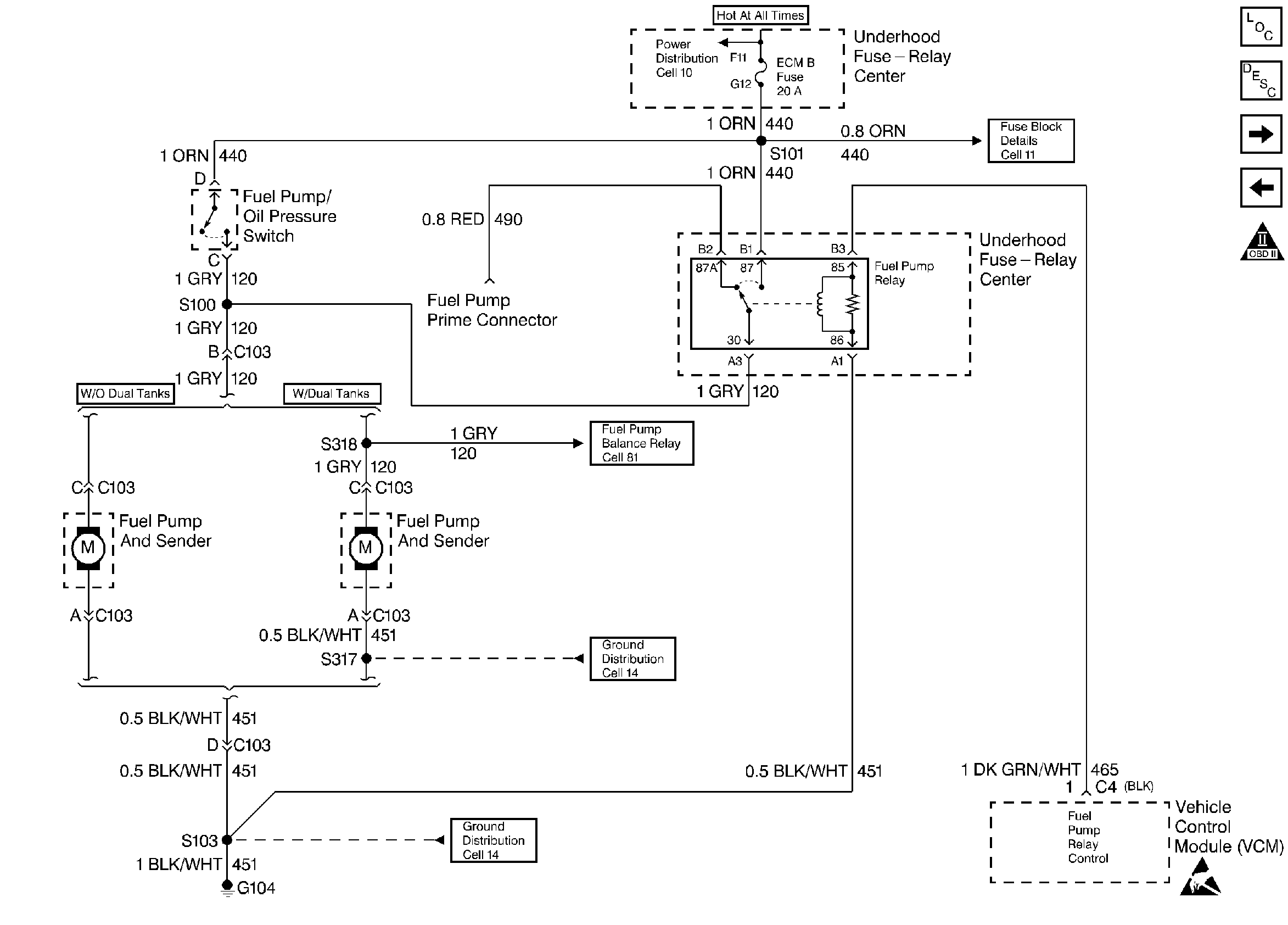
🢒 Fuel Pump - 5.0L
Fuel Pump - 5.0L
Fuel Pump - 5.0L
Engine Controls Components
Fuel System Central SFI
Fuel Injectors - 5.0L
CMP, CKP, ICM, and the Ignition Coil - 5.0L
OBD II Symbol Description Notice
Handling ESD Sensitive Parts Notice