GM Service Manual Online
For 1990-2009 cars only
Makes
🢒
Chevrolet
🢒
1996
🢒
Chevy C Pickup - 2WD
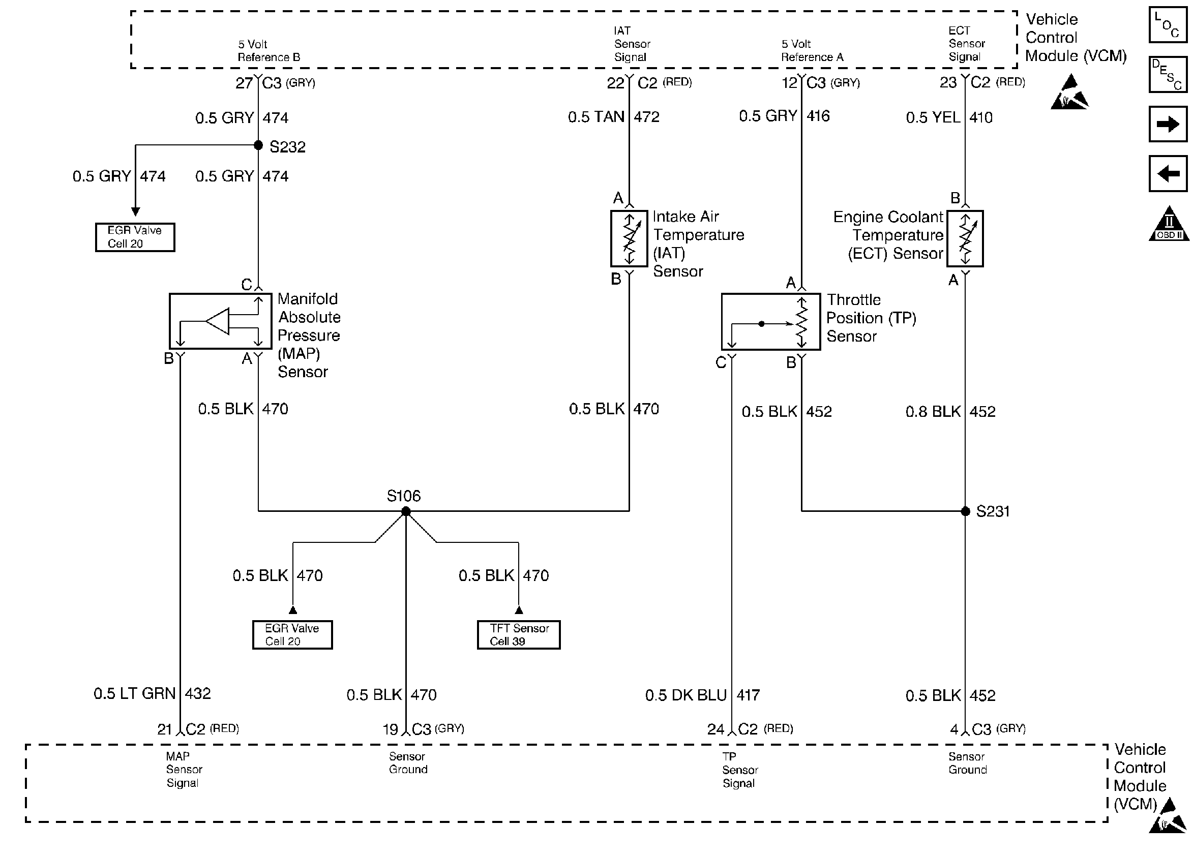
🢒 MAP, IAT, TP, and ECT Sensors - 5.0L
MAP, IAT, TP, and ECT Sensors - 5.0L
MAP, IAT, TP, and ECT Sensors - 5.0L
Engine Controls Components
Information Sensors 4.3L, 5.0L
MAF, EVAP, and EGR Systems - 5.0L
Fuel Injectors - 5.0L
OBD II Symbol Description Notice
Handling ESD Sensitive Parts Notice
Handling ESD Sensitive Parts Notice