GM Service Manual Online
For 1990-2009 cars only
Makes
🢒
Chevrolet
🢒
1996
🢒
Chevy C Pickup - 2WD
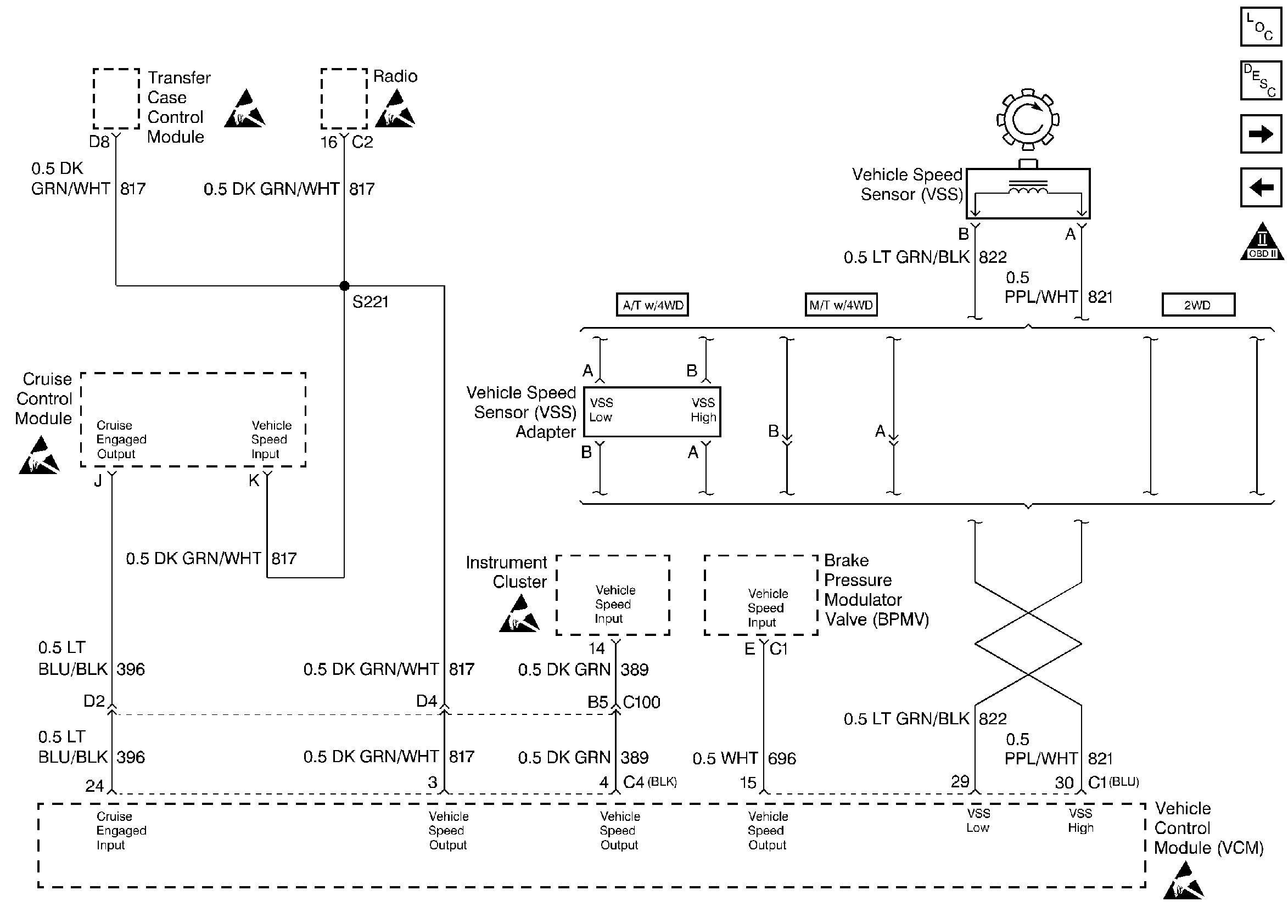
🢒 Vehicle Speed Sensor - 5.0L
Vehicle Speed Sensor - 5.0L
Vehicle Speed Sensor - 5.0L
Engine Controls Components
Fuel System Diagnosis Fuel Control
Transmission and the TCC - 5.0L
Idle Air Control - 5.0L
OBD II Symbol Description Notice
Handling ESD Sensitive Parts Notice
Handling ESD Sensitive Parts Notice
Handling ESD Sensitive Parts Notice
Handling ESD Sensitive Parts Notice
Handling ESD Sensitive Parts Notice