GM Service Manual Online
For 1990-2009 cars only
Makes
🢒
Chevrolet
🢒
1996
🢒
Chevy C Pickup - 2WD
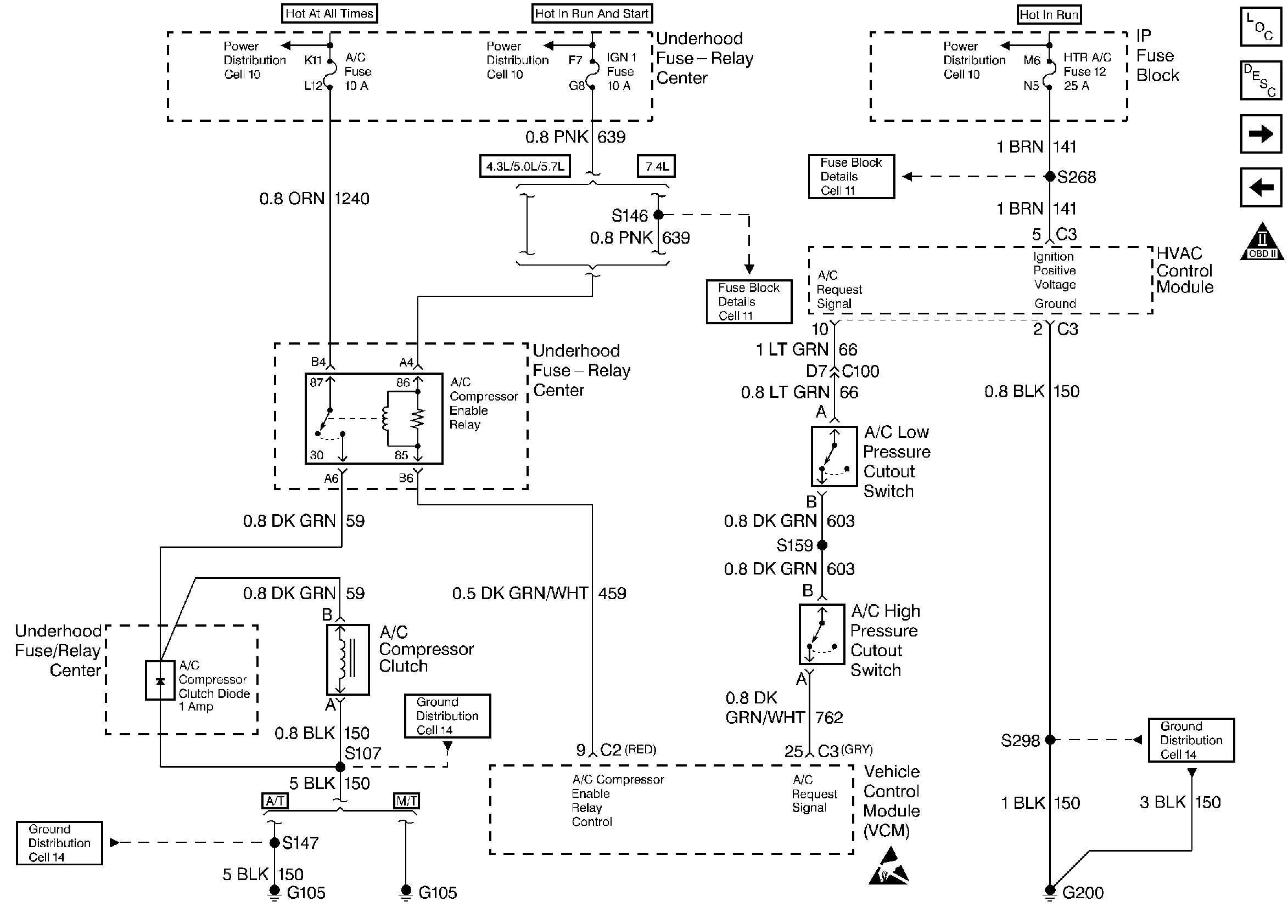
🢒 A/C System - 7.4L Federal and California
A/C System - 7.4L Federal and California
A/C System - 7.4L Federal and California
Engine Controls Components
AIR System - 7.4L California Only
CK11B
OBD II Symbol Description Notice
Handling ESD Sensitive Parts Notice