GM Service Manual Online
For 1990-2009 cars only
Makes
🢒
Chevrolet
🢒
1996
🢒
Chevy C Pickup - 2WD
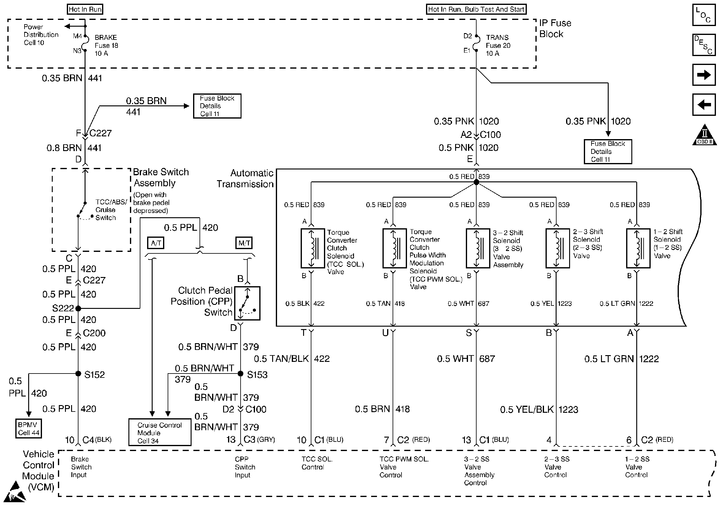
🢒 Transmission and the TCC - 4.3L
Transmission and the TCC - 4.3L
Transmission and the TCC - 4.3L
Engine Controls Components
Information Sensors 4.3L, 5.0L
PC Solenoid and the TFP Sensor - 4.3L
Vehicle Speed Sensor - 4.3L
OBD II Symbol Description Notice
Handling ESD Sensitive Parts Notice