GM Service Manual Online
For 1990-2009 cars only
Makes
🢒
Chevrolet
🢒
1996
🢒
Chevy C Pickup - 2WD
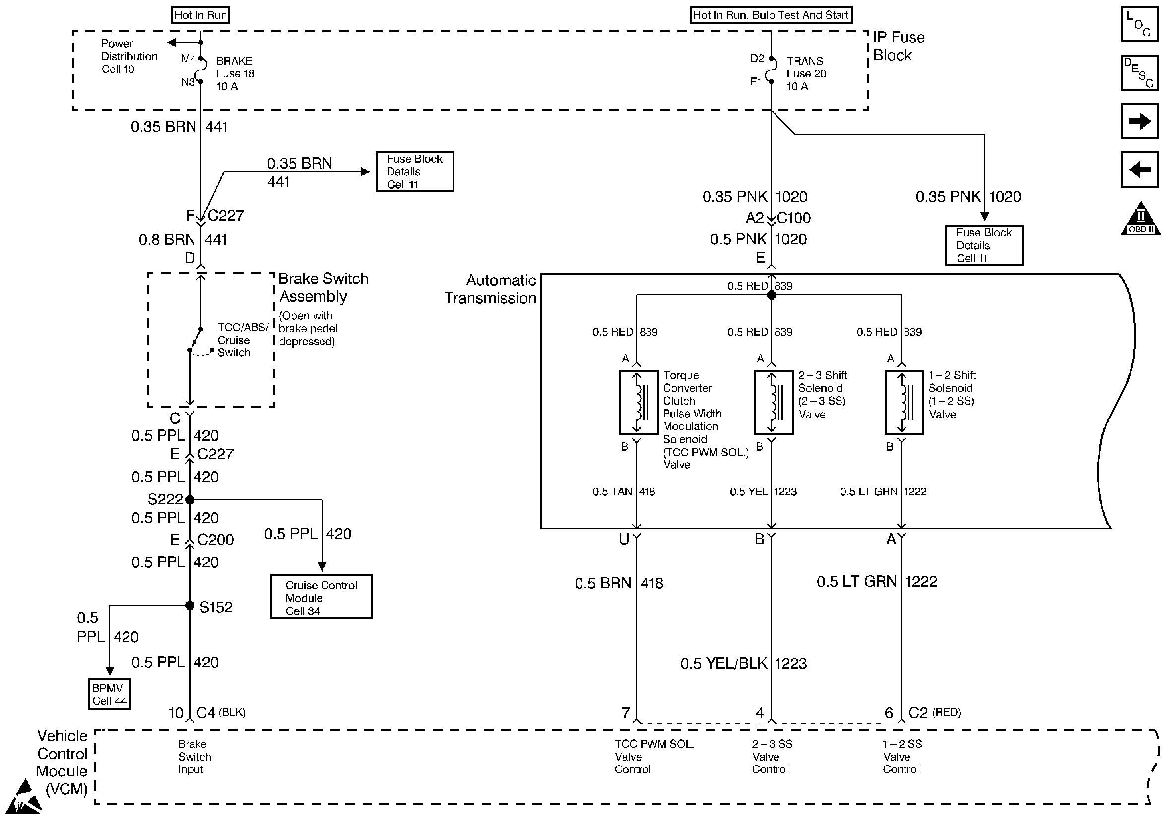
🢒 Transmission and the TCC - 5.7L Over 8600 GVW
Transmission and the TCC - 5.7L Over 8600 GVW
Transmission and the TCC - 5.7L Over 8600 GVW
Engine Controls Components
Information Sensors 5.7L, 7.4L
PC Solenoid and the TFP Sensor - 5.7L Over 8600 GVW
Vehicle Speed Sensor - 5.7L Over 8600 GVW
OBD II Symbol Description Notice
Handling ESD Sensitive Parts Notice