The OSS Sensor, which is a Permanent Magnet (PM) generator, gives the vehicle speed information to the VCM. The PM generator produces a pulsing AC voltage. The AC voltage level and the number of pulses increase as the speed of the vehicle increases. The VCM then converts the pulsing voltage to vehicle speed. The vehicle speed is used for calculations. A scan tool can display the vehicle speed.
When the VCM detects a low vehicle speed and there is a high engine speed in a drive gear range, DTC P0502 sets. DTC P0502 is a type "D" DTC. For California emissions, DTC P0502 is a type "A" DTC.
| • | No TP Sensor DTCs P0122 or P0123. |
| • | No TFP Val. Position Sw. P1810 |
| • | No ISS Sensor low DTC P0717. |
| • | The engine torque must be 80 lb ft (60 N·m) to the following: |
| - | 275 lb ft (345 N·m) |
| - | 375 lb ft (470 N·m) (5.7L) |
| - | 500 lb ft (627 N·m) (7.4L) |
| • | The Input speed is greater than 2500 RPM. |
| • | The transmission is not in Park or Neutral. |
| • | The engine is running and not in fuel cut off. |
| • | The output shaft speed is less than 200 RPM for at least 3 seconds. |
| • | The VCM commands maximum line pressure. |
| • | The VCM freezes the shift adapts. |
| • | The VCM defaults a calculated output speed value by using the Input Speed Sensor values. |
| • | For California emissions, the VCM illuminates the Malfunction Indicator Lamp (MIL). |
| • | For California emissions, the VCM turns off the MIL after three consecutive ignition cycles without a failure reported. |
| • | A scan tool can clear the DTC from the VCM history. The VCM clears the DTC from the VCM history if the vehicle completes 40 warm-up cycles without a failure reported. |
| • | The VCM cancels the DTC default actions when the fault no longer exists and the ignition is cycled "off" long enough to power down the VCM. |
| • | DTC P0502 sets when no vehicle speed is detected at the start off. |
| • | Inspect the wiring for poor electrical connections at the VCM. Inspect the wiring for poor electrical connections at the transmission 20-way connector. Look for the following conditions: |
| - | A bent terminal |
| - | A backed out terminal |
| - | A damaged terminal |
| - | Poor terminal tension |
| - | A chafed wire |
| - | A broken wire inside the insulation. |
| • | When diagnosing for an intermittent short or open condition, massage the wiring harness while watching the test equipment for a change. |
| • | First diagnose and clear any engine DTCs or TP Sensor codes. Then inspect for any transmission DTCs that may have reset. |
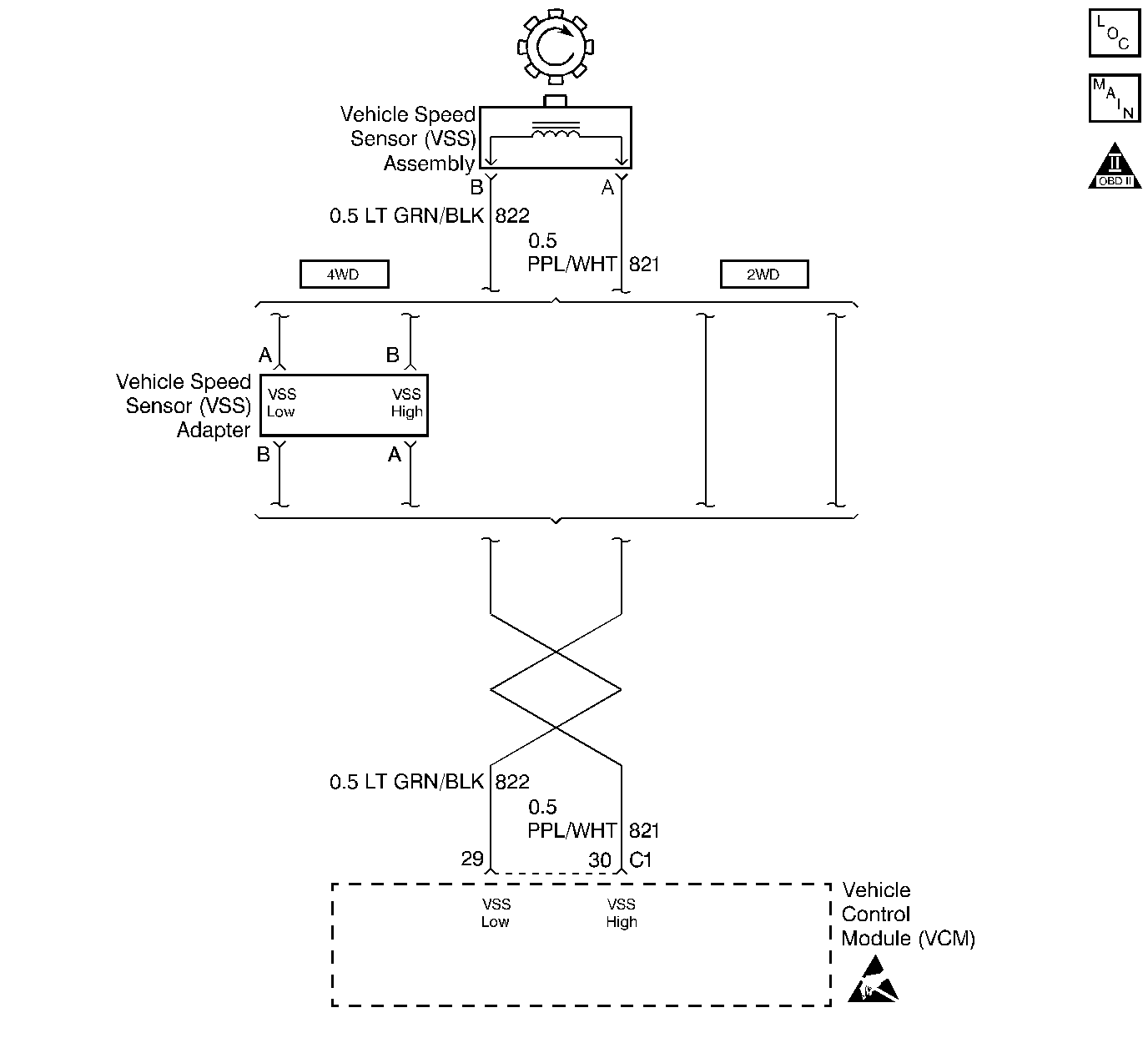
The numbers below refer to the step numbers on the diagnostic table.
This step tests the VSS circuit.
This step tests the integrity of the VSS.
This step tests the 5-volt and ground circuit of the VCM.
Step | Action | Value(s) | Yes | No |
|---|---|---|---|---|
1 | Was the Powertrain On-Board Diagnostic (OBD) System Check performed? | -- | ||
2 |
Important: Before clearing the DTCs, use the scan tool in order to record the Freeze Frame and Failure Records for reference. The Clear info function will erase the data. | -- | Go to Diagnostic Aids | |
3 | Does the speedometer work? | -- | ||
4 |
Refer to the Service Bulletin. Is the calibration current? | -- | ||
5 | Reprogram the VCM. Refer to EEPROM Programming . Have you reprogrammed the VCM? | -- | -- | |
1480-2700ohms | ||||
Is the voltage greater than the specified value? | 0.5 Volts | |||
8 | Inspect circuits 821 and 822 for a poor connection or an open circuit. Did you find a poor connection or an open circuit? | -- | ||
Is the J 39200 DVOM showing 4.0-5.1 volts? | 4.0-5.1 volts | |||
10 |
Did you find a problem ? | -- | ||
11 | Replace the OSS Sensor. Refer to Automatic Transmission Output Shaft Speed Sensor Replacement, in On-Vehicle Service. Is the replacement complete? | -- | -- | |
12 | Was the reading in Step 9 less than the specified value? | 4.0 volts | ||
13 | Was the reading in Step 9 greater than the specified value? | 5.1 volts | -- | |
14 | Repair the short to power B+ in circuit 821. Refer to Electrical Diagnosis, Section 8. Is the repair complete? | -- | -- | |
15 | Replace the VCM. Refer to VCM Replacement/Programming , Section 6. Is the replacement complete? | -- | -- | |
16 | In order to verify your repair, perform the following procedure:
Has the test run and passed? | -- | System OK |
Circuit 439 is the ignition voltage feed for the PCM. Circuit 440 is the battery feed for the PCM.
When the PCM detects a low voltage, a high voltage for a long time, or a high voltage for a short time, then DTC P0560 sets. DTC P0560 is a type D DTC.
System Voltage Low:
| • | The engine speed is greater than 1500 RPM. |
| • | The system voltage is less than 10.5 volts at a maximum transmission temperature of 152°C (305°F). |
| • | The system voltage is less than 6.7 volts at a minimum transmission temperature of -40°C (-40°F). |
| • | All conditions met for 4 seconds. |
If the system voltage is high then the system voltage is greater than 19 volts for 4 seconds.
| • | The PCM causes an immediate landing to second gear. |
| • | The PCM turns off the PC Sol. Valve. |
| • | The PCM inhibits the TCC engagement. |
| • | The PCM freezes the shift adapts. |
| • | The PCM does NOT illuminate the Malfunction Indicator Lamp (MIL). |
| • | A scan tool can clear the DTC from the PCM history. The PCM clears the DTC from the PCM history if the vehicle completes 40 warm-up cycles without a failure reported. |
| • | The PCM cancels the DTC default actions when the fault no longer exists. |
| • | The PCM cancels the DTC default actions when the ignition is cycled OFF long enough to power down the PCM. |
| • | Charging the battery with a battery charger and jumpstarting an engine may set DTCs. |
| • | If this DTC is set when an accessory is operated, inspect for faulty connections or an excessive current draw. |
| • | Inspect for faulty electrical connections at the starter solenoid. |
| • | Inspect for faulty electrical connections at the fusible link. |
| • | Inspect for loose or damaged terminals at the generator. |
| • | Inspect the generator belt wear and the generator belt tension. |
| • | First diagnose and clear any engine DTCs or APP Sensor codes that are present. Then inspect for any transmission DTCs that may have reset. |
This step tests the charging system voltage.
This step tests the battery voltage input at the PCM.
This step tests the ignition voltage inputs at the PCM.
Step | Action | Value(s) | Yes | No | ||||||
|---|---|---|---|---|---|---|---|---|---|---|
1 | Was the Powertrain On-Board Diagnostic (OBD) System Check performed? | -- | ||||||||
2 |
Important: Before clearing the DTCs, use the scan tool in order to record the Freeze Frame and Failure Records for reference. The Clear Info function will erase the data. Is the voltage higher than the specified value? | 10.5 volts | Go to Step 3 | Go to Engine Electrical, Section 6 | ||||||
3 |
Is the generator lamp ON? | -- | Go to Engine Electrical, Section 6 | Go to Step 4 | ||||||
Is the system voltage within the specified range? | 13-15 volts | Go to Step 5 | Go to Engine Electrical, Section 6 | |||||||
Is there a voltage variance between the voltage measured at the battery (taken in Step 2) and at terminal C3-C13 that is greater than the specified value? | 0.5 | Go to Step 6 | Go to Step 7 | |||||||
6 | Repair the high resistance condition in circuit 440. Refer to Electrical Diagnosis, Section 8. Did you repair the circuit? | -- | Go to Step 11 | -- | ||||||
Is there a voltage variance between the voltage measured at the battery (taken in Step 2) and at terminals C3-C11 that is greater than the specified value? | 0.5 volts | |||||||||
8 | Repair the high resistance condition in circuit 439. Refer to Electrical Diagnosis, Section 8. Did you repair the circuit? | -- | -- | |||||||
9 |
Did you find a problem? | -- | ||||||||
10 | Replace the PCM. Refer to Powertrain Control Module Replacement/Programming Section 6. Is the replacement complete? | -- | -- | |||||||
11 | In order to verify your repair, perform the following procedure:
Has the test run and passed? | -- | System OK | Begin diagnosis again. Go to Step 1 |