GM Service Manual Online
For 1990-2009 cars only

Automatic Transmission Controls Schematics 6.5 L Diesel Schematics

Figure 1:

DIESEL 4L80E PCM, FUSES, VSS


Object Number: 52793  Size: FS
Automatic Transmission Components Diesel
DIESEL 4L80E PCM, BRAKE SWITCH, TRANSMISSION
OBD II Symbol Description Notice
Automatic Transmission Schematic References
Automatic Transmission Schematic References
Automatic Transmission Schematic References
Automatic Transmission Schematic References
Automatic Transmission Schematic References
Handling Electrostatic Discharge Sensitive Parts Notice
Automatic Transmission Schematic References
Automatic Transmission Schematic References
Automatic Transmission Schematic References
Automatic Transmission Schematic References
Figure 2:

DIESEL 4L80E PCM, BRAKE SWITCH, TRANSMSSION


Object Number: 52795  Size: FS
Automatic Transmission Components Diesel
DIESEL 4L80E PCM, TRANSMISSION, SOLENOIDS
DIESEL 4L80E PCM, FUSES, VSS
OBD II Symbol Description Notice
Automatic Transmission Schematic References
Automatic Transmission Schematic References
Automatic Transmission Schematic References
Handling Electrostatic Discharge Sensitive Parts Notice
Figure 3:

DIESEL 4L80E PCM, TRANSMISSION, SOLENOIDS


Object Number: 52796  Size: FS
Automatic Transmission Components Diesel
DIESEL 4L80E PCM, BRAKE SWITCH, TRANSMISSION
OBD II Symbol Description Notice
DIESEL PCM, EGR, SENSORS
Handling Electrostatic Discharge Sensitive Parts Notice
Handling Electrostatic Discharge Sensitive Parts Notice

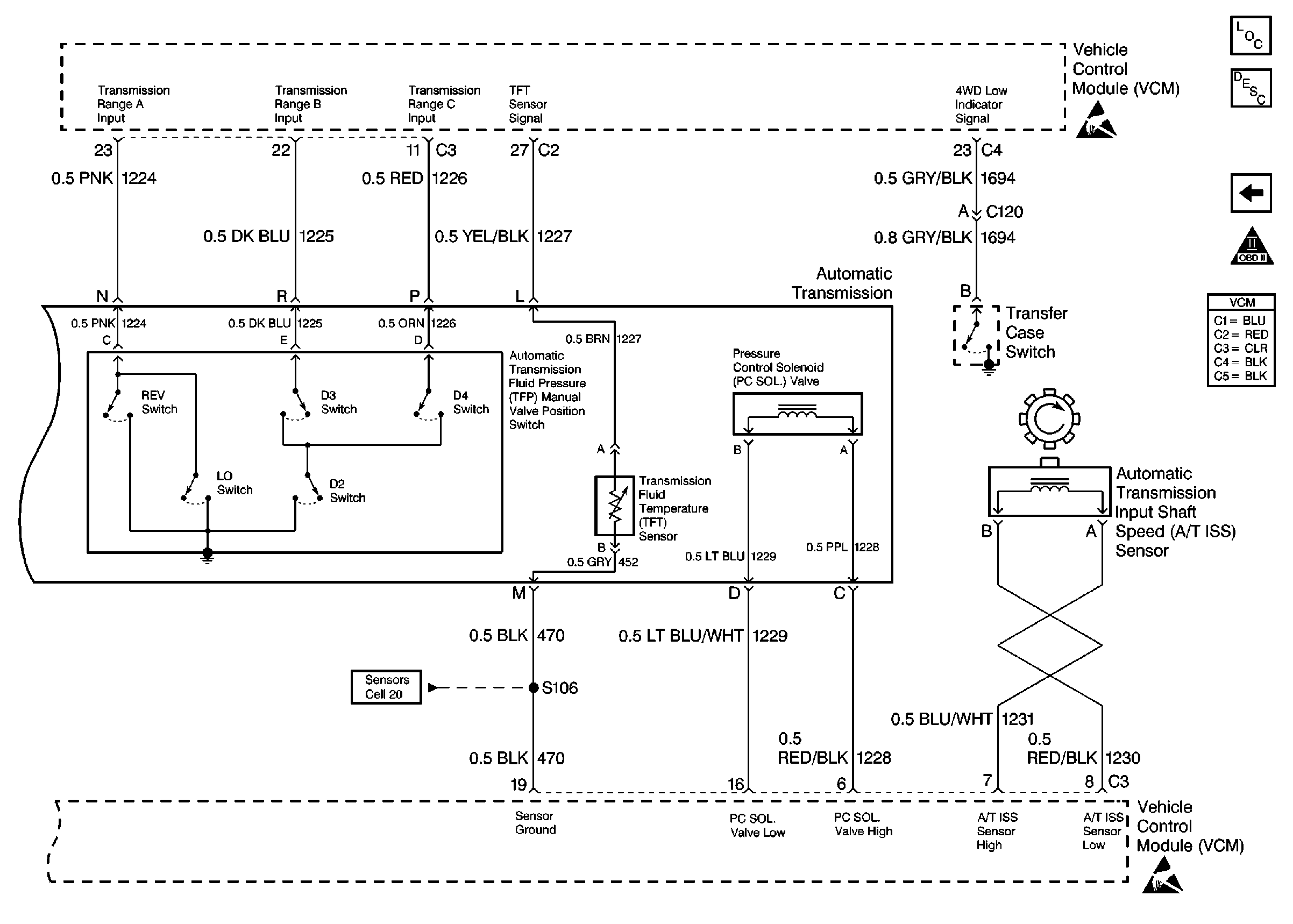
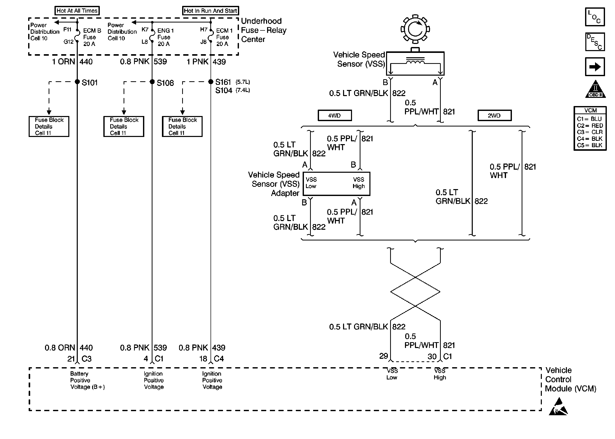
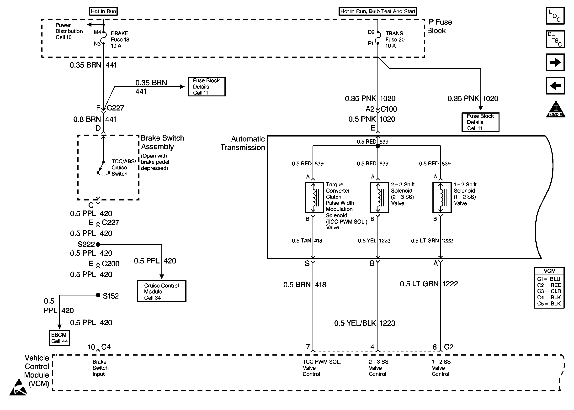
Automatic Transmission Controls Schematics 5.7 and 7.4 L Gas Schematics

Figure 1:

GAS 4L80E VAC, FUSES, VSS


Object Number: 52784  Size: FS
Automatic Transmission Components Gas
GAS 4L80E VCM, BRAKE SWITCH, TRANSMISSION
OBD II Symbol Description Notice
Automatic Transmission Schematic References
Automatic Transmission Schematic References
Automatic Transmission Schematic References
Handling Electrostatic Discharge Sensitive Parts Notice
Automatic Transmission Schematic References
Automatic Transmission Schematic References
Figure 2:

GAS 4L80E VCM, BRAKE SWITCH, TRANSMISSION


Object Number: 52786  Size: FS
Automatic Transmission Components Gas
GAS 4L80E VCM, TRANSMISSION, SOLENOIDS
GAS 4L80E VAC, FUSES, VSS
OBD II Symbol Description Notice
Automatic Transmission Schematic References
Automatic Transmission Schematic References
Automatic Transmission Schematic References
Automatic Transmission Schematic References
Handling Electrostatic Discharge Sensitive Parts Notice
Automatic Transmission Schematic References
Figure 3:

GAS 4L80E VCM, TRANSMISSION, SOLENOIDS


Object Number: 52788  Size: FS
Automatic Transmission Components Gas
GAS 4L80E VCM, BRAKE SWITCH, TRANSMISSION
OBD II Symbol Description Notice
Automatic Transmission Schematic References
Handling Electrostatic Discharge Sensitive Parts Notice
Handling Electrostatic Discharge Sensitive Parts Notice