GM Service Manual Online
For 1990-2009 cars only
Makes
🢒
Chevrolet
🢒
1997
🢒
Chevy C Pickup - 2WD
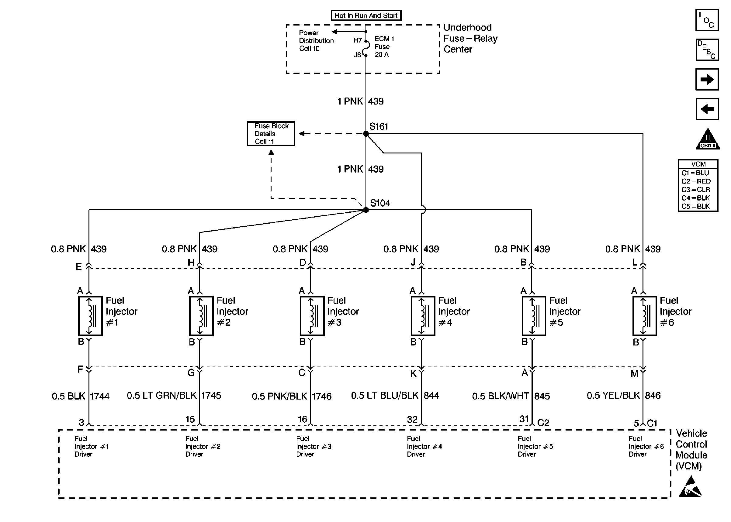
🢒 4.3L VCM, FUEL INJECTORS
4.3L VCM, FUEL INJECTORS
4.3L VCM, FUEL INJECTORS
Engine Controls Components
4.3L VCM, SENSORS
4.3L VCM, FUSE-RELAY, FUEL PUMP
OBD II Symbol Description Notice
Engine Controls Schematic References
Handling Electrostatic Discharge Sensitive Parts Notice
Engine Controls Schematic References