GM Service Manual Online
For 1990-2009 cars only
Makes
🢒
Chevrolet
🢒
1997
🢒
Chevy C Pickup - 2WD
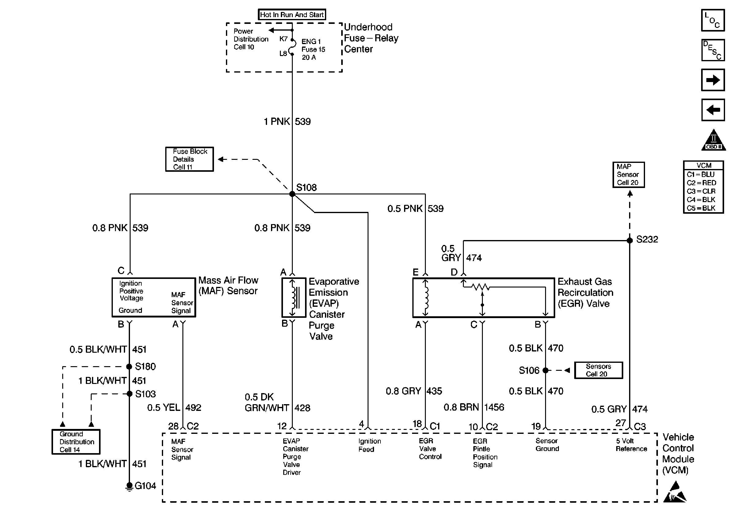
🢒 4.3L VCM, MAF, EVAP, EGR
4.3L VCM, MAF, EVAP, EGR
4.3L VCM, MAF, EVAP, EGR
Engine Controls Components
4.3L VCM, FUSE-RELAY, HO2S
4.3L VCM, SENSORS
OBD II Symbol Description Notice
Engine Controls Schematic References
4.3L VCM, SENSORS
4.3L VCM, SENSORS
Engine Controls Schematic References
Handling Electrostatic Discharge Sensitive Parts Notice
Engine Controls Schematic References