GM Service Manual Online
For 1990-2009 cars only
Makes
🢒
Chevrolet
🢒
1997
🢒
Chevy C Pickup - 2WD
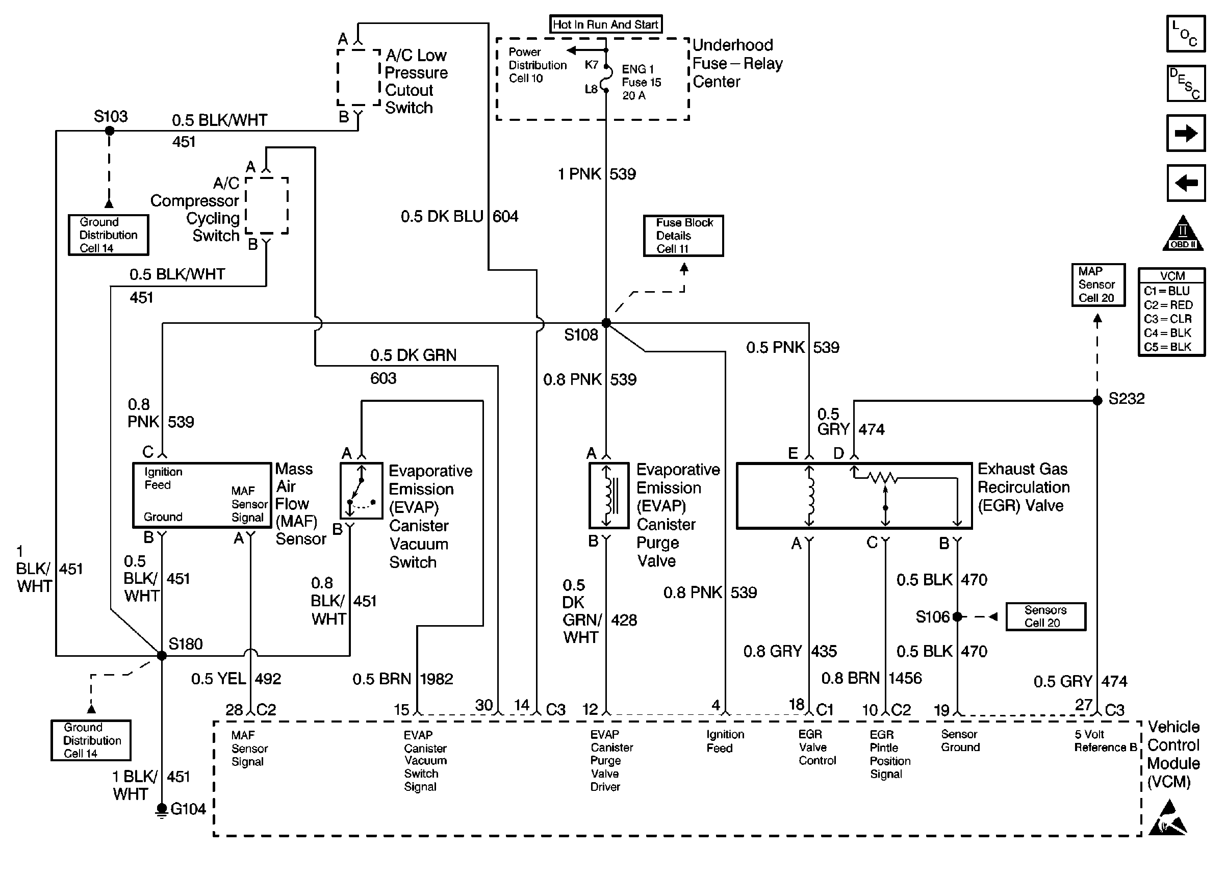
🢒 MAF, EVAP, and EGR - 5.0, 5.7, 7.4L
MAF, EVAP, and EGR - 5.0, 5.7, 7.4L
MAF, EVAP, and EGR - 5.0, 5.7, 7.4L
Engine Controls Components
A.I.R. System 7.4L
MAP, IAT, TP, and ECT Sensors - 5.0, 5.7, 7.4
OBD II Symbol Description Notice
Engine Controls Schematic References
MAP, IAT, TP, and ECT Sensors - 5.0, 5.7, 7.4
MAP, IAT, TP, and ECT Sensors - 5.0, 5.7, 7.4
Engine Controls Schematic References
Engine Controls Schematic References
Handling Electrostatic Discharge Sensitive Parts Notice
Engine Controls Schematic References