GM Service Manual Online
For 1990-2009 cars only
Makes
🢒
Chevrolet
🢒
1997
🢒
Chevy C Pickup - 2WD
🢒 4L60E VCM, FUSES, VSS
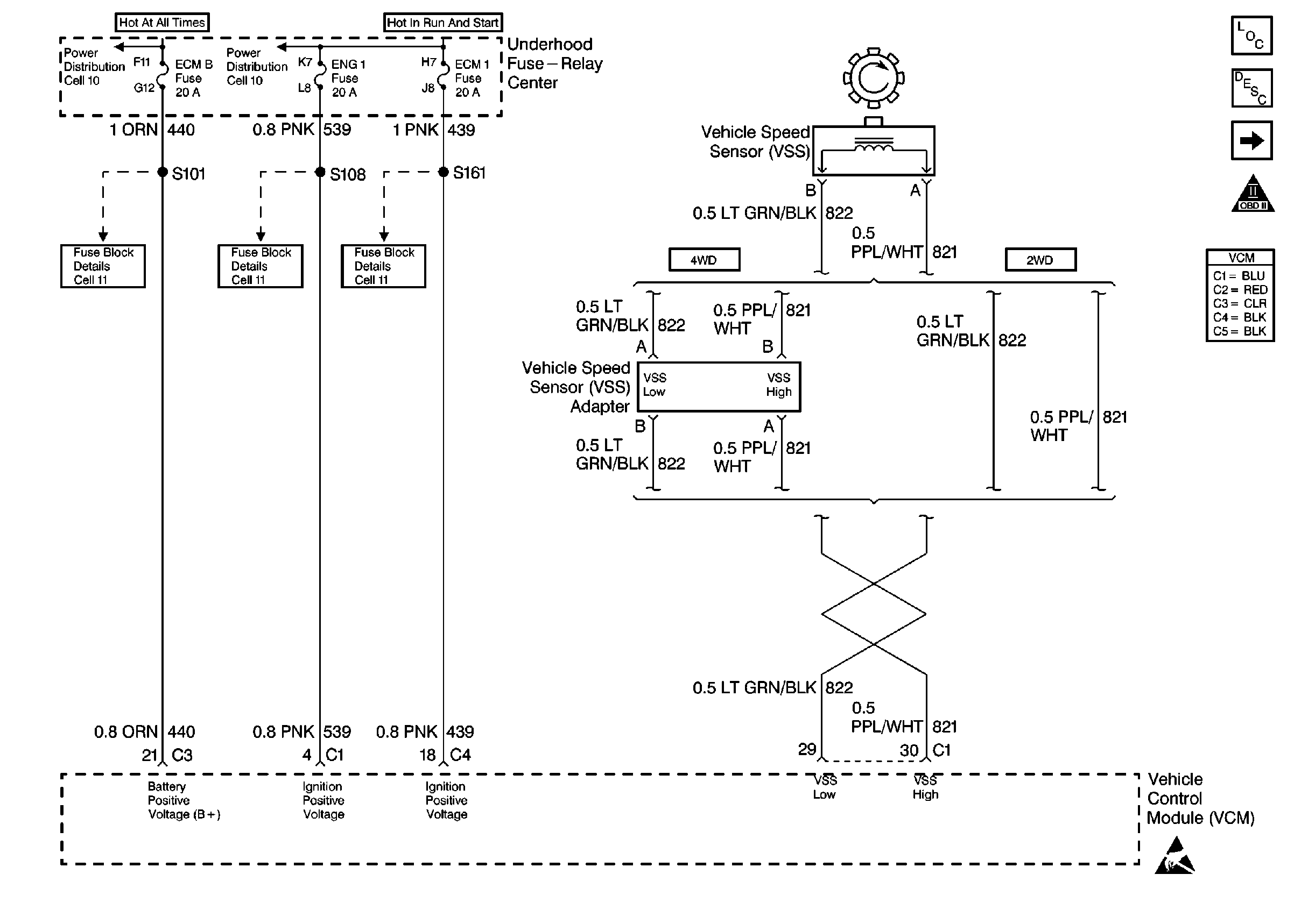
4L60E VCM, FUSES, VSS
4L60E VCM, FUSES, VSS
Automatic Transmission Components Schematic Components
4L60E VCM, BRAKE SWITCH, TRANSMISSION
OBD II Symbol Description Notice
DTC P0712 Transmission Fluid Temperature (TFT) Sensor Circuit Low Input
DTC P0712 Transmission Fluid Temperature (TFT) Sensor Circuit Low Input
DTC P0712 Transmission Fluid Temperature (TFT) Sensor Circuit Low Input
Handling Electrostatic Discharge Sensitive Parts Notice
DTC P0712 Transmission Fluid Temperature (TFT) Sensor Circuit Low Input
DTC P0712 Transmission Fluid Temperature (TFT) Sensor Circuit Low Input