GM Service Manual Online
For 1990-2009 cars only
Makes
🢒
Chevrolet
🢒
1997
🢒
Chevy C Pickup - 2WD
🢒 4L60E VCM, TRANSMISSION, SOLENOIDS
4L60E VCM, TRANSMISSION, SOLENOIDS
4L60E VCM, TRANSMISSION, SOLENOIDS
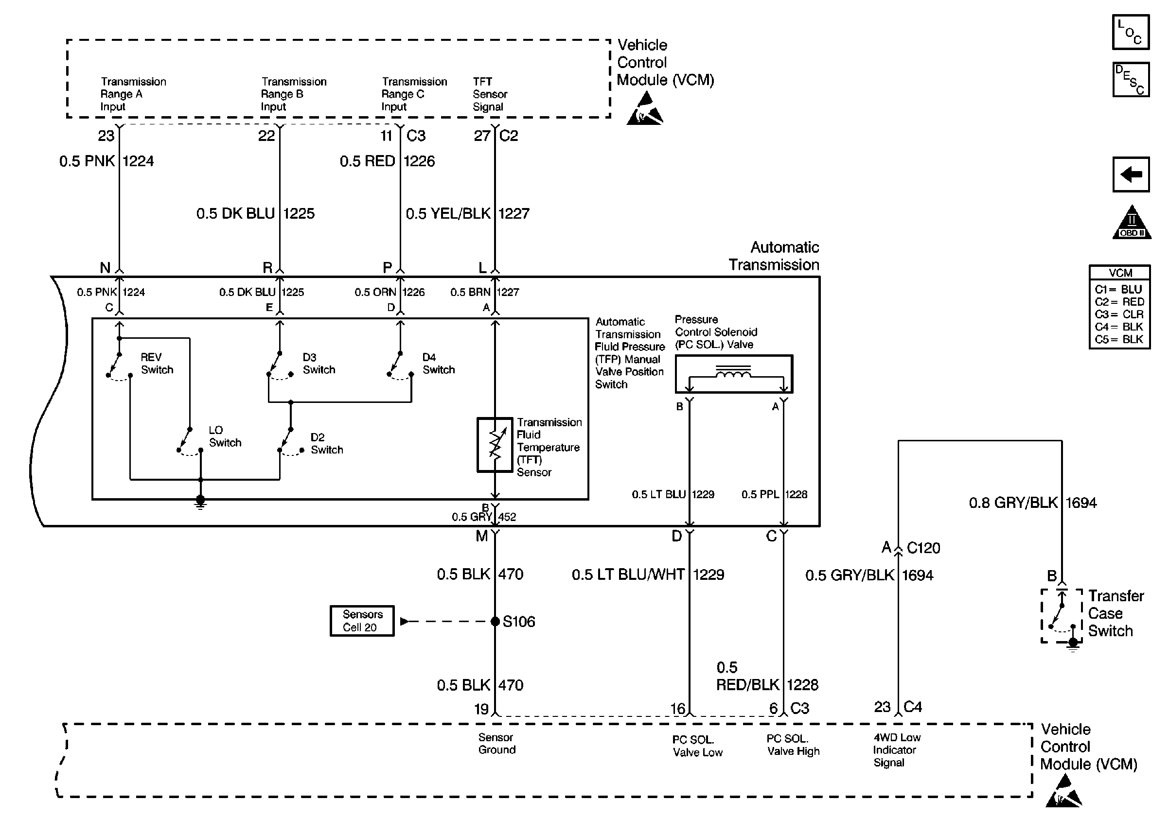
Automatic Transmission Components Schematic Components
4L60E VCM, BRAKE SWITCH, TRANSMISSION
OBD II Symbol Description Notice
4.3L VCM, SENSORS
Handling Electrostatic Discharge Sensitive Parts Notice
Handling Electrostatic Discharge Sensitive Parts Notice