GM Service Manual Online
For 1990-2009 cars only
Makes
🢒
Chevrolet
🢒
1997
🢒
Chevy C Pickup - 2WD
🢒 4.3L HO2S3 BANK 1
4.3L HO2S3 BANK 1
4.3L HO2S3 BANK 1
Engine Controls Components
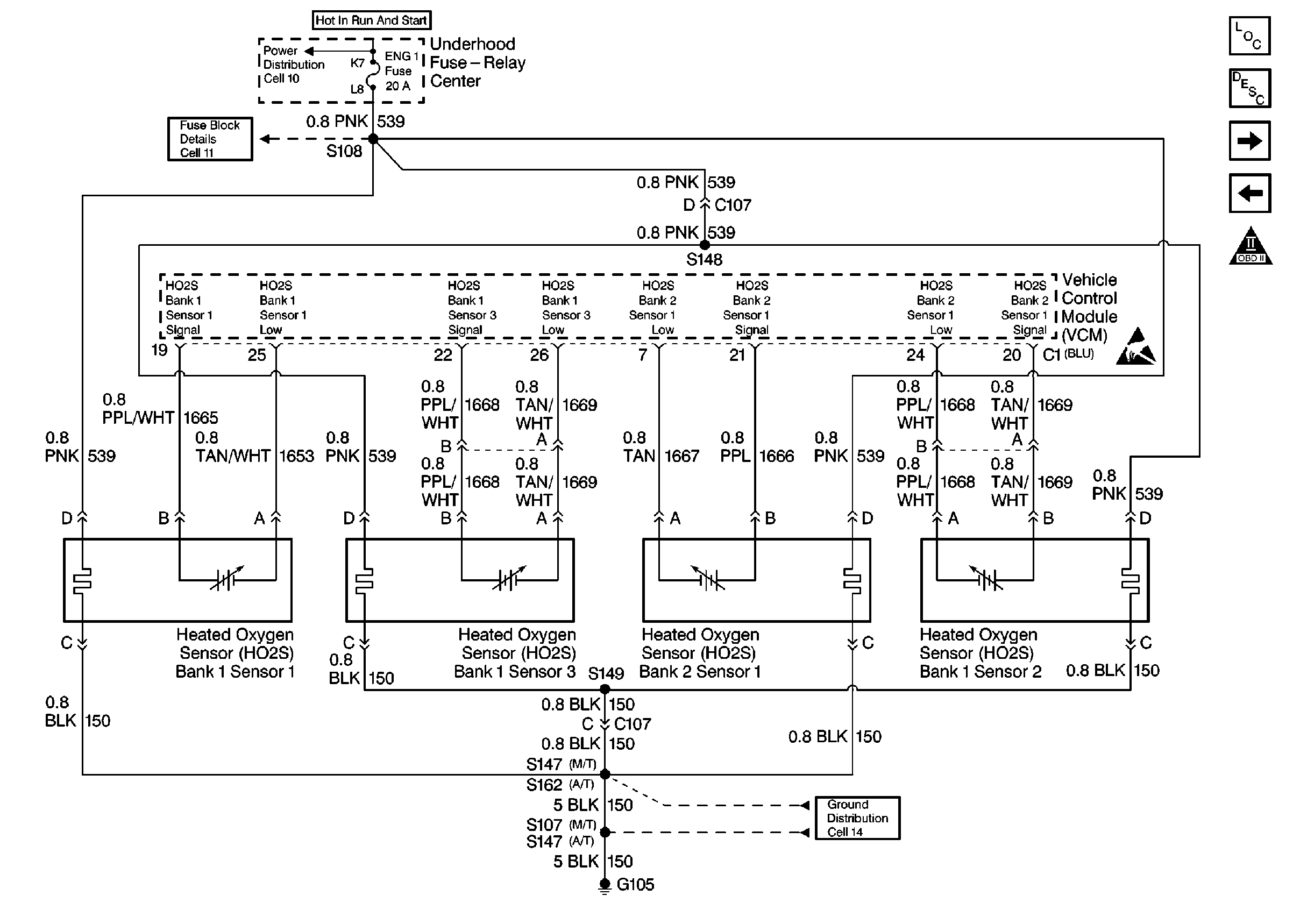
4.3L VCM, I/C, IAC
4.3L VCM, FUSE-RELAY, HO2S
OBD II Symbol Description Notice
Engine Controls Schematic References
Engine Controls Schematic References
Handling Electrostatic Discharge Sensitive Parts Notice
Engine Controls Schematic References