GM Service Manual Online
For 1990-2009 cars only

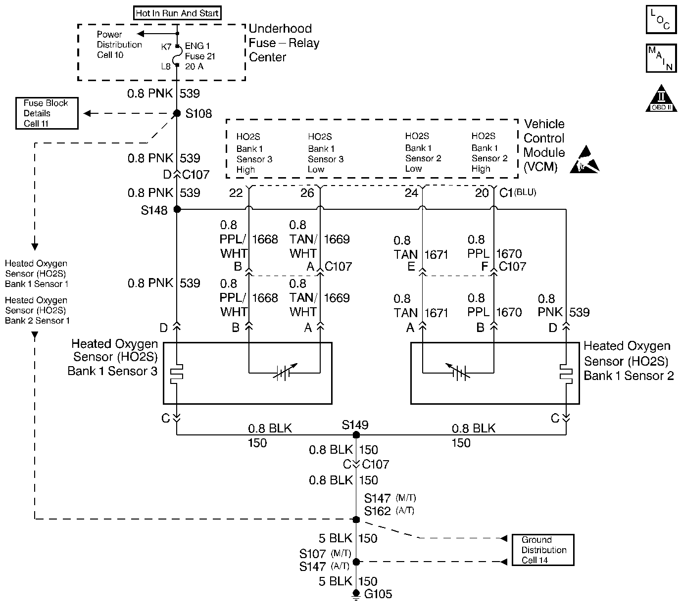
Object Number: 33435  Size: LF
Engine Controls Components
Engine Controls Schematics
OBD II Symbol Description Notice
Handling ESD Sensitive Parts Notice

Circuit Description

The system uses a three-way catalytic converter in order to control the emissions of Hydrocarbons (HC), Carbon Monoxide (CO) and Oxides of Nitrogen (NOx). The catalyst within the converter promotes a chemical reaction which oxidizes the HC and CO present in the exhaust gas, converting them into harmless water vapor and carbon dioxide. The catalyst also reduces NOx, converting it to nitrogen. The VCM has the capability to monitor this process using the HO2S (Bank 1, Sensor 1). The HO2S (Bank 1, Sensor 3), located in the exhaust downstream of the three-way catalytic converter, produces an output signal which indicates the oxygen storage capacity of the catalyst; this in turn indicates the catalysts ability to convert exhaust emissions effectively. If the catalyst is functioning correctly, the HO2S (Bank 1, Sensor 3) signal will be far less active than that produced by the HO2S (Bank 1, Sensor 2). If a problem exists which causes the VCM to detect an excessive HO2S (Bank 1, Sensor 3) activity outside of an acceptable range for an extended period of time, the VCM sets the DTC P0420. This DTC indicates that the three-way catalytic converters oxygen storage capacity is below a threshold considered acceptable. This is a type A DTC.

Conditions for Setting the DTC

Converter Warm Up Status

    • A Closed Loop
    • The commanded Air to Fuel ratio is 14.7:1
    • The MAF is greater than 15 g/s
    • The predicted Catalyst warm up temperature is greater than 450°C

Converter Warm Up Test Enable

    • Converter warm up test passed
    • The IAT is at least -9.75°C.
    • Engine coolant temperature is above 75°C (167°F)
    • The MAF sensor is less than 50 g/s.
    • The delta engine load is less than 8.9%
    • Vehicle speed is greater than 20 mph and less than 70 mph (less than 0 mph with scan tool installed)
    • The engine air load is less than 99%
    • The engine speed is no more than 4900 RPM.
    • The TP sensor is more than 1.9%.
    • No VS sensor DTCs
    • No TP sensor DTCs
    • No HO2S DTCs
    • No misfire DTCs
    • No MAP sensor DTCs
    • No fuel trim DTCs
    • No IAT sensor DTCs
    • No MAF sensor DTCs

Action Taken When the DTC Sets

The VCM will turn ON the Malfunction Indicator Lamp (MIL).

Conditions for Clearing the MIL/DTC

The VCM turns OFF the MIL after 3 consecutive driving trips without a fault condition present. A history DTC will clear if no fault conditions have been detected for 40 warm-up cycles (the coolant temperature has risen 22°C (40°F) from the start-up coolant temperature and the engine coolant temperature exceeds 71°C (160°F) during that same ignition cycle) or the scan tool clearing feature has been used.

Diagnostic Aids

Difficulty running the OBD II status DTC P0420 test may be encountered in areas where the test conditions cannot be maintained easily, especially in urban areas.

Test Description

Notice: In order to avoid damaging the replacement three-way catalytic converter, correct the engine misfire or mechanical fault before replacing the three-way catalytic converter.

The numbers below refer to the step numbers in the diagnostic table.

  1. This table includes checks for conditions that can cause the three-way catalytic converter efficiency to appear degraded. Inspect and repair exhaust system as necessary. Also inspect the HO2S (Bank 1, Sensor 3) pigtail and engine harness for any damage that can cause an intermittent fault in HO2S (Bank 1, Sensor 3) sensor signal HIGH and LOW circuits.

  2. If the three-way catalytic converter needs to be replaced, make sure that the following conditions are not present to caused the catalyst to be damaged:

  3. • Misfire
    • High engine oil consumption or coolant consumption
    • Retarded spark timing or weak spark.

Step

Action

Value(s)

Yes

No

1

Important: Before clearing DTCs, use the scan tool in order to record the freeze frame and the failure records for reference because the Clear Info function will lose the data.

Was the Powertrain On-Board Diagnostic (OBD) System Check performed?

--

Go to Step 2

Go to Powertrain On Board Diagnostic (OBD) System Check

2

Important: If any MAP sensor, HO2S (Bank 1, Sensor 1) or HO2S (Bank 1, Sensor 3), Misfire, Fuel Trim, Vehicle Speed sensor, or ECT sensor DTCs are set, diagnose those DTCs before using this table.

Are any other DTCs set?

--

Go to The Applicable DTC Table

Go to Step 3

3

Visually and physically check the following:

    • Verify that the Three-Way Catalytic Converter is an original equipment manufacturer part.
    • The Three-Way Catalytic Converter for damage such as the following conditions:
       - Dents
       - Severe discoloration caused by excessive temperatures
       - Holes, etc.
    • Ensure that the internal converter rattle (caused by the damaged catalyst) is not present.
    • The exhaust system between the Three-Way Catalytic Converter and the rear converter flange for the following conditions:
       - Leaks
       - Damage
       - Loose or missing hardware
    • Ensure that the HO2S (Bank 1, Sensor 3) is secure and that the HO2S (Bank 1, Sensor 3) pigtail and wiring is not damaged or contacting the exhaust.

Was a problem found?

--

Go to Step 9

Go to Step 4

4

Check all the VCM grounds.

Was a problem found?

--

Go to Step 9

Go to Step 5

5

Check all the sensor grounds.

Was a problem found?

--

Go to Step 9

Go to Step 6

6

Check the H02S (Bank 1, Sensor 3) sensor high and low circuits for an intermittent open.

Was a problem found?

--

Go to Step 9

Go to Step 6

7

Check the H02S (Bank 1, Sensor 3) sensor high and low circuits for a intermittent short to ground.

Was a problem found?

--

Go to Step 9

Go to Step 8

8

Notice: In order to avoid damaging the replacement three-way catalytic converter, correct the engine misfire or mechanical fault before replacing the three-way catalytic converter.

Important: If Three-Way Catalytic Converter needs to be replaced, check for a possible misfire (refer to DTC 300) or an engine mechanical problem.

Replace the Three-Way Catalytic Converter.

Is the action complete?

--

Go to Step 10

--

9

Repair the problem as necessary.

Is the repair complete?

--

Go to Step 10

--

10

  1. Using the scan tool, select the DTC and the Clear Info.
  2. Start the Engine.
  3. Idle at the normal operating temperature.
  4. Select the DTC and the Specific.
  5. Enter the DTC number which was set.
  6. Operate the vehicle within the conditions for setting this DTC as specified in the supporting text.

Does the scan tool indicate that this diagnostic ran and passed?

--

Go to Step 11

Go to Step 2

11

Using the scan tool, select the Capture Info and the Review Info.

Are any DTCs displayed that have not been diagnosed?

--

Go to The Applicable DTC Table

System OK