GM Service Manual Online
For 1990-2009 cars only

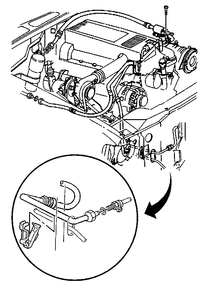
Auxiliary Air Conditioning Compressor and Condenser Hose Replacement 5.7L

Removal Procedure

Tools Required

J 38042 Dual O-Ring Separator

  1. Recover the refrigerant. Refer to Refrigerant Recovery and Recharging .

  2. Object Number: 258049  Size: MH
  3. Remove the bolt.
  4. Disconnect the hose assembly from the top of the compressor.
  5. Remove the sealing washers.
  6. Disconnect the hose from the accumulator using the J 38042 . Refer to O-Ring/Flat Washer Description .
  7. Disconnect the hose from the auxiliary A/C line using the J 38042 . Refer to O-Ring/Flat Washer Description .
  8. Remove the O-ring seals from the hose.
  9. Remove the hose from the clip.
  10. Disconnect the hose assembly from the condenser.
  11. Remove the O-ring seal.
  12. Cap or plug all the open connections.

Installation Procedure


    Object Number: 258049  Size: MH
  1. Coat the new O-ring seals with 525 viscosity refrigerant oil.
  2. Install the new O-ring seals to the auxiliary A/C hose.
  3. Notice: Use the correct fastener in the correct location. Replacement fasteners must be the correct part number for that application. Fasteners requiring replacement or fasteners requiring the use of thread locking compound or sealant are identified in the service procedure. Do not use paints, lubricants, or corrosion inhibitors on fasteners or fastener joint surfaces unless specified. These coatings affect fastener torque and joint clamping force and may damage the fastener. Use the correct tightening sequence and specifications when installing fasteners in order to avoid damage to parts and systems.

  4. Connect the hose assembly to the auxiliary A/C line.
  5. Tighten
    Tighten the hose assembly to 24 N·m (18 lb ft).

  6. Coat the new O-ring seal with 525 viscosity refrigerant oil.
  7. Install the new O-ring seal to the condenser hose.
  8. Connect the hose assembly.
  9. Tighten
    Tighten the hose assembly to 24 N·m (18 lb ft).

  10. Coat the new O-ring seals with 525 viscosity refrigerant oil.
  11. Install the new O-ring seals to the accumulator hose.
  12. Connect the hose assembly to the accumulator.
  13. Tighten
    Tighten the hose assembly to 24 N·m (18 lb ft).

  14. Install the sealing washers. Refer to Compressor Sealing Washers Replacement .
  15. Connect the hose assembly to the top of the compressor.
  16. Install the bolt.
  17. Tighten
    Tighten the bolt to 34 N·m (25 lb ft).

  18. Charge the system. Refer to Refrigerant Recovery and Recharging .
  19. Inspect the system for leaks. Refer to Leak Testing .

Auxiliary Air Conditioning Compressor and Condenser Hose Replacement 7.4L

Removal Procedure

Tools Required

J 38042 Dual O-ring Separator

  1. Recover the refrigerant. Refer to Refrigerant Recovery and Recharging .

  2. Object Number: 258061  Size: MH
  3. Remove the bolt.
  4. Disconnect the hose assembly from the top of the compressor.
  5. Remove the sealing washers. Refer to Compressor Sealing Washers Replacement .
  6. Disconnect the hose from the accumulator using the J 38042 . Refer to O-Ring Replacement - Dual .
  7. Disconnect the hose from the auxiliary A/C line using the J 38042 . Refer to O-Ring Replacement - Dual .
  8. Remove the O-ring seals from the hose.
  9. Remove the hose from the clip.
  10. Disconnect the hose assembly from the condenser.
  11. Remove the O-ring seal.
  12. Cap or plug all the open connections.

Installation Procedure


    Object Number: 258061  Size: MH
  1. Coat the new O-ring seals with 525 viscosity refrigerant oil.
  2. Install the new O-ring seals to the auxiliary A/C hose.
  3. Notice: Use the correct fastener in the correct location. Replacement fasteners must be the correct part number for that application. Fasteners requiring replacement or fasteners requiring the use of thread locking compound or sealant are identified in the service procedure. Do not use paints, lubricants, or corrosion inhibitors on fasteners or fastener joint surfaces unless specified. These coatings affect fastener torque and joint clamping force and may damage the fastener. Use the correct tightening sequence and specifications when installing fasteners in order to avoid damage to parts and systems.

  4. Connect the hose assembly to the auxiliary A/C line.
  5. Tighten
    Tighten the hose assembly to 24 N·m (18 lb ft).

  6. Coat the new O-ring seal with 525 viscosity refrigerant oil.
  7. Install the new O-ring seal to the condenser hose.
  8. Connect the hose assembly.
  9. Tighten
    Tighten the hose assembly to 24 N·m (18 lb ft).

  10. Coat the new O-ring seals with 525 viscosity refrigerant oil.
  11. Install the new O-ring seals to the accumulator hose.
  12. Connect the hose assembly to the accumulator.
  13. Tighten
    Tighten the hose assembly to 24 N·m (18 lb ft).

  14. Install the sealing washers. Refer to Compressor Sealing Washers Replacement .
  15. Connect the hose assembly to the top of the compressor.
  16. Install the bolt.
  17. Tighten
    Tighten the bolt to 34 N·m (25 lb ft).

  18. Charge the system. Refer to Refrigerant Recovery and Recharging .
  19. Inspect the system for leaks. Refer to Leak Testing .

Auxiliary Air Conditioning Compressor and Condenser Hose Replacement 6.5L

Removal Procedure

Tools Required

J 38042 Dual O-Ring Separator

  1. Recover the refrigerant. Refer to Refrigerant Recovery and Recharging .

  2. Object Number: 258072  Size: MH
  3. Remove the bolt.
  4. Disconnect the hose assembly from the top of the compressor.
  5. Remove the sealing washers. Refer to Compressor Sealing Washers Replacement .
  6. Disconnect the hose from the accumulator using the J 38042 . Refer to O-Ring Replacement - Dual .
  7. Disconnect the hose from the auxiliary A/C line using the J 38042 . Refer to O-Ring Replacement - Dual .
  8. Remove the O-ring seals from the hose.
  9. Remove the hose from the bracket.
  10. Disconnect the hose assembly from the condenser.
  11. Remove the O-ring seal.
  12. Cap or plug all the open connections.

Installation Procedure


    Object Number: 258072  Size: MH
  1. Coat the new O-ring seals with 525 viscosity refrigerant oil.
  2. Install the new O-ring seals to the auxiliary A/C hose.
  3. Notice: Use the correct fastener in the correct location. Replacement fasteners must be the correct part number for that application. Fasteners requiring replacement or fasteners requiring the use of thread locking compound or sealant are identified in the service procedure. Do not use paints, lubricants, or corrosion inhibitors on fasteners or fastener joint surfaces unless specified. These coatings affect fastener torque and joint clamping force and may damage the fastener. Use the correct tightening sequence and specifications when installing fasteners in order to avoid damage to parts and systems.

  4. Connect the hose assembly to the auxiliary A/C line.
  5. Tighten
    Tighten the hose assembly to 24 N·m (18 lb ft).

  6. Coat the new O-ring seal with 525 viscosity refrigerant oil.
  7. Install the new O-ring seal to the condenser hose.
  8. Connect the hose assembly.
  9. Tighten
    Tighten the hose assembly to 24 N·m (18 lb ft).

  10. Coat the new O-ring seals with 525 viscosity refrigerant oil.
  11. Install the new O-ring seals to the accumulator hose.
  12. Connect the hose assembly to the accumulator.
  13. Tighten
    Tighten the hose assembly to 24 N·m (18 lb ft).

  14. Install the sealing washers. Refer to Compressor Sealing Washers Replacement .
  15. Connect the hose assembly to the top of the compressor.
  16. Install the bolt.
  17. Tighten
    Tighten the bolt to 34 N·m (25 lb ft).

  18. Charge the system. Refer to Refrigerant Recovery and Recharging
  19. Inspect the system for leaks. Refer to Leak Testing .