GM Service Manual Online
For 1990-2009 cars only
Makes
🢒
Chevrolet
🢒
1998
🢒
Chevy C Pickup - 2WD
🢒
HVAC
🢒
HVAC Systems - Manual
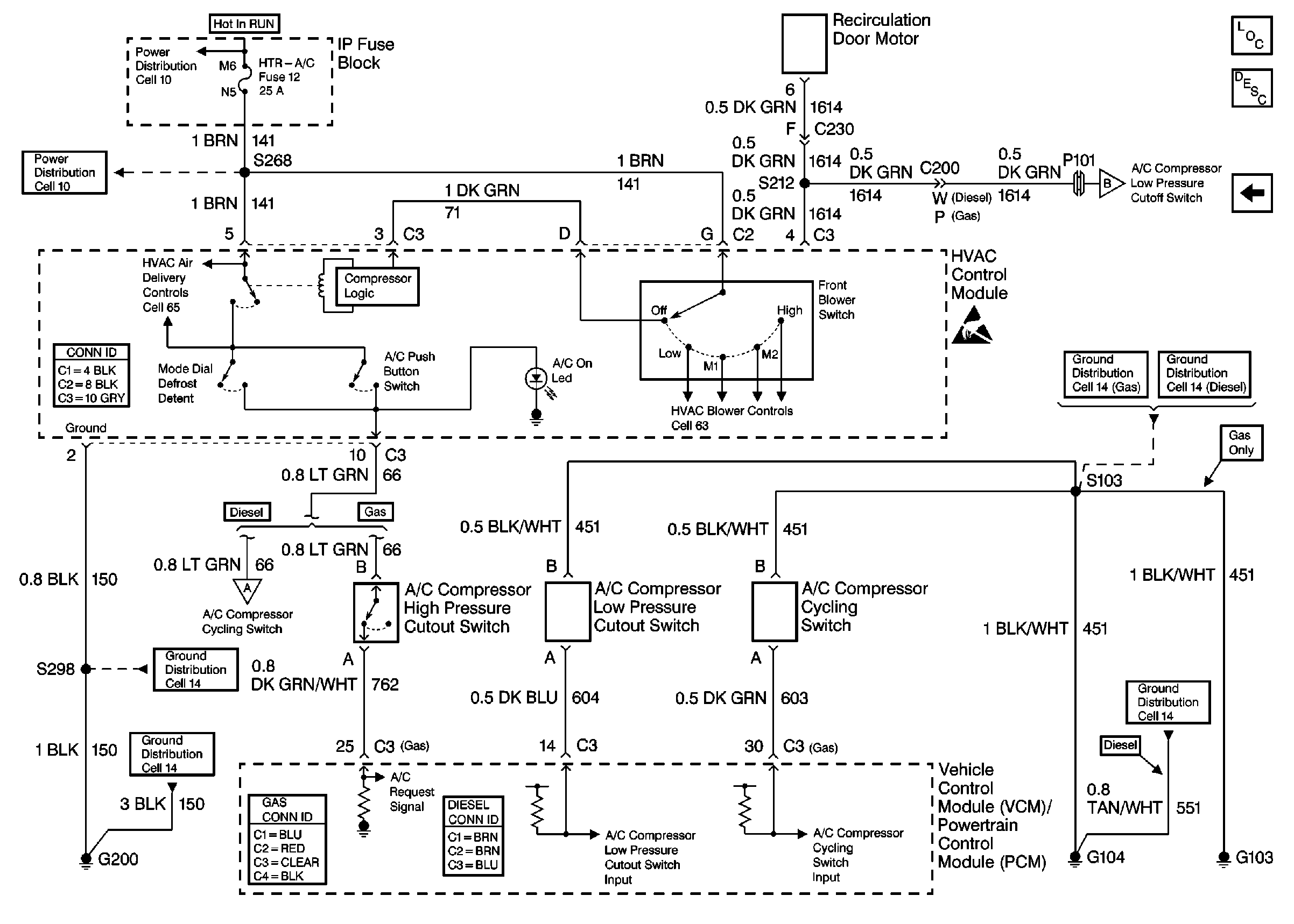
🢒 HVAC Compressor Control Schematics
Figure
1:
Cell 64: 1 of 2
Cell 64: 2 of 2
Cell 64: 2 of 2
Ground Distribution Schematics
Ground Distribution Schematics
Ground Distribution Schematics
Power Distribution Schematics
Power Distribution Schematics
Ground Distribution Schematics
Ground Distribution Schematics
Handling ESD Sensitive Parts Notice
Cell 64: 2 of 2
HVAC Blower Controls Circuit Description
HVAC Components
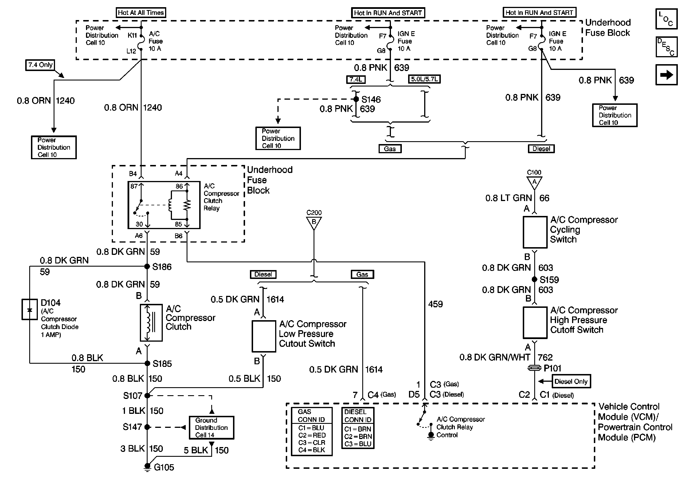
Figure
2:
Cell 64: 2 of 2
HVAC Components
HVAC Blower Controls Circuit Description
Cell 64: 1 of 2
Power Distribution Schematics
Power Distribution Schematics
Power Distribution Schematics
Power Distribution Schematics
Power Distribution Schematics
Power Distribution Schematics
Ground Distribution Schematics
Cell 64: 1 of 2
Cell 64: 1 of 2