GM Service Manual Online
For 1990-2009 cars only
Makes
🢒
Chevrolet
🢒
1998
🢒
Chevy C Pickup - 2WD
🢒
Body and Accessories
🢒
Lighting Systems
🢒 Exterior Lights Schematics
Figure
1:
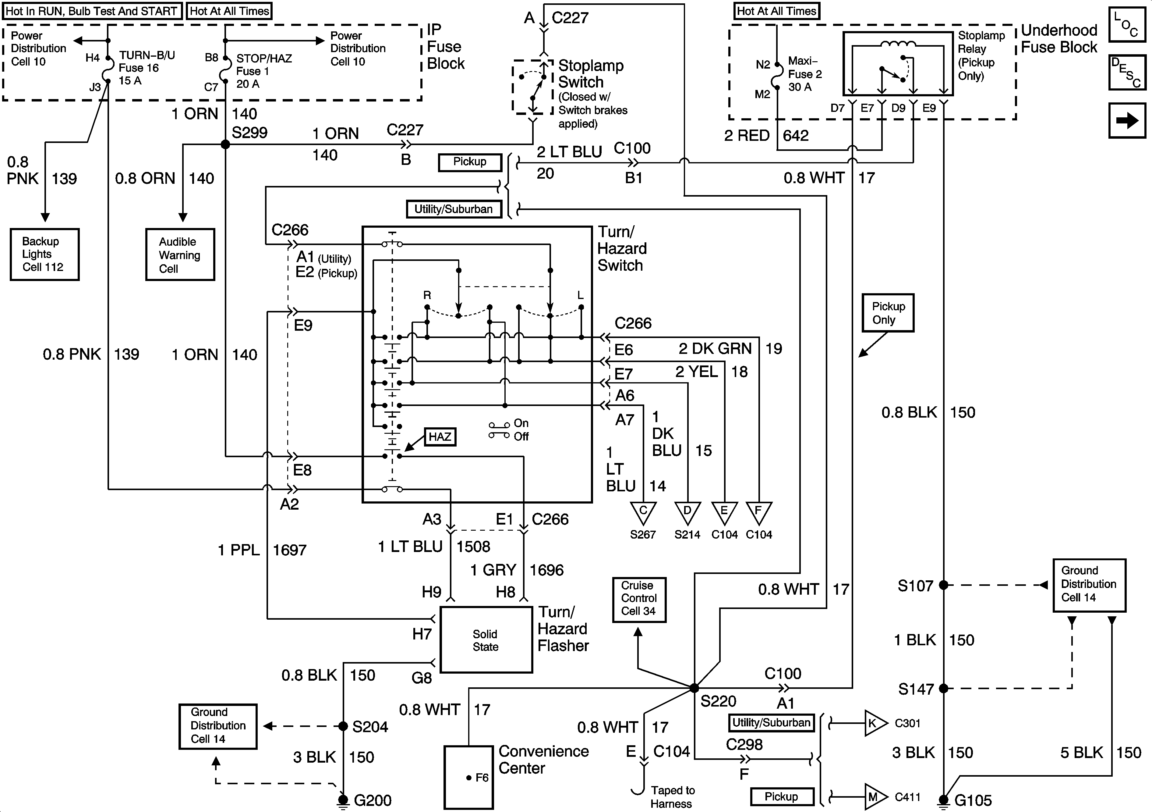
Cell 110: STOP/HAZ Fuse 1, Turn/Hazard Switch, Turn/Hazard Flasher
Exterior Lights Circuit Description
Cell 110: Front Park and Turn Lamps, Roof Marker Lamps
Lighting Systems Components
Ground Distribution Schematics
Cell 110: AUX Fuse 22, Center High Mount Stop Lamp
Cell 110: CTSY Fuse 3, Cargo Lamp (Pickup Only)
Power Distribution Schematics
Power Distribution Schematics
Backup Lamp Schematics
Audible Warnings Schematics
Cell 110: Front Park and Turn Lamps, Roof Marker Lamps
Cell 110: Tail/Stop-Turn Lamps, Endgate Marker Lamps
Cruise Control Schematics Gasoline
Ground Distribution Schematics
Cell 110: Front Park and Turn Lamps, Roof Marker Lamps
Cell 110: Tail/Stop-Turn Lamps, Endgate Marker Lamps
Figure
2:
Cell 110: Front Park and Turn Lamps, Roof Marker Lamps
Exterior Lights Circuit Description
Lighting Systems Components
Interior Lights Schematics
Cell 110: STOP/HAZ Fuse 1, Turn/Hazard Switch, Turn/Hazard Flasher
Cell 110: Tail/Stop-Turn Lamps, Endgate Marker Lamps
Handling ESD Sensitive Parts Notice
Ground Distribution Schematics
Cell 110: Tail/Stop-Turn Lamps, Endgate Marker Lamps
Fog Lights Schematics
Handling ESD Sensitive Parts Notice
Cell 110: Instrument Cluster, G103 and G104
Cell 110: STOP/HAZ Fuse 1, Turn/Hazard Switch, Turn/Hazard Flasher
Ground Distribution Schematics
Ground Distribution Schematics
Cell 110: Instrument Cluster, G103 and G104
Power Distribution Schematics
Ground Distribution Schematics
Cell 110: STOP/HAZ Fuse 1, Turn/Hazard Switch, Turn/Hazard Flasher
Figure
3:
Cell 110: Tail/Stop-Turn Lamps, Endgate Marker Lamps
Exterior Lights Circuit Description
Cell 110: Instrument Cluster, G103 and G104
Cell 110: Front Park and Turn Lamps, Roof Marker Lamps
Cell 110: STOP/HAZ Fuse 1, Turn/Hazard Switch, Turn/Hazard Flasher
Cell 110: Trailer Tow
Cell 110: Front Park and Turn Lamps, Roof Marker Lamps
Cell 110: Trailer Tow
Cell 110: Trailer Tow
Cell 110: Trailer Tow
Cell 110: STOP/HAZ Fuse 1, Turn/Hazard Switch, Turn/Hazard Flasher
Lighting Systems Components
Figure
4:
Cell 110: Instrument Cluster, G103 and G104
Lighting Systems Components
Exterior Lights Circuit Description
Cell 110: AUX Fuse 22, Center High Mount Stop Lamp
Cell 110: Tail/Stop-Turn Lamps, Endgate Marker Lamps
Cell 110: Front Park and Turn Lamps, Roof Marker Lamps
Cell 110: Front Park and Turn Lamps, Roof Marker Lamps
Handling ESD Sensitive Parts Notice
Instrument Cluster: Analog Schematics
Instrument Cluster: Analog Schematics
Ground Distribution Schematics
Ground Distribution Schematics
Figure
5:
Cell 110: AUX Fuse 22, Center High Mount Stop Lamp
Exterior Lights Circuit Description
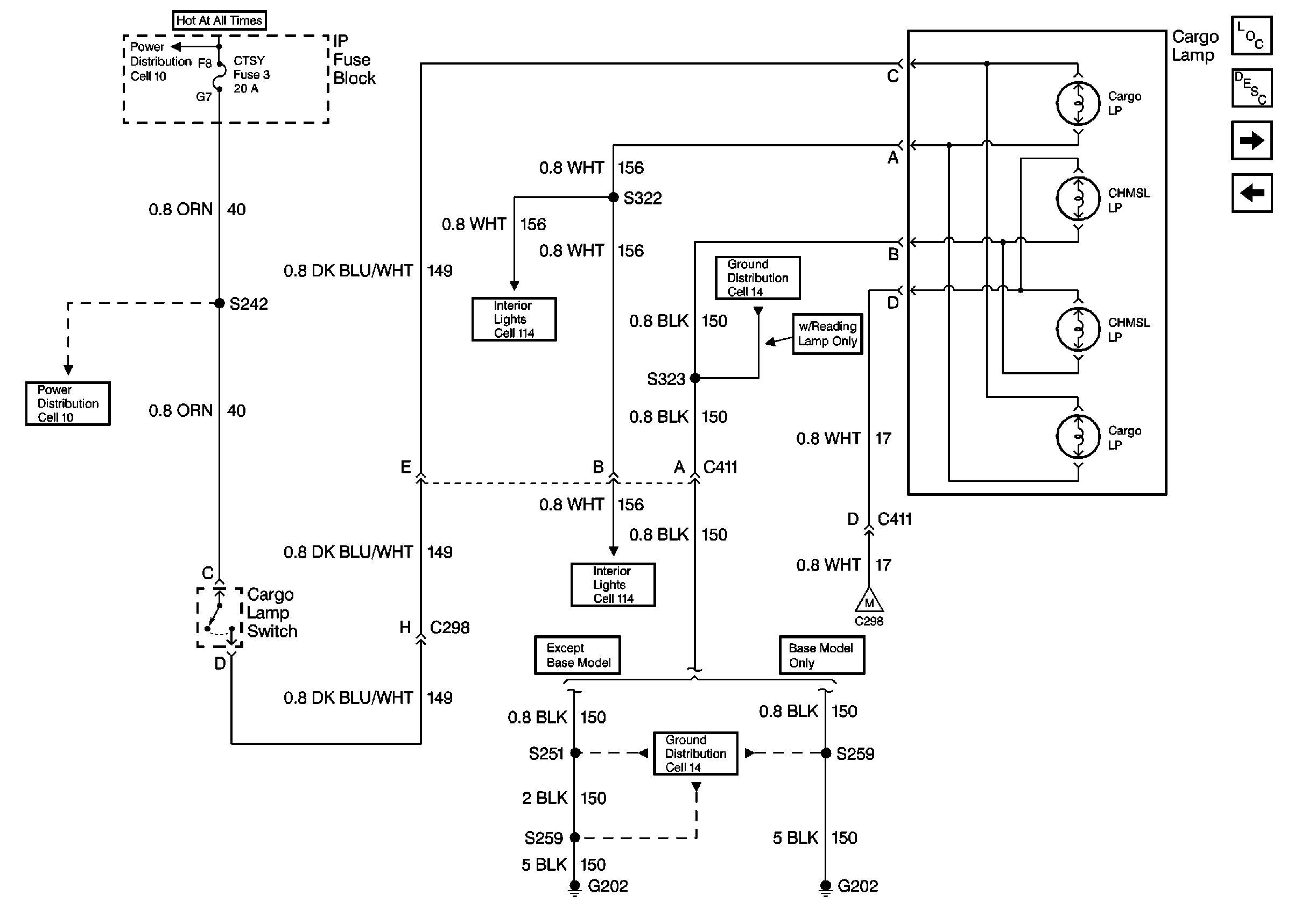
Cell 110: CTSY Fuse 3, Cargo Lamp (Pickup Only)
Cell 110: CTSY Fuse 3, Cargo Lamp (Pickup Only)
Lighting Systems Components
Cell 110: STOP/HAZ Fuse 1, Turn/Hazard Switch, Turn/Hazard Flasher
Power Distribution Schematics
Ground Distribution Schematics
Figure
6:
Cell 110: CTSY Fuse 3, Cargo Lamp (Pickup Only)
Exterior Lights Circuit Description
Cell 110: AUX Fuse 22, Center High Mount Stop Lamp
Lighting Systems Components
Cell 110: Trailer Tow
Ground Distribution Schematics
Cell 110: STOP/HAZ Fuse 1, Turn/Hazard Switch, Turn/Hazard Flasher
Ground Distribution Schematics
Power Distribution Schematics
Power Distribution Schematics
Interior Lights Schematics
Interior Lights Schematics
Figure
7:
Cell 110: Trailer Tow
Exterior Lights Circuit Description
Cell 110: CTSY Fuse 3, Cargo Lamp (Pickup Only)
Lighting Systems Components
Backup Lamp Schematics
Cell 110: Tail/Stop-Turn Lamps, Endgate Marker Lamps
Cell 110: Tail/Stop-Turn Lamps, Endgate Marker Lamps
Cell 110: Tail/Stop-Turn Lamps, Endgate Marker Lamps