GM Service Manual Online
For 1990-2009 cars only
Makes
🢒
Chevrolet
🢒
1998
🢒
Chevy C Pickup - 2WD
🢒
Body and Accessories
🢒
Lighting Systems
🢒 Interior Lights Dimming Schematics
Figure
1:
Cell 117: PK LPS Fuse 9, ILLUM Fuse 14, Headlamp and Panel Dimmer Switch (1 of 2)
Lighting Systems Components
Interior Lights Dimming Circuit Description
Cell 117: PK LPS Fuse 9, ILLUM Fuse 14, Headlamp and Panel Dimmer Switch(2 of 2)
Cell 117: PK LPS Fuse 9, ILLUM Fuse 14, Headlamp and Panel Dimmer Switch(2 of 2)
Cell 117: PK LPS Fuse 9, ILLUM Fuse 14, Headlamp and Panel Dimmer Switch(2 of 2)
Power Distribution Schematics
Power Distribution Schematics
Handling ESD Sensitive Parts Notice
Handling ESD Sensitive Parts Notice
SIR Handling Caution
Handling ESD Sensitive Parts Notice
Cell 117: IP Ground G200
Handling ESD Sensitive Parts Notice
SIR Handling Caution
Instrument Cluster: Analog Schematics
Radio/Audio System Schematics
Figure
2:
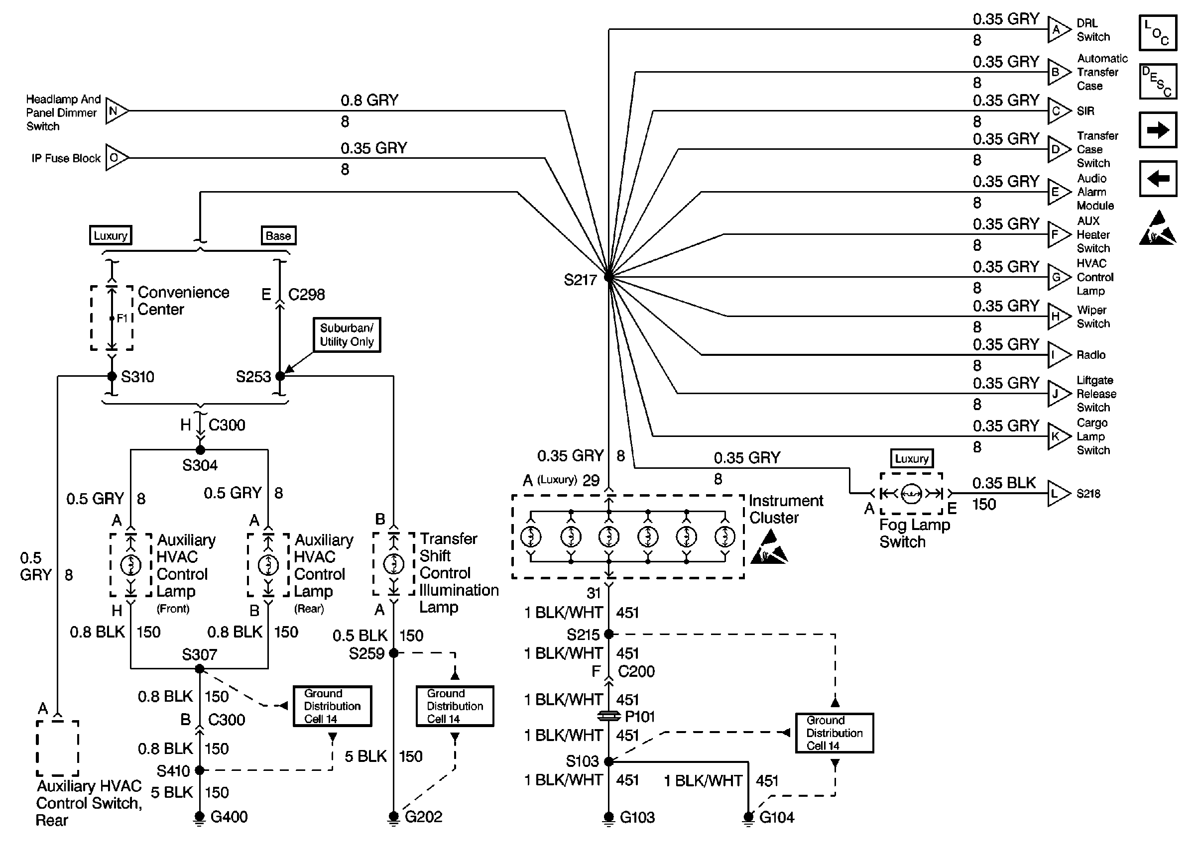
Cell 117: PK LPS Fuse 9, ILLUM Fuse 14, Headlamp and Panel Dimmer Switch (2 of 2)
Cell 117: IP Ground G200
Handling ESD Sensitive Parts Notice
Handling ESD Sensitive Parts Notice
Cell 117: PK LPS Fuse 9, ILLUM Fuse 14, Headlamp and Panel Dimmer Switch (1 of 2)
Cell 117: IP Ground G200
Interior Lights Dimming Circuit Description
Lighting Systems Components
Ground Distribution Schematics
Ground Distribution Schematics
Ground Distribution Schematics
Cell 117: PK LPS Fuse 9, ILLUM Fuse 14, Headlamp and Panel Dimmer Switch (1 of 2)
Cell 117: PK LPS Fuse 9, ILLUM Fuse 14, Headlamp and Panel Dimmer Switch (1 of 2)
Figure
3:
Cell 117: IP Ground G200
Cell 117: PK LPS Fuse 9, ILLUM Fuse 14, Headlamp and Panel Dimmer Switch(2 of 2)
Handling ESD Sensitive Parts Notice
Handling ESD Sensitive Parts Notice
Ground Distribution Schematics
Lighting Systems Components
Interior Lights Dimming Circuit Description
Handling ESD Sensitive Parts Notice
Cell 117: PK LPS Fuse 9, ILLUM Fuse 14, Headlamp and Panel Dimmer Switch(2 of 2)
SIR Handling Caution
Cell 117: PK LPS Fuse 9, ILLUM Fuse 14, Headlamp and Panel Dimmer Switch (1 of 2)
Handling ESD Sensitive Parts Notice
SIR Handling Caution
Cell 117: PK LPS Fuse 9, ILLUM Fuse 14, Headlamp and Panel Dimmer Switch(2 of 2)
Ground Distribution Schematics
Ground Distribution Schematics
Radio/Audio System Schematics