GM Service Manual Online
For 1990-2009 cars only
Makes
🢒
Chevrolet
🢒
1998
🢒
Chevy C Pickup - 2WD
🢒
Body and Accessories
🢒
Wiring Systems
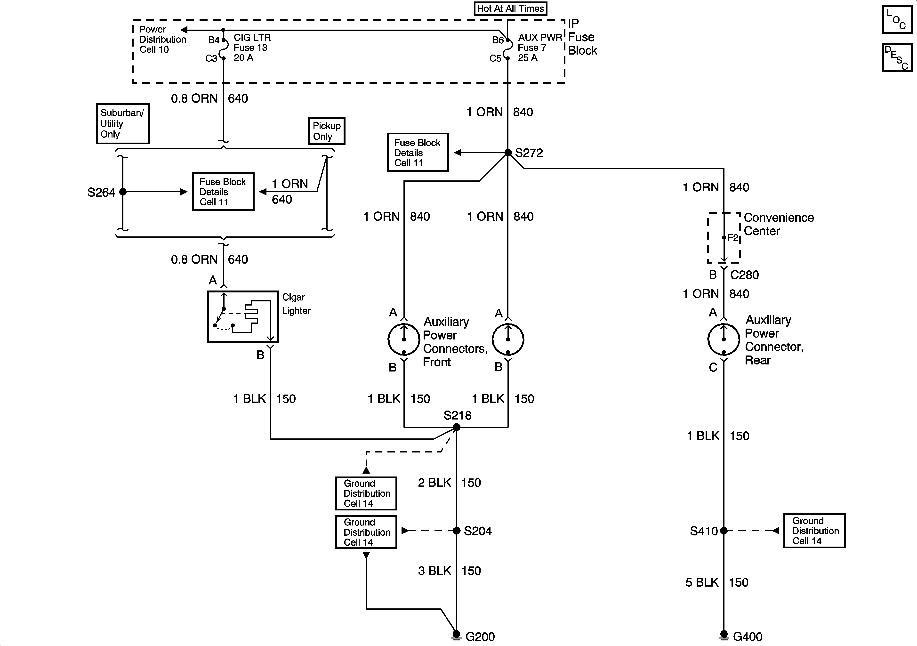
🢒 Cigar Lighter/Power Outlet Schematics
Power and Grounding Components
Cigar Lighter/Auxiliary Outlet Circuit Description
Cell 10: IGN A and CIG LTR Fuses, PWR ACCY Circuit Breaker
Cell 11: STOP/HAZ, RADIO BATT and AUX PWR Fuses
Cell 11: CIG LTR Fuse
Cell 14: G200 (2 of 4)
Cell 14: G200 (1 of 4)
Cell 14: G400
Ground Distribution Schematics
Ground Distribution Schematics
Ground Distribution Schematics