GM Service Manual Online
For 1990-2009 cars only

Fuel Gauge

The fuel gauge is an electrical instrument that measures an electrical current from a variable resistor in the fuel tank. A float controls the variable resistance.

When the fuel tank is full, the resistance is high. Then, the fuel gauge moves to the maximum position (Full) on the gauge face. For diagnostic information, refer to Instrument Cluster System Check .

Fuel Gauge Sender

The fuel gauge sender attaches to the top of the fuel tank. A cam lock ring retains the sender. The tank and the sender uses a seal between them.

The sender has two or three pipes attached to hoses. One pipe is for the fuel feed line. The second pipe connects to the vapor canister. The third pipe is a fuel return line to the fuel tank.

Some senders use a short pigtail connector lead. On other senders, the connector attaches directly to the sender. For diagnostic information, refer to Instrument Cluster System Check

Coolant Temperature Gauge

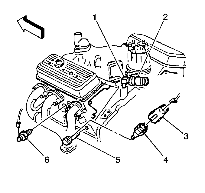
Coolant Temperature and Oil Pressure Senders (4.3L Engine)


Object Number: 277098  Size: SH
(1)Fitting
(2)Oil Pressure Sender
(3)Shield
(4)Oil Pressure Sensor
(5)Fitting
(6)Coolant Temperature Sensor

Coolant Temperature and Oil Pressure Senders (5.0 and 5.7L Engines)


Object Number: 277099  Size: SH
(1)Fitting
(2)Oil Pressure Sender
(3)Shield
(4)Oil Pressure Sensor
(5)Fitting
(6)Coolant Temperature Sensor

Coolant Temperature Sender (7.4L Engine)


Object Number: 277101  Size: SH
(1)Coolant Temperature Sender

Coolant Temperature Sender (6.5L Engine)


Object Number: 277103  Size: SH
(1)Coolant Temperature Sender

The coolant temperature gauge is an electrical gauge that measures current from a water temperature sender in the cylinder head. The sender is in the middle of the cylinder head on the driver's side (4.3L, 5.0L, 5.7L and 7.4L Engines). The 6.5L diesel engine has the coolant temperature sender on the front of the cylinder head. For diagnostic information, refer to Instrument Cluster System Check .

Oil Pressure Gauge

Coolant Temperature and Oil Pressure Senders (4.3L Engine)


Object Number: 277098  Size: SH
(1)Fitting
(2)Oil Pressure Sender
(3)Shield
(4)Oil Pressure Sensor
(5)Fitting
(6)Coolant Temperature Sensor

Coolant Temperature and Oil Pressure Senders (5.0 and 5.7L Engines)


Object Number: 277099  Size: SH
(1)Fitting
(2)Oil Pressure Sender
(3)Shield
(4)Oil Pressure Sensor
(5)Fitting
(6)Coolant Temperature Sensor

Oil Pressure Sender (7.4L Engine)


Object Number: 277100  Size: SH
(1)Oil Pressure Sender

Oil Pressure Sender (6.5L Engine)


Object Number: 277102  Size: SH
(1)Oil Pressure Sender

The oil pressure gauge is an electrical gauge that measures current from an oil pressure sender in the engine block. The oil pressure sender is at the rear of the engine block on the driver's side (4.3L, 5.0L, 5.7L and 7.4L Engines). The 6.5L engine has the oil pressure sender in the middle of the intake manifold. For diagnostic information, refer to Instrument Cluster System Check

Voltmeter

The voltmeter measures the voltage level of the electrical system. The voltmeter uses an internal shunt. For diagnostic information, refer to Engine Controls and Transmission/Transaxle.