GM Service Manual Online
For 1990-2009 cars only
Makes
🢒
Chevrolet
🢒
1998
🢒
Chevy C Pickup - 2WD
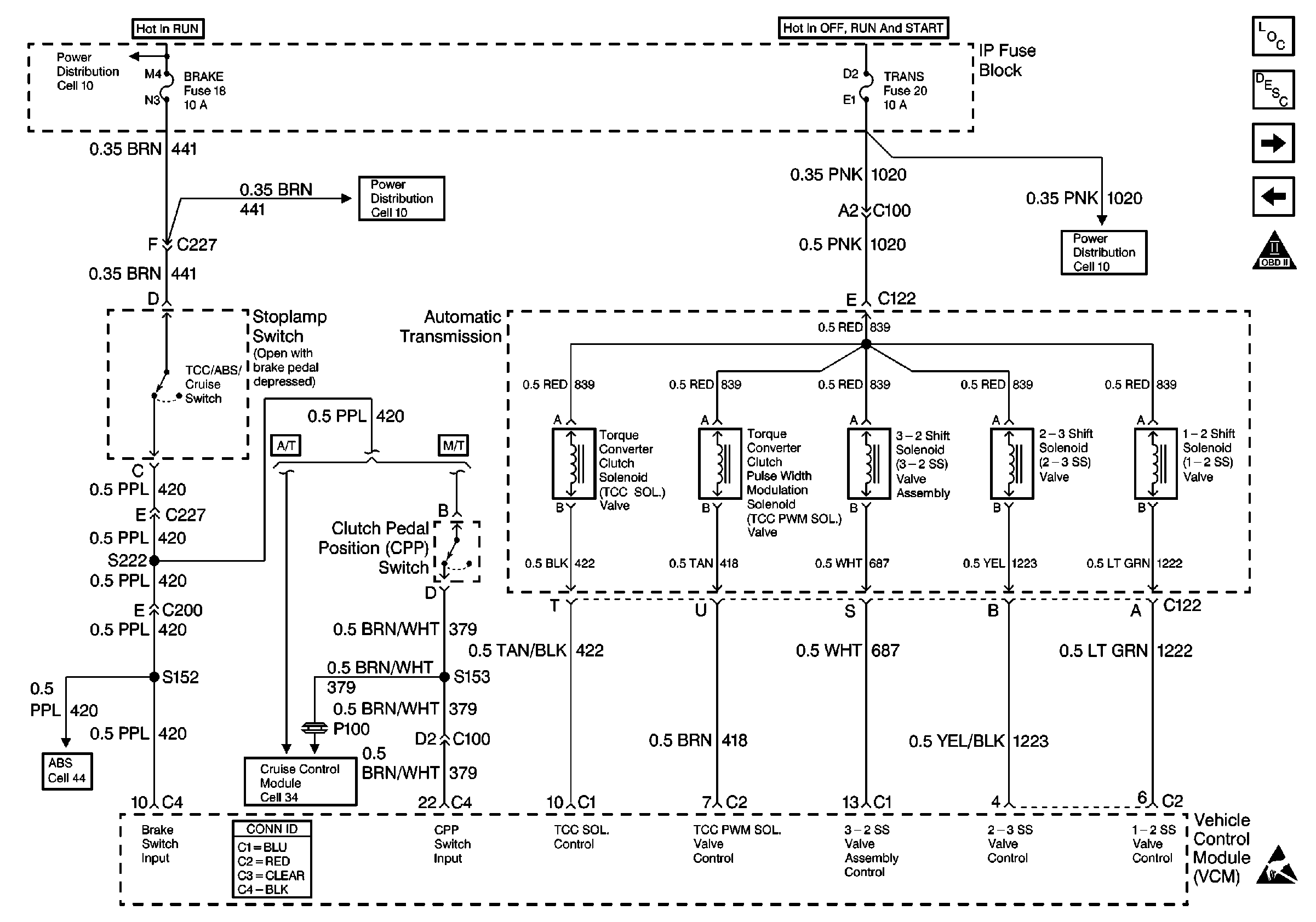
🢒 Transmission and TCC Controls
Transmission and TCC Controls
Transmission and TCC Controls
Engine Controls Components
Information Sensors/Switches Description
A/C Controls
Transmission Controls
OBDII Symbol Description Notice